Curiosii for ever!: Car repair manuals for everyone.

Oil Pressure Sensor: Testing and Inspection



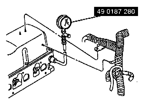
OIL PRESSURE SENSOR INSPECTION - 4.0L

1. Remove the oil pressure switch.
2. Screw oil pressure gauge SST 49 0187 280 into the oil pressure switch installation hole.






3. Run the engine at 2,000 rpm and note the engine readings.
4. If pressure is not within specification (276-413 kpa, 2.8-4.2 kgf/cm2, 40-60 psi) see Engine Component Test for further diagnosis.
5. Apply sealant to oil pressure switch threads.
6. Remove SST and install switch.
Tightening torque 11-24 N-m {1.1-2.4 kgf-m, 8-18 ft-lbf}