Curiosii for ever!
: Car repair manuals for everyone.
Home
>>
Mazda Truck
>>
2007
>>
CX-9 V6-3.5L
>>
Repair and Diagnosis
>>
Powertrain Management
>>
Relays and Modules - Powertrain Management
>>
Relays and Modules - Computers and Control Systems
>>
Main Relay (Computer/Fuel System)
>>
Testing and Inspection
>>
Component Tests and General Diagnostics
Component Tests and General Diagnostics
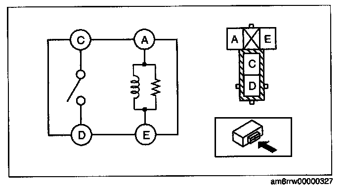
RELAY INSPECTION
Type A
1.
Verify the continuity between the relay terminals.
-
If not as indicated in the table, replace the relay.