Curiosii for ever!: Car repair manuals for everyone.

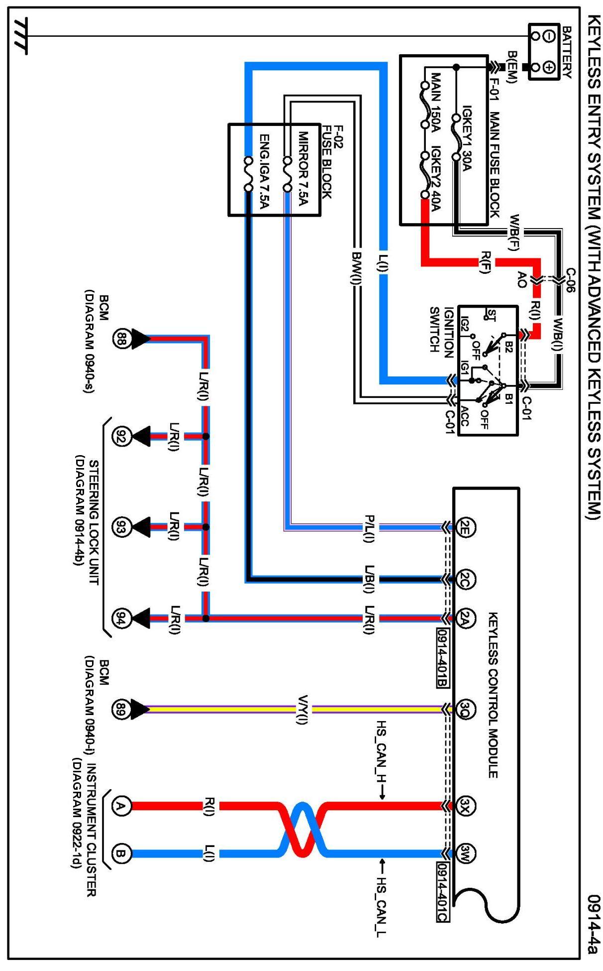
Keyless Entry System (With Advanced Keyless System)

Diagram 0914-4a:




Connectors 0914-4a:




Routing View 0914-4a:






Diagram 0914-4b:




Connectors 0914-4b:




Routing View 0914-4b:






Diagram 0914-4c:




Connectors 0914-4c:




Routing View 0914-4c:






Diagram 0914-4d:




Connectors 0914-4d:




Routing View 0914-4d:






Diagram 0914-4e:




Connectors 0914-4e:




Routing View 0914-4e:






Diagrams: Other diagrams referred to by name within these diagrams can be found at Diagrams by diagram Name. Diagrams By Diagram Name