Curiosii for ever!
: Car repair manuals for everyone.
Home
>>
Mazda Truck
>>
2007
>>
CX-7 L4-2.3L Turbo
>>
Repair and Diagnosis
>>
Transmission and Drivetrain
>>
Automatic Transmission/Transaxle
>>
Control Module
>>
Locations
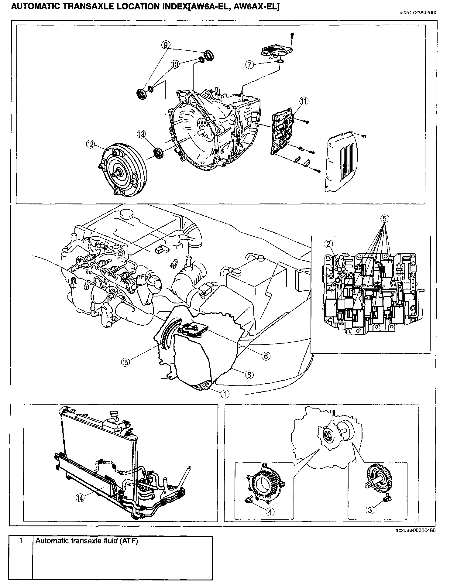
Control Module: Locations
AUTOMATIC TRANSAXLE LOCATION INDEX [AW6A-EL, AW6AX-EL]
Automatic Transaxle Location Index [AW6A-EL, AW6AX-EL] (Part 1):
Automatic Transaxle Location Index [AW6A-EL, AW6AX-EL] (Part 2):