Curiosii for ever!: Car repair manuals for everyone.

Procedures

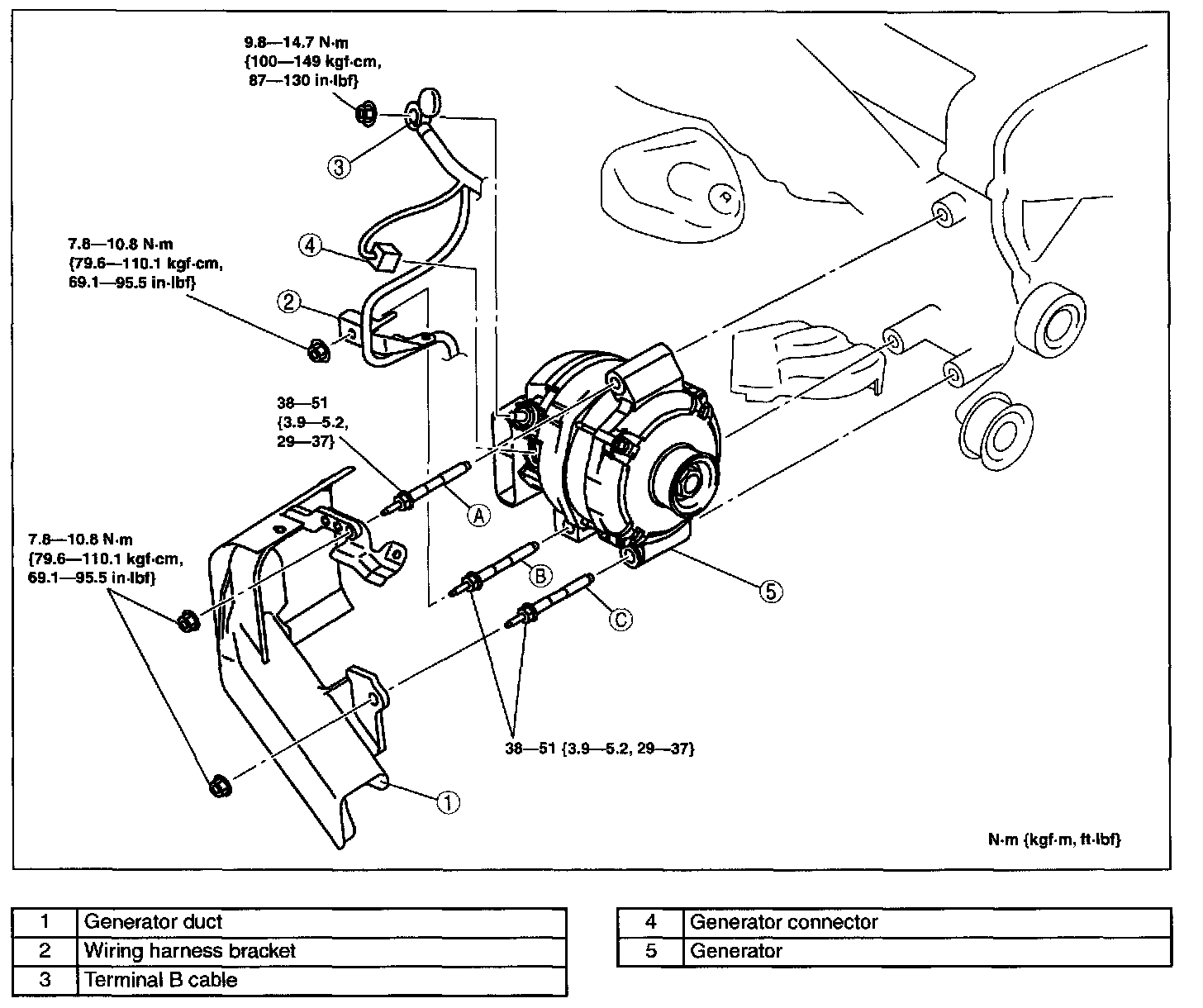
GENERATOR REMOVAL/INSTALLATION[L3 WITH TC]

WARNING:
- Remove and install all parts when the engine is cold, otherwise they can cause severe burns or serious injury.
- When the battery cables are connected, touching the vehicle body with generator terminal B will generate sparks. This can cause personal injury, fire, and damage to the electrical components. Always disconnect the negative battery cable before performing the following operation.


CAUTION: The generator can be damaged by the heat from the exhaust manifold. Make sure the generator duct is installed securely.

1. Disconnect the negative battery cable.
2. Remove the charge air cooler duct and charge air cooler cover.
3. Remove the front splash shield (RH).
4. Remove the drive belt.
5. Remove in the order indicated in the table.




6. Install in the reverse order of removal.

Generator Removal Note




1. Remove the cooler hose bracket nut and set the cooler hose out of the way before performing the generator removal/installation.
2. Remove the generator from above the engine compartment.

Generator Installation Note
1. Tighten bolt A temporarily.
2. Tighten bolt B, C to the specified tightening torque.
3. Tighten bolt A to the specified tightening torque.