Curiosii for ever!
: Car repair manuals for everyone.
Home
>>
Mazda Truck
>>
2007
>>
CX-7 L4-2.3L Turbo
>>
Repair and Diagnosis
>>
Specifications
>>
Mechanical Specifications
>>
Engine
>>
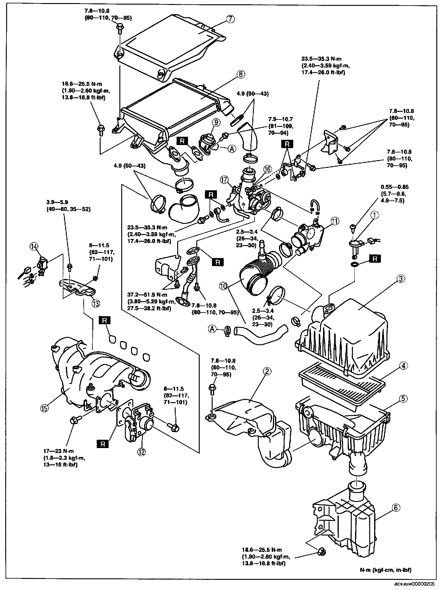
Intake Manifold
Intake Manifold