Curiosii for ever!
: Car repair manuals for everyone.
Home
>>
Mazda Truck
>>
2007
>>
CX-7 L4-2.3L Turbo
>>
Repair and Diagnosis
>>
Powertrain Management
>>
Relays and Modules - Powertrain Management
>>
Relays and Modules - Computers and Control Systems
>>
Engine Control Module
>>
Locations
Engine Control Module: Locations
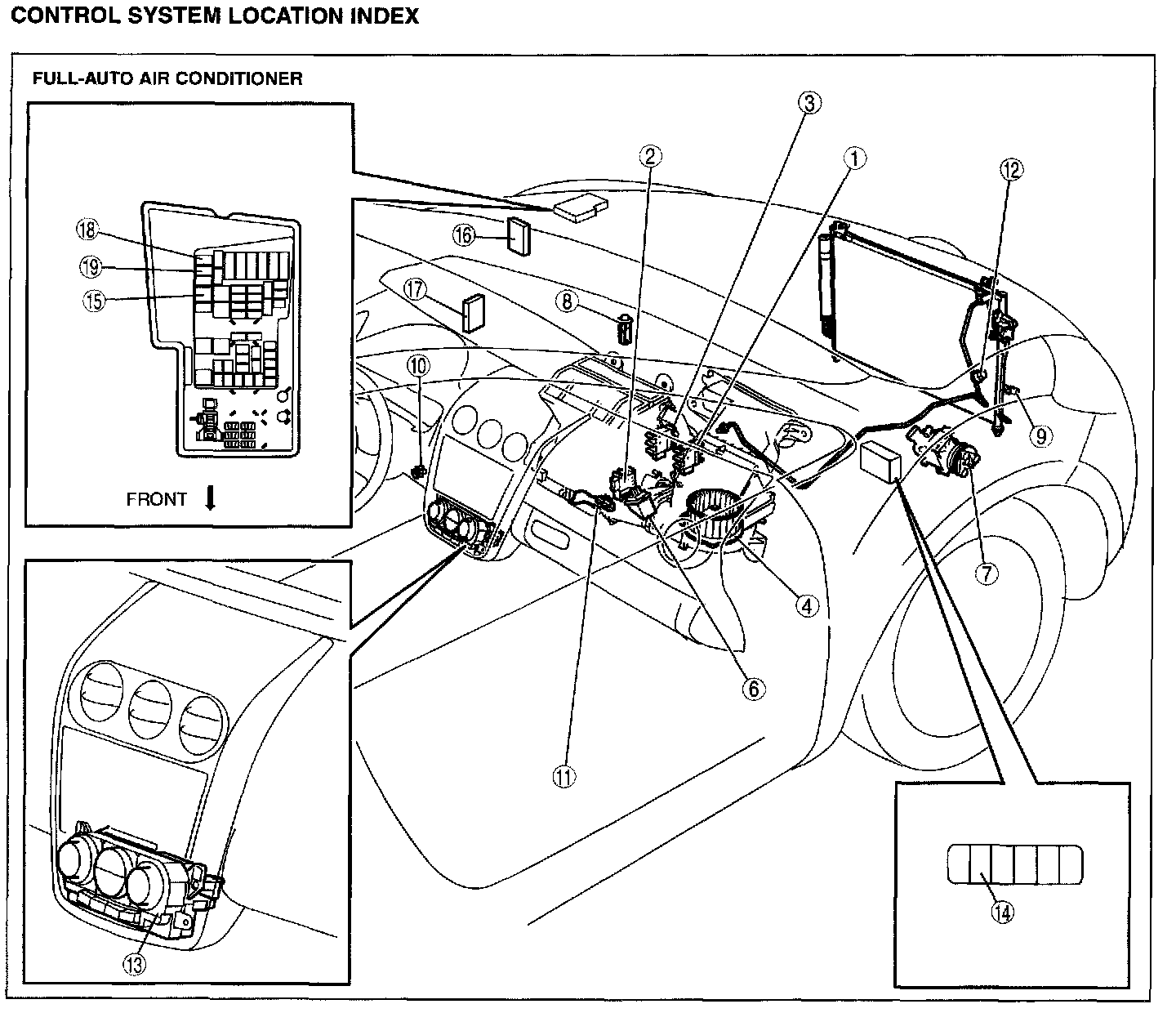
Control System Location Index:
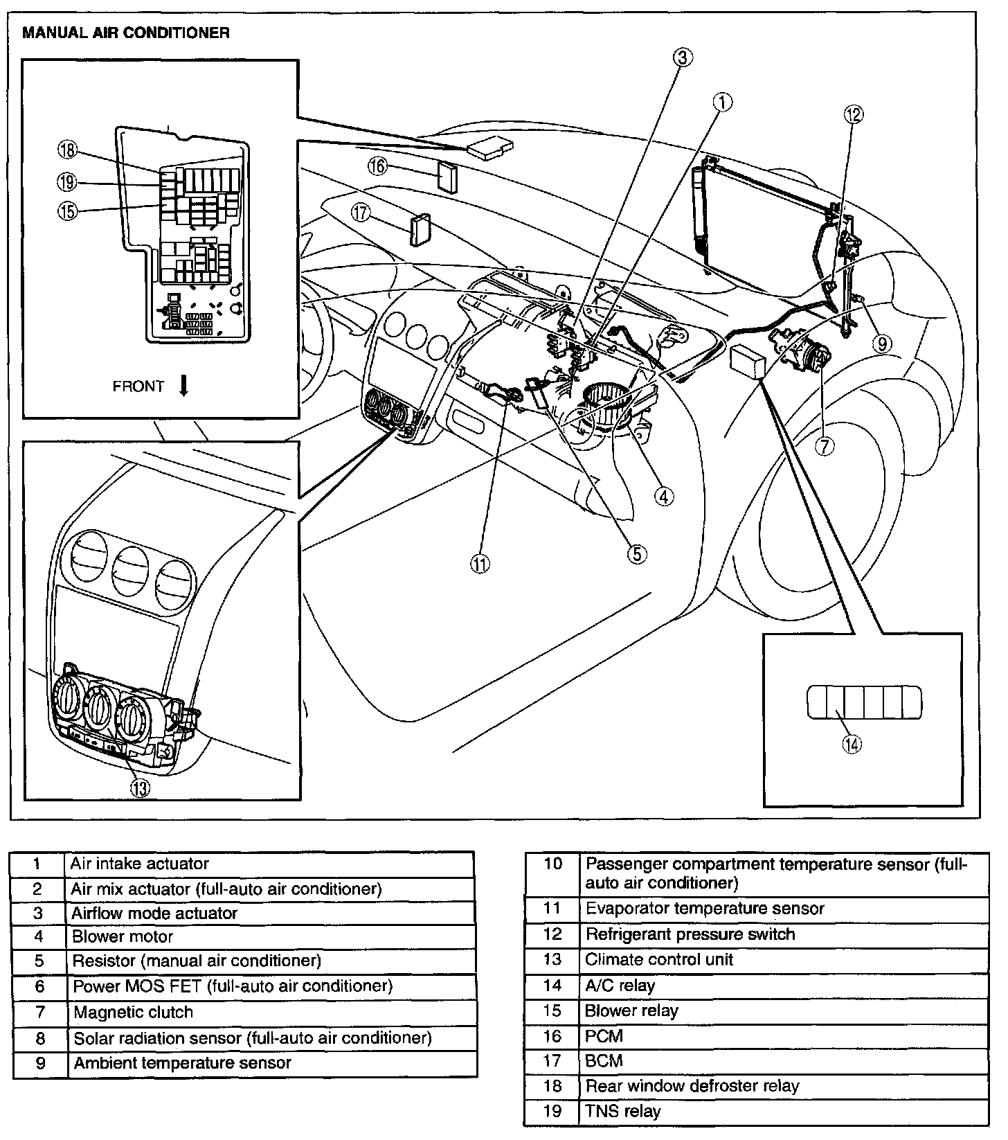
Control System Location Index:
Relay Location: