Curiosii for ever!: Car repair manuals for everyone.

Variable Valve Timing Actuator: Service and Repair






VARIABLE VALVE TIMING ACTUATOR REMOVAL/INSTALLATION [L3 WITH TC]

CAUTION:
- Remove the variable valve timing actuator and camshaft sprocket as a single unit.

NOTE:
- The variable valve timing actuator and camshaft sprocket cannot be disassembled.

1. Disconnect the negative battery cable.

2. Remove the splash shield (RH).

3. Remove the charge air cooler. (See Service and Repair.)

4. Remove the high pressure fuel pump. (See High Pressure Fuel Pump Removal/Installation.)

5. Remove the ignition coils. (See Service and Repair.)

6. Disconnect the wiring harness.

7. Remove the ventilation hose.

8. Remove the cylinder head cover. (See Service and Repair.)

9. Remove the drive belt. (See Service and Repair.)

10. Remove the engine front cover lower blind plug.






11. Remove the engine front cover upper blind plug.






12. Remove the cylinder block lower blind plug, and install the SST.






13. Rotate the crankshaft in the direction of the engine rotation so that the No.1 piston is at TDC of the compression stroke. (Until the counterweight contacts SST and stops.)

14. Loosen the timing chain using the following procedure:
NOTE:
- Verify the ratchet position using the mirror before servicing. If the ratchet is not tilted, remove the engine front cover before performing the procedure.
- If the timing chain tension cannot be released with the ratchet tilted, remove the engine front cover before performing the procedure.
Ratchet unlock position






a. Insert a suitable bolt (M6 X 1.0, length 25-35 mm {0.99-1.3 in}) into the engine front cover upper blind plug and tighten it until it contacts the chain tensioner arm, and then rotate it back one turn. (Set the bolt slightly away from the chain tensioner arm so that it does not contact it.)






b. Using the cast hexagon on the exhaust camshaft, apply force counterclockwise to facilitate unlocking the chain tensioner ratchet.






c. Using a Hex bit socket (2.5 mm {0.098 in}) or T15 Torx bit socket, unlock the chain tensioner ratchet so that it can be lifted up.






d. Using the cast hexagon on the exhaust camshaft, apply force in the direction of the engine rotation to increase tension on the chain.






NOTE:
- The chain tensioner rack is compressed using the chain tension generated by applying force to the exhaust camshaft in the direction of the engine rotation.






NOTE:
- The ratchet has not been unlocked if the bolt cannot be pressed in approx. 5 mm {0.2 in}.

e. Screw in the bolt set in Step 1 approx. 5 mm {0.2 in} and secure the tensioner arm with the rack compressed.






- If the tensioner arm cannot be secured, return the bolt to its original position and repeat the procedure from Step 3.

15. Fix the exhaust camshaft using a wrench on the cast hexagon, and loosen the camshaft sprocket bolt.






CAUTION:
- Perform the work carefully so that the washer does not drop out.

16. Remove the exhaust camshaft sprocket bolt, exhaust camshaft sprocket, and washer as a single unit.






17. Remove the oil control valve (OCV). (See Service and Repair.)

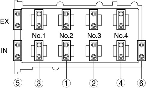
18. Loosen the camshaft cap bolts in two or three passes in the order shown in the figure and remove the camshaft cap.
NOTE:
- The camshaft caps are to be kept ordered for correct reassembly in their original positions. Do not mix the caps.






19. Remove the variable valve timing actuator and the camshaft on the intake air side as a single unit.

20. Remove the variable valve timing actuator.
a. Place alignment marks on the camshaft and variable valve timing actuator as shown in the figure so that the variable valve timing actuator is re-assembled in its original position.






b. Fix the camshaft in a vise.






c. Loosen the variable valve timing actuator installation bolt.

21. Install a new washer.






22. Install the variable valve timing actuator.
NOTE:
- When newly replacing the variable valve timing actuator, place alignment marks on the new part in the same position as the old actuator.
- If the alignment marks on the variable valve timing actuator are not available, refer to the "TIMING CHAIN ASSEMBLY" in the engine and perform the sprocket position alignment again.

a. Fix the camshaft in a vise.

b. Align the marks on the camshaft and the variable valve timing actuator.

c. Tighten the variable valve timing actuator installation bolt.

Tightening torque
- 69-75 Nm {7.1-7.6 kgf-m, 51-55 ft-lbf}

23. Verify that the No.1 cylinder is at TDC of the compression stroke. (The position counterweight contacts the SST.)

24. Apply the gear oil (SAE No. 90 or equivalent) to each journal of the cylinder head as shown in the figure.






25. With No.1 cylinder cam aligned at TDC of the compression stroke, install the variable valve timing actuator and the camshaft on the intake air side as a single unit.

26. Apply the gear oil (SAE No. 90 or equivalent) to each journal of the camshaft as shown in the figure. However, do not apply it to the end journal of the intake camshaft.






27. Carefully apply adhesive agent (Loctite 518 or 962) to the area indicated in the figure so that it does not leak into the sliding part then, apply the gear oil (SAE No. 90 or equivalent) to the journal.






Adhesive agent thickness
- 1.0 mm {0.039 in}

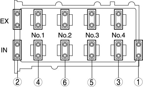
28. Install the camshaft caps and temporarily tighten the camshaft cap bolts evenly in two or three passes, and then tighten the camshaft cap bolts in two passes, using the following two steps and in the order shown in the figure.






Tightening procedure
- 5.0-9.0 Nm {51-91 kgf-cm, 45-79 in-lbf}
- 14.0-17.0 Nm {1.5-1.7 kgf-m, 10.4-12.5 ft-lbf

29. Install the OCV. (See Service and Repair.)

30. Install the timing chain, exhaust camshaft sprocket bolt, exhaust camshaft sprocket, and a new washer as a single unit.

CAUTION:
- Install a washer to the fourth or fifth thread of the exhaust camshaft sprocket bolt being careful not to drop the washer.
- Do not tighten the camshaft sprocket bolt at this stage. Verify the valve timing before performing the bolt tightening.






31. Install the SST on the camshaft as shown in the figure.






32. Remove the installation bolt for the engine front cover upper blind plug (M6 X 1.0 length 25-35mm {0.99-1.3 in}), and apply tension to the timing chain.

33. Rotate the crankshaft clockwise and verify that the No.1 cylinder is at TDC of the compression stroke. (The position counterweight contacts the SST.)

34. Remove the SST from the camshaft.

35. Remove the SST installed in the cylinder block lower blind plug hole.

36. Rotate the crankshaft clockwise two turns and inspect the valve timing.

- If not aligned, loosen the camshaft sprocket bolt and repeat the procedure from Step 31.

37. Apply the silicone sealant and install the engine front cover upper blind plug.






Tightening torque
- 8.0-11.5 Nm {82-117 kgf-cm, 71-101 in-lbf}

38. Install the cylinder block lower blind plug.






Tightening torque
- 18-22 Nm {1.9-2.2 kgf-m, 14-16 ft-lbf}

39. Install a new engine front cover lower blind plug.






Tightening torque
- 10.0-14.0 Nm {102-142 kgf-cm, 89-123 in-lbf}

40. Install the drive belt. (See Service and Repair.)

41. Install the cylinder head cover. (See Service and Repair.)

42. Install the ventilation hose.

43. Connect the wiring harness.

44. Install the ignition coils. (See Service and Repair.)

45. Install the high pressure fuel pump. (See High Pressure Fuel Pump Removal/Installation.)

46. Install the charge air cooler. (See Service and Repair.)

47. Install the splash shield (RH).

48. Connect the negative battery cable.