Curiosii for ever!: Car repair manuals for everyone.

Camshaft Position Sensor: Service and Repair


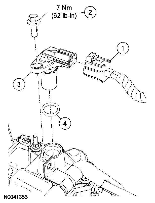
CAMSHAFT POSITION (CMP) SENSOR REMOVAL / INSTALLATION - 2.3L











1. Disconnect the negative battery cable. See BATTERY DISCONNECT.




2. Disconnect the camshaft position (CMP) sensor electrical connector.
3. Remove the bolt and the CMP sensor.

NOTE: Lubricate the O-ring with clean engine oil.

4. To install, reverse the removal procedure.