Curiosii for ever!: Car repair manuals for everyone.

Electrical Diagrams

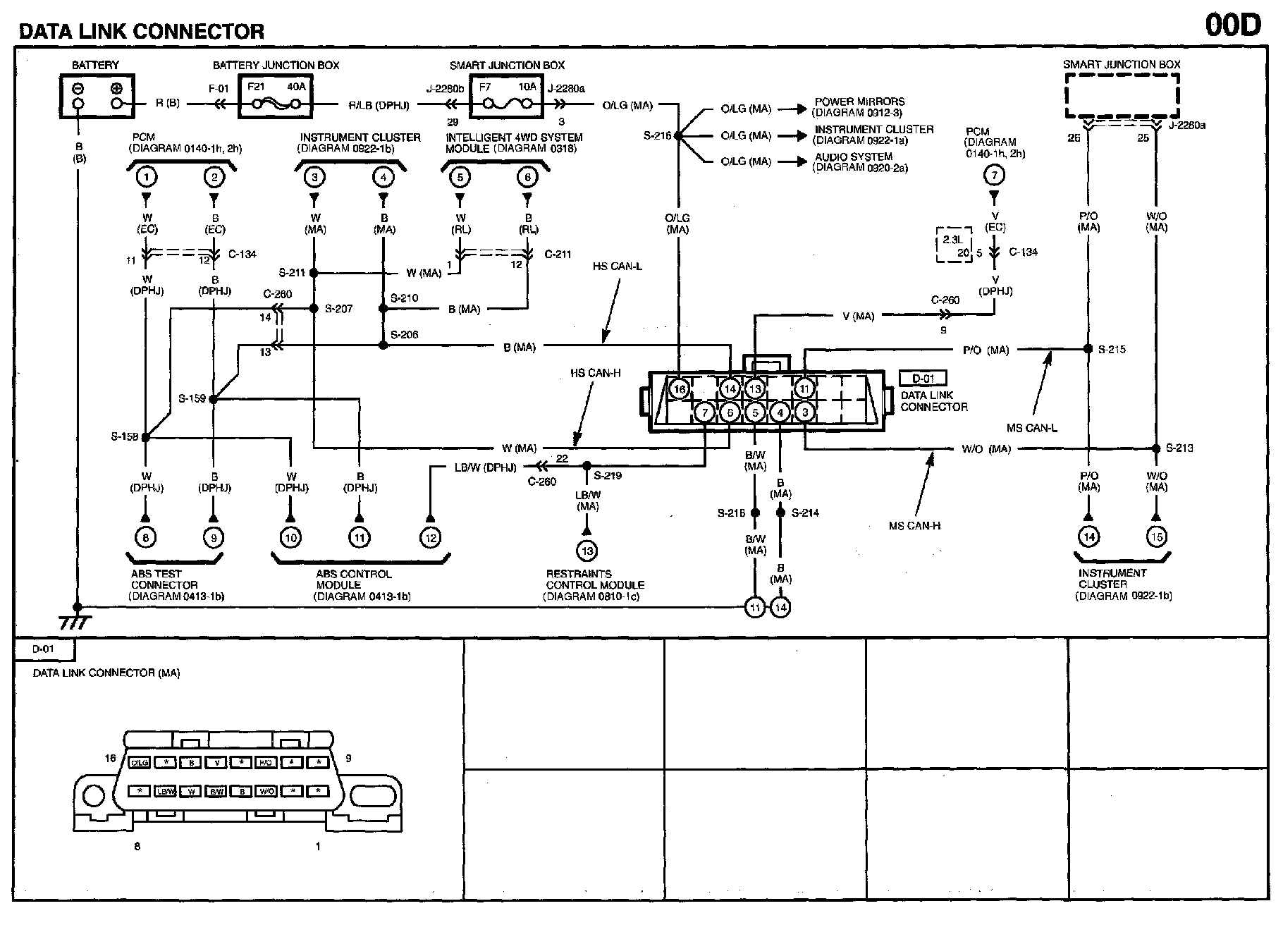
Diagram 00D:




Routing View 00D:






Diagrams: Other diagrams referred to by name within these diagrams can be found at Diagrams By Diagram Name. Diagrams By Diagram Name


Connector Views: Additional connector pinout views for the common connectors that may be referred to on these diagrams can be found via the connector number at the vehicle level connector views. Connector Views