Curiosii for ever!
: Car repair manuals for everyone.
Home
>>
Mazda Truck
>>
2003
>>
Tribute 2WD L4-2.0L
>>
Repair and Diagnosis
>>
Diagrams
>>
Exploded Views
>>
Engine
Engine
Upper Engine Components
Cylinder Head Components
Lower Engine Components
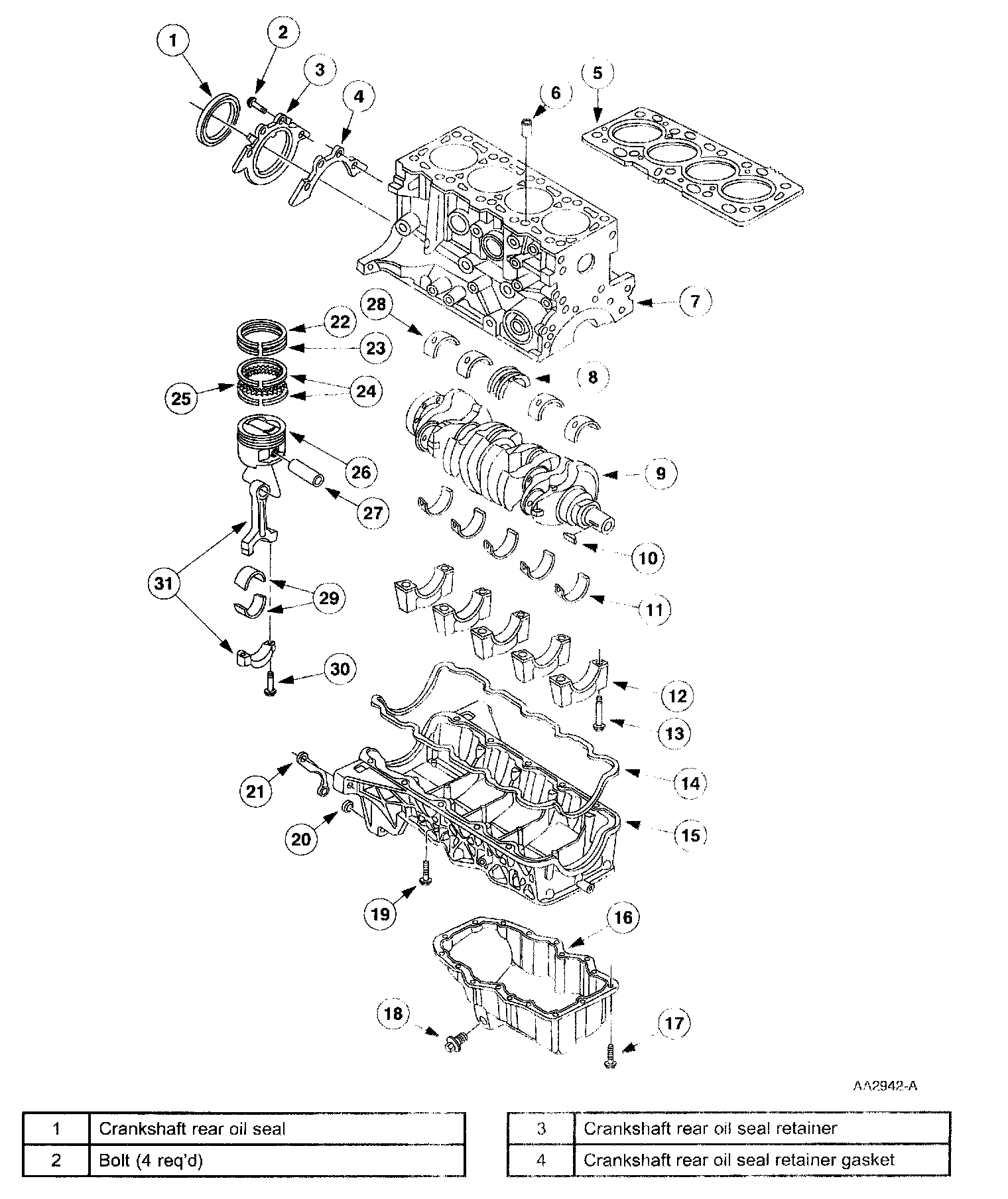
Cylinder Block Components