Curiosii for ever!
: Car repair manuals for everyone.
Home
>>
Mazda Truck
>>
2002
>>
Tribute DX 2WD L4-2.0L
>>
Repair and Diagnosis
>>
Diagrams
>>
Electrical Diagrams
>>
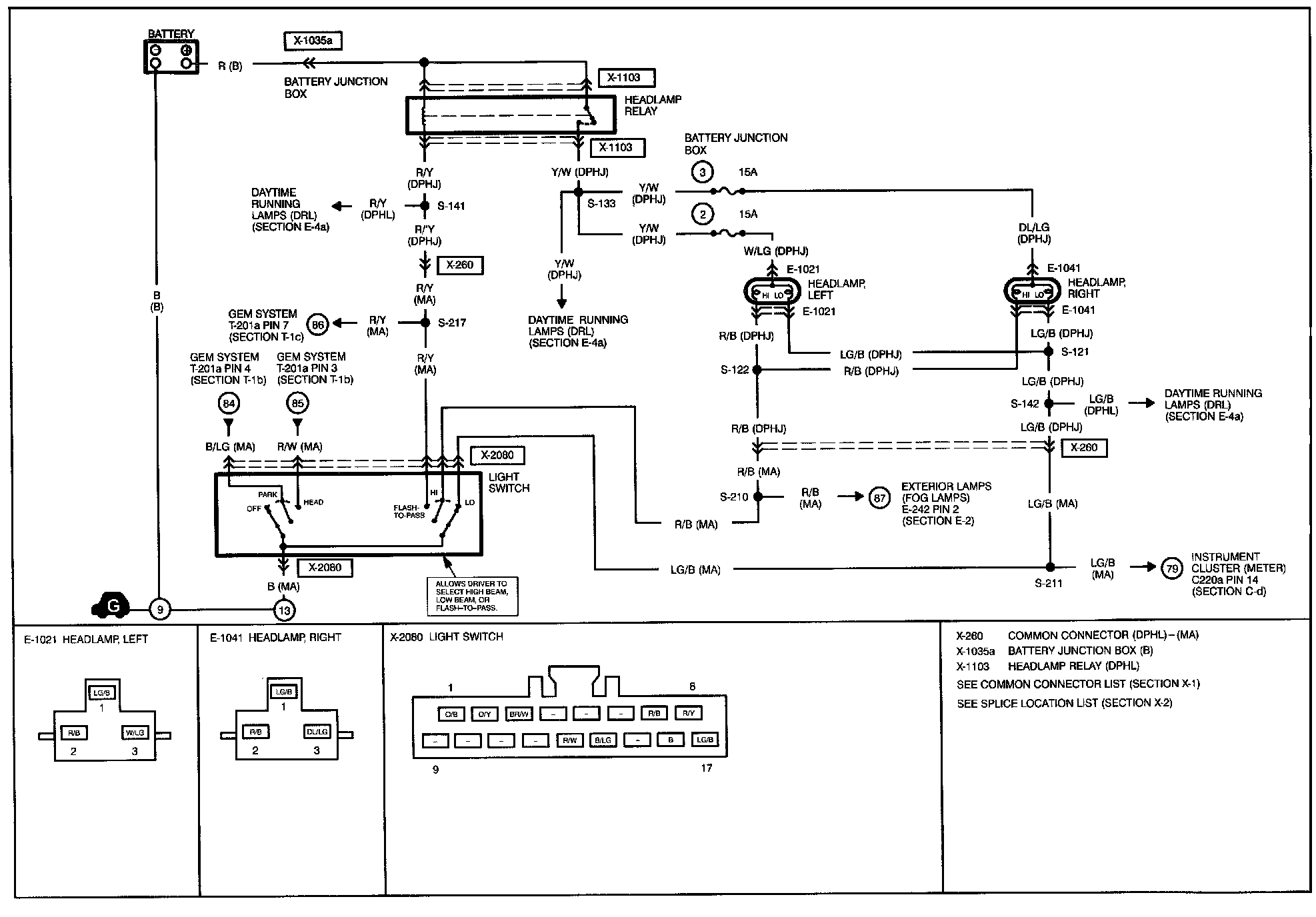
Exterior Lighting Module
Exterior Lighting Module
E-1 - Exterior Lamps Circuit:
Wiring Diagrams
NOTE:
To view other sections referred to in these diagrams, see
Complete Body and Chassis Diagrams by Section (A Thru Z)
Electrical Diagrams