Curiosii for ever!: Car repair manuals for everyone.

Cruise Control Servo: Service and Repair

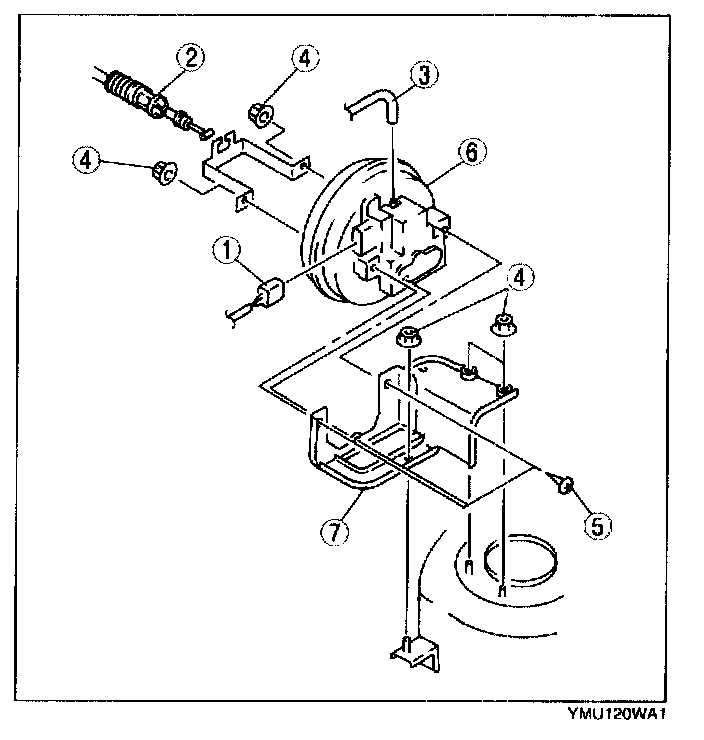
CRUISE ACTUATOR REMOVAL/INSTALLATION

1. Disconnect the negative battery cable.




2. Remove in the order indicated below.
1. Connector
2. Actuator cable
3. Vacuum hose
4. Nut
5. Screw
6. Cruise actuator
7. Bracket

3. Install in the reverse order of removal.