Curiosii for ever!
: Car repair manuals for everyone.
Home
>>
Mazda Truck
>>
2000
>>
MPV ES V6-2.5L DOHC
>>
Repair and Diagnosis
>>
Powertrain Management
>>
Computers and Control Systems
>>
Engine Control Module
>>
Locations
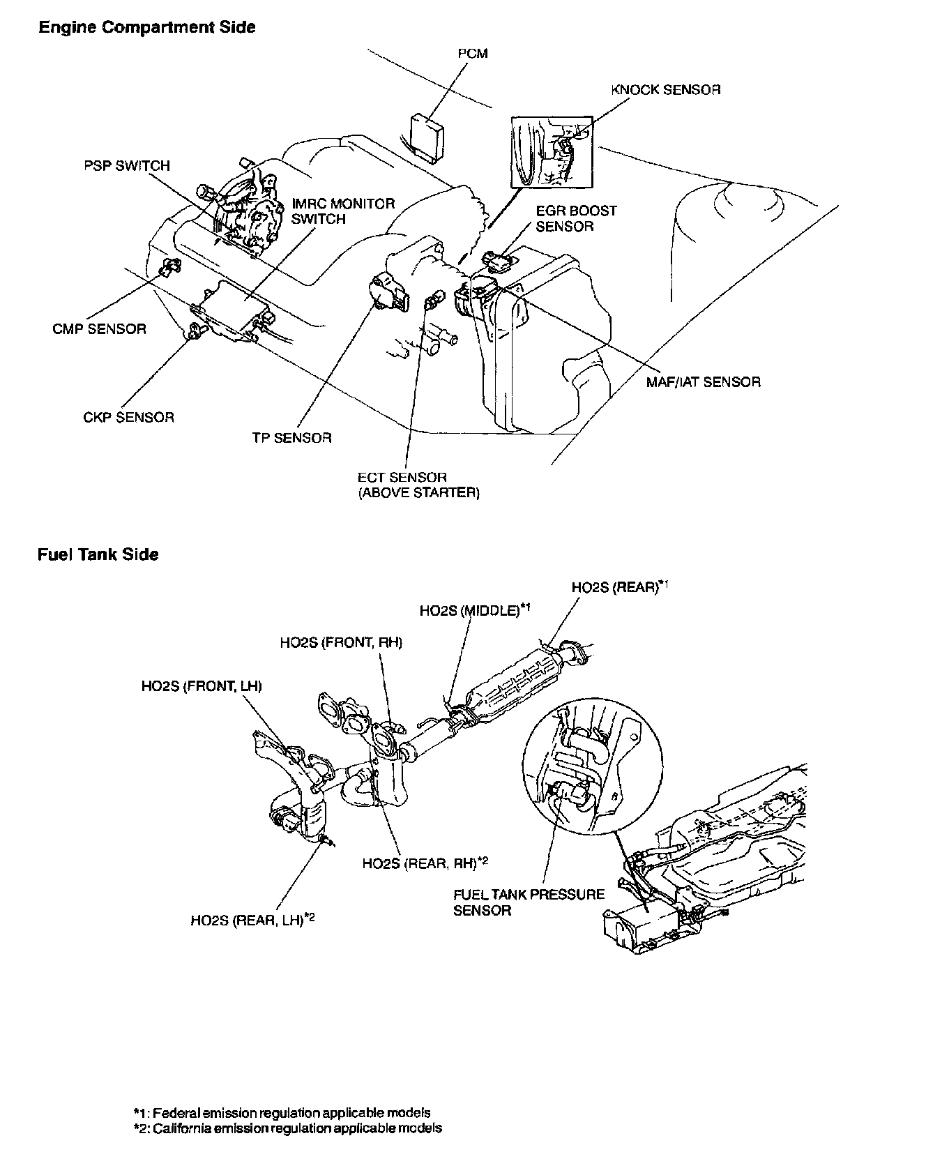
Engine Control Module: Locations
Control System Component Location: