Curiosii for ever!
: Car repair manuals for everyone.
Home
>>
Mazda Truck
>>
2000
>>
MPV ES V6-2.5L DOHC
>>
Repair and Diagnosis
>>
Diagrams
>>
Exploded Views
>>
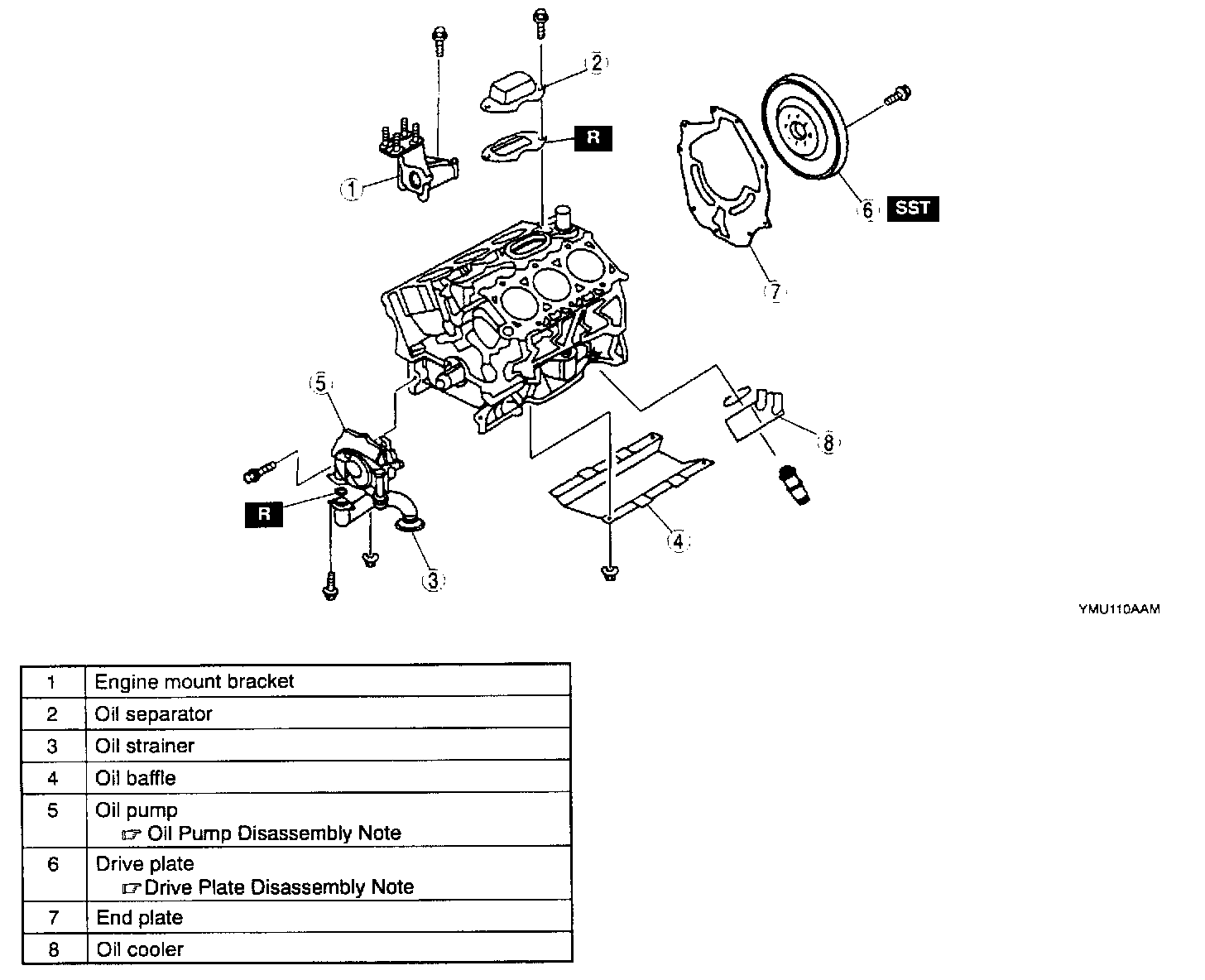
Cylinder Block Assembly
Cylinder Block Assembly
Cylinder Block (I) Disassembly/Assembly
Cylinder Block (II) Disassembly/Assembly