Curiosii for ever!: Car repair manuals for everyone.

Control System

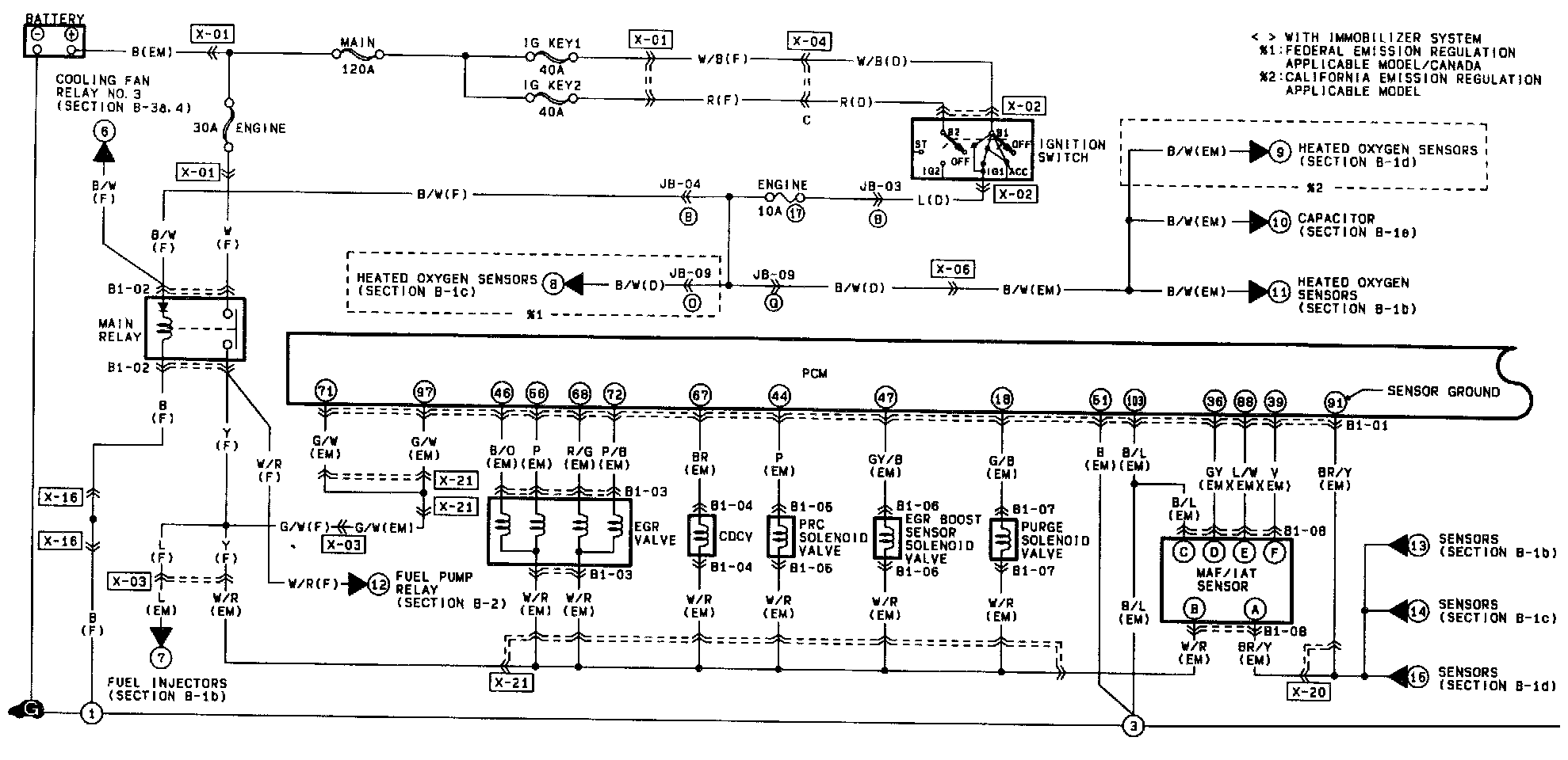
B-1a Engine Control System/EC-AT Control System:




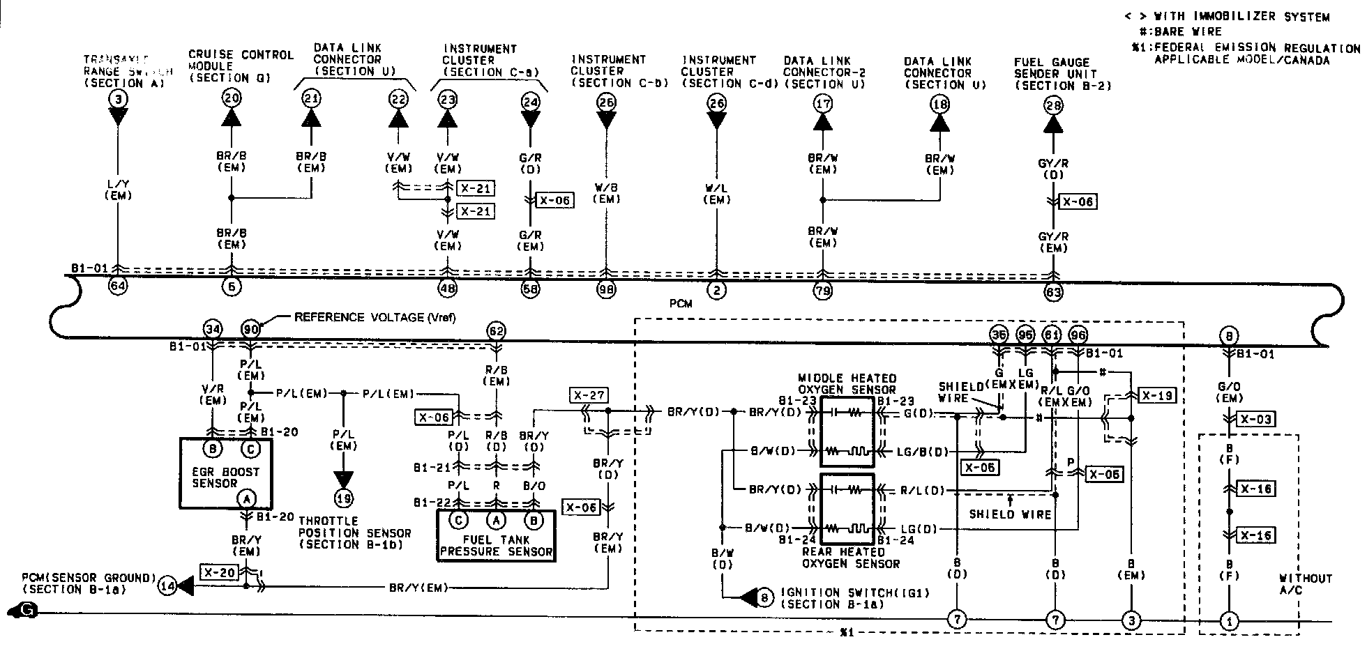
B-1b Engine Control System/EC-AT Control System:




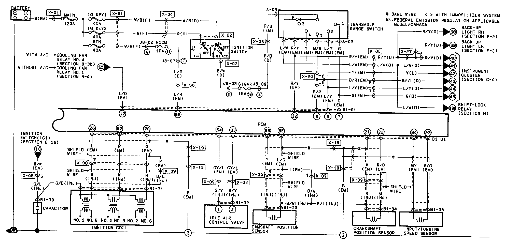
B-1c Engine Control System/EC-AT Control System:




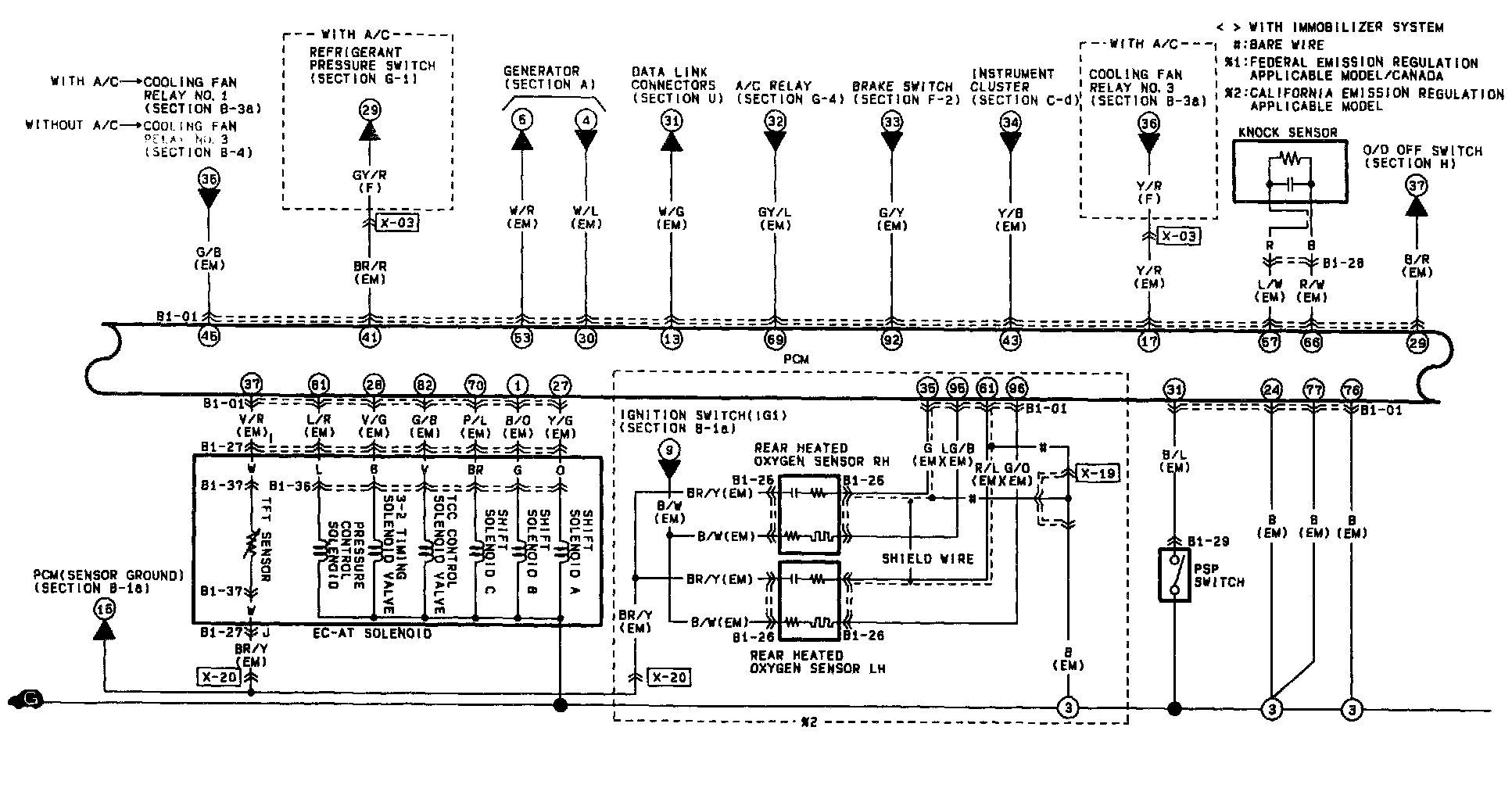
B-1d Engine Control System/EC-AT Control System:




B-1e Engine Control System/EC-AT Control System:





Electrical Diagram

















Connector Views

















Connector Locations

REFERENCED DIAGRAMS

In many instances electrical diagrams will refer you to another section to complete the circuit. These referenced sections can be found at vehicle level under "Diagrams." Diagrams