Curiosii for ever!
: Car repair manuals for everyone.
Home
>>
Mazda Truck
>>
1996
>>
MPV 2WD V6-3.0L SOHC
>>
Repair and Diagnosis
>>
Powertrain Management
>>
Relays and Modules - Powertrain Management
>>
Relays and Modules - Computers and Control Systems
>>
Main Relay (Computer/Fuel System)
>>
Locations
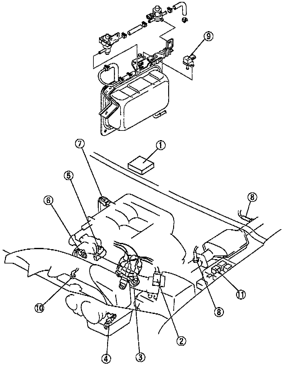
Main Relay (Computer/Fuel System): Locations
Refer to item
No.11 (Main Relay)
in the figure.
Located in the relay box on the left side of the engine compartment.