Curiosii for ever!
: Car repair manuals for everyone.
Home
>>
Mazda Truck
>>
1994
>>
MPV L4-2606cc 2.6L SOHC
>>
Repair and Diagnosis
>>
Specifications
>>
Mechanical Specifications
>>
Engine
>>
System Specifications
>>
Torque Specifications
Torque Specifications
Intake:
Upper Engine:
Head Bolt Torque/Sequence:
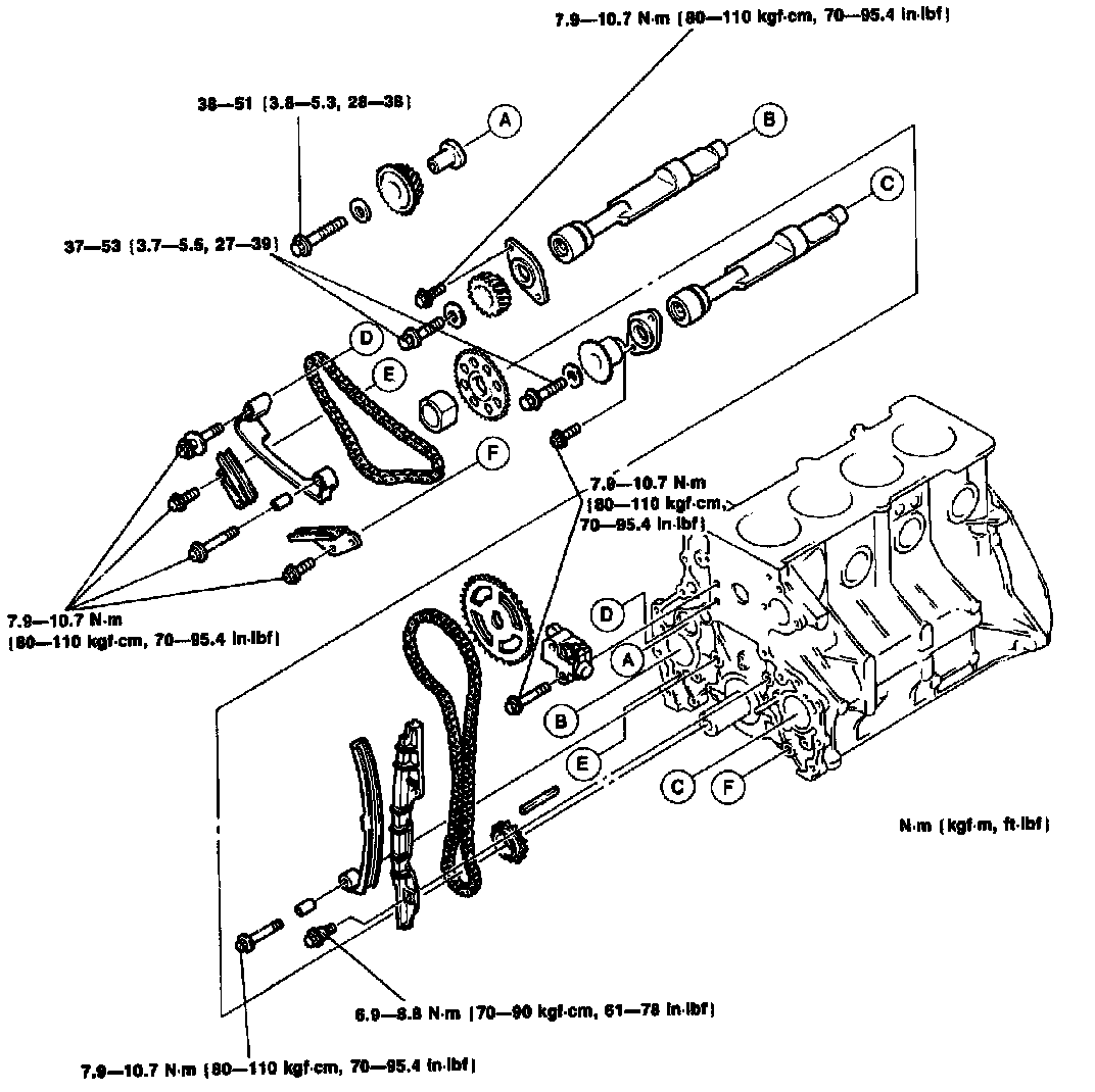
Timing Components:
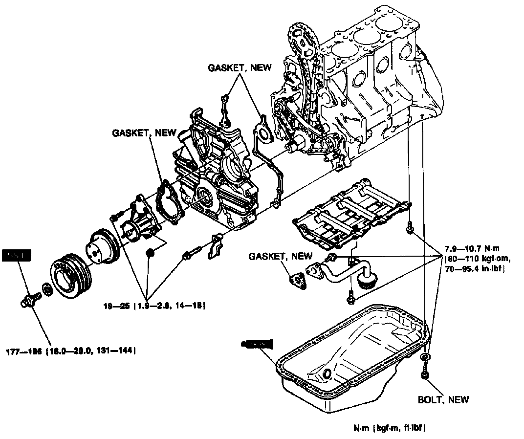
Lower Engine:
Main Bolt Torque/Sequence: