Curiosii for ever!
: Car repair manuals for everyone.
Home
>>
Mazda Truck
>>
1994
>>
MPV L4-2606cc 2.6L SOHC
>>
Repair and Diagnosis
>>
Relays and Modules
>>
Relays and Modules - Powertrain Management
>>
Relays and Modules - Computers and Control Systems
>>
Engine Control Module
>>
Locations
>>
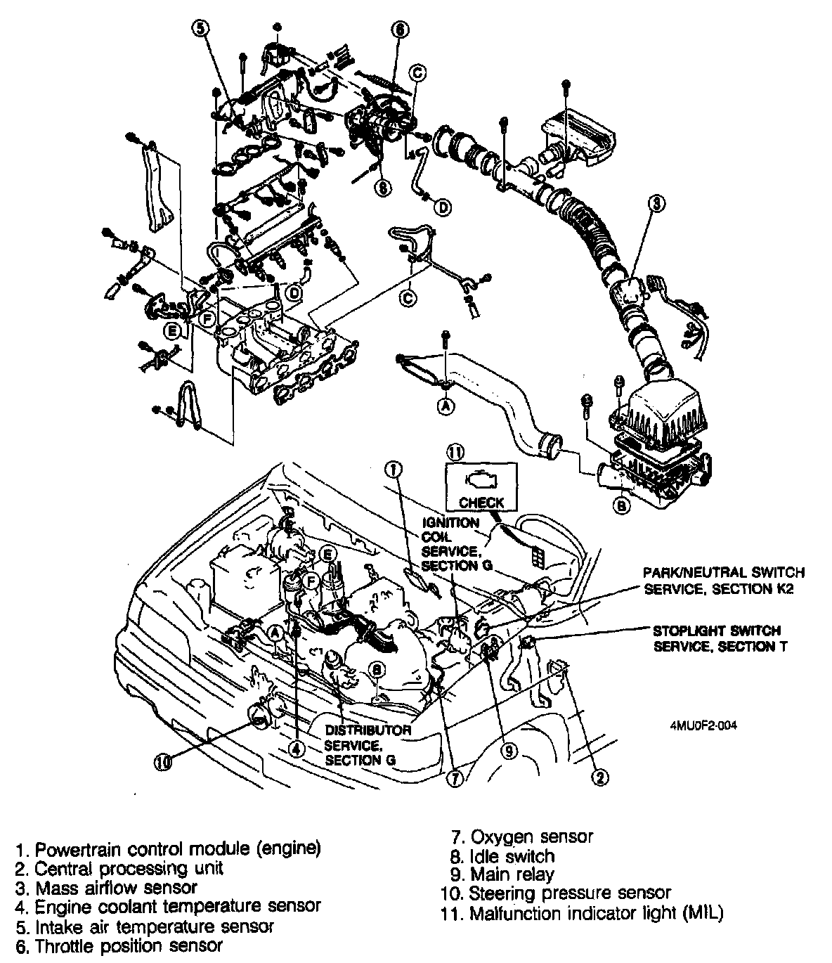
Component Locations
Component Locations