Curiosii for ever!: Car repair manuals for everyone.

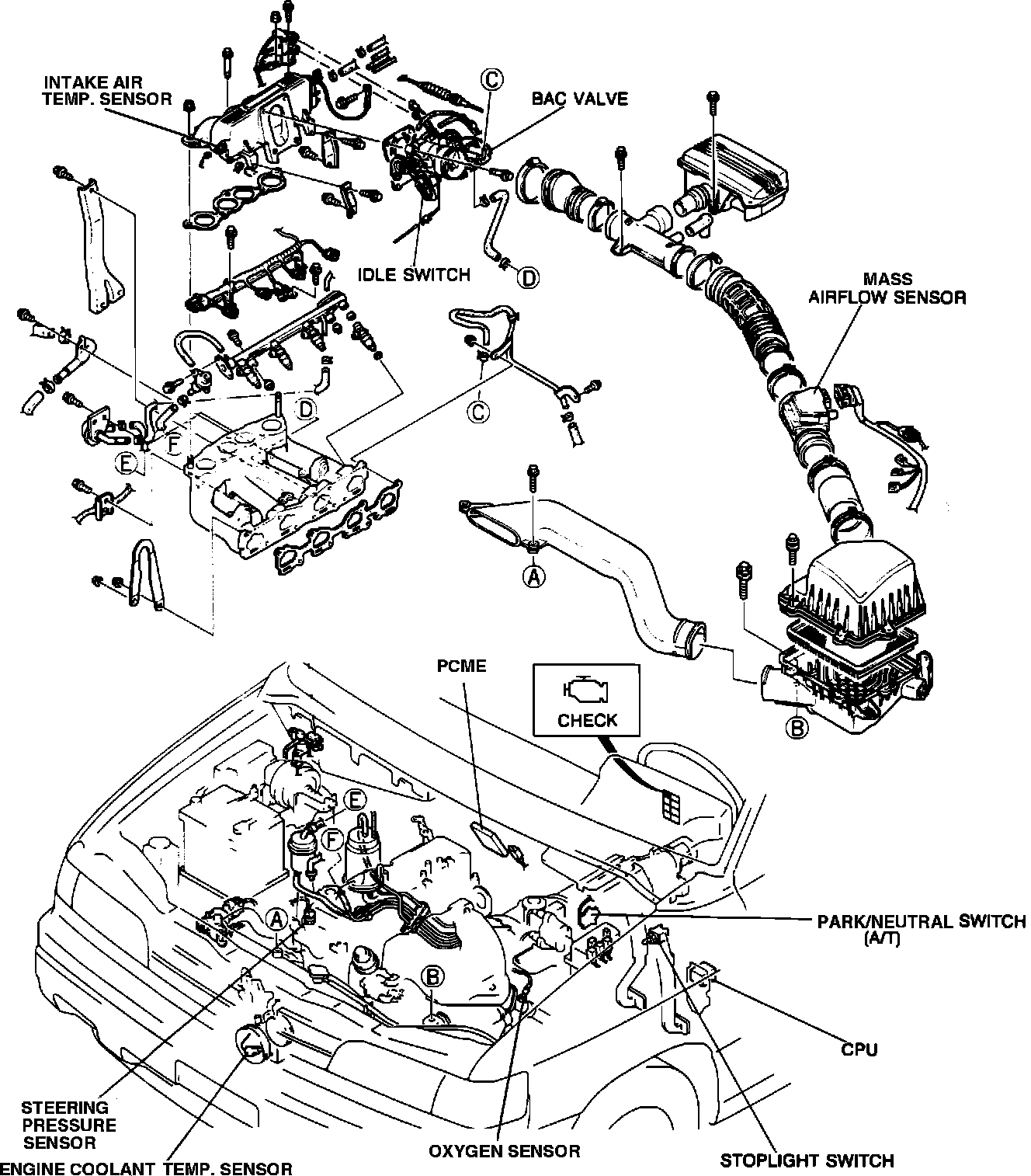
Air Flow Meter/Sensor: Description and Operation

Idle Speed Control System:






PURPOSE
Measures volume and mass of intake air and provides signal to PCME. Unlike sensors measuring only volume, this sensor measures actual mass per unit time of air entering the engine. It is a more accurate measurement because any given volume contains different quantities of air depending on density.

LOCATION
Left side engine compartment, in intake air hose to air cleaner.

OPERATION
Sensor converts amount of intake air into an electric signal by using the heat transfer phenomenon between incoming air and a heated resistor (wire).

A wire filament located in the intake air flow is electrically heated. Air flow cools the wire and more current is required to maintain PCME programmed reference temperature. PCME measures current flow required to maintain temperature to calculate mass of air entering engine.