Curiosii for ever!
: Car repair manuals for everyone.
Home
>>
Mazda Truck
>>
1994
>>
B2300 L4-2.3L VIN A
>>
Repair and Diagnosis
>>
Specifications
>>
Mechanical Specifications
>>
Engine
>>
Timing Components
>>
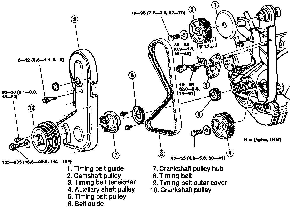
System Specifications
System Specifications
Timing Components: