Curiosii for ever!
: Car repair manuals for everyone.
Home
>>
Mazda Truck
>>
1994
>>
B2300 L4-2.3L VIN A
>>
Repair and Diagnosis
>>
Diagrams
>>
Electrical Diagrams
>>
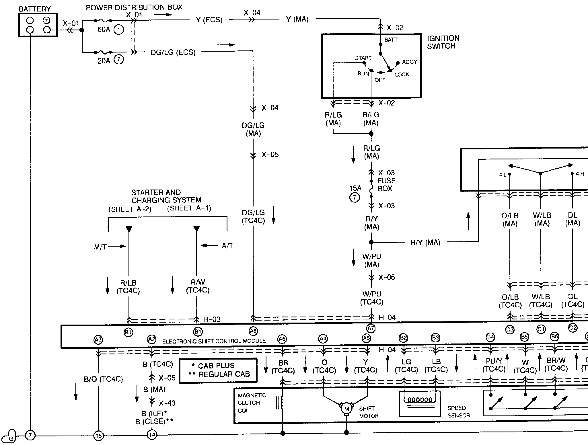
Shift Interlock Control Module
Shift Interlock Control Module
?�1!Electronic Shift Control: