Curiosii for ever!
: Car repair manuals for everyone.
Home
>>
Mazda Truck
>>
1993
>>
MPV L4-2606cc 2.6L SOHC
>>
Repair and Diagnosis
>>
Powertrain Management
>>
Computers and Control Systems
>>
Locations
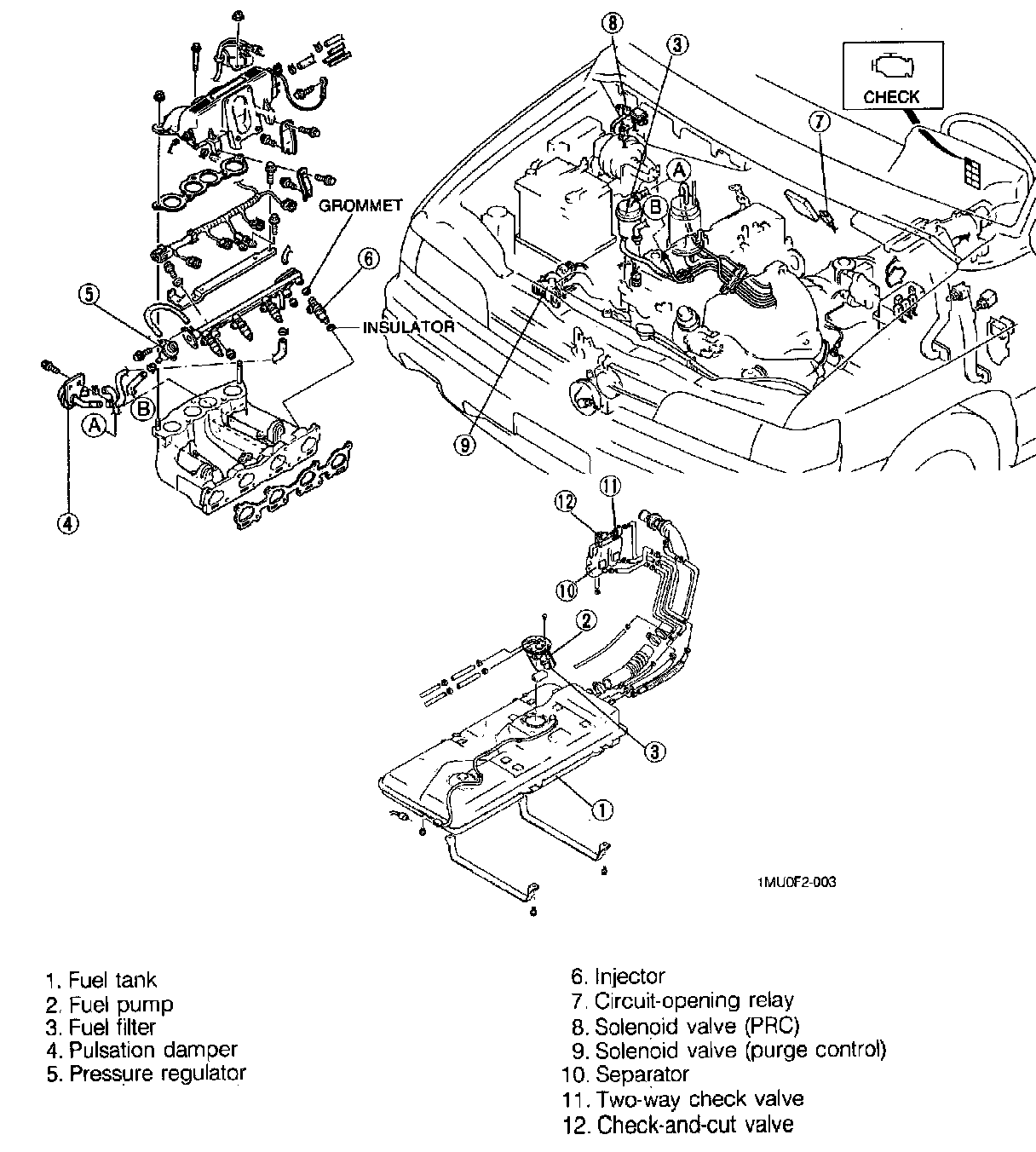
Computers and Control Systems: Locations