Curiosii for ever!: Car repair manuals for everyone.

Torque Specifications

Intake:






Intake Manifold:






Exhaust Manifold:






Extension Manifold:






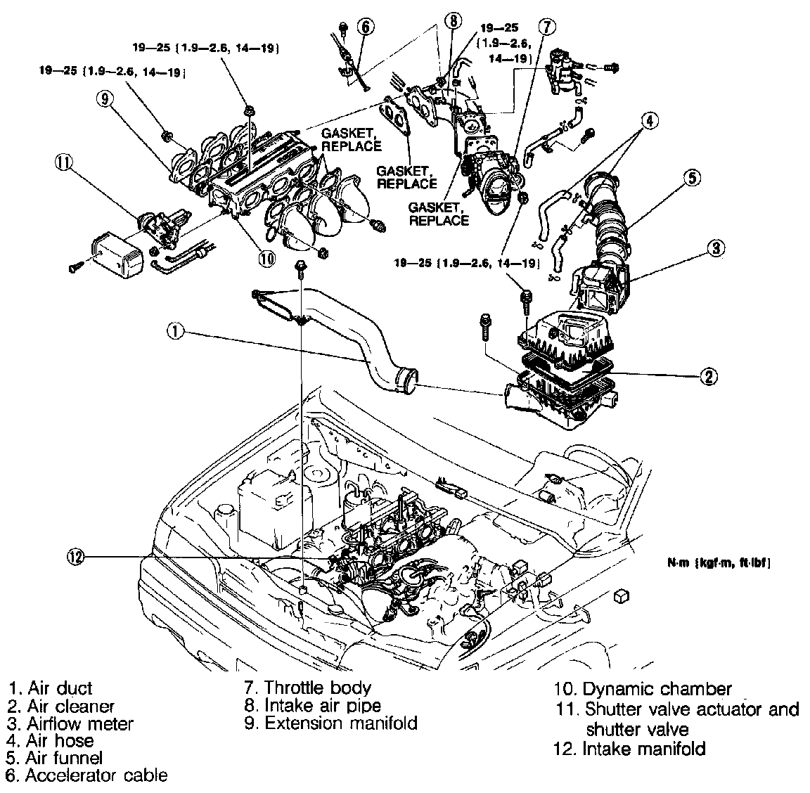
Torque Specs Exploded View:












Before installation, measure each bolt length. Replace if necessary.

Length IN: 108mm (4.25 in)
EX: 138mm (5.43 in)
Maximum IN: 109mm (4.29 in)
EX: 139mm (5.47 in)

Apply engine oil to the threads and the seat face of each bolt.

Head Torque/Sequence:






Tighten the bolts in the order shown in the figure.
1. 20 Nm (15 ft-lb)
2. Tighten each bolt by turning another 90°
3. Further tighten each bolt by turning another 90°


Rocker Arm Assembly Torque/Sequence:






Timing Components:







Internal Parts:






Main Bolt Torque/Sequence:






External Parts: