Curiosii for ever!
: Car repair manuals for everyone.
Home
>>
Mazda Truck
>>
1993
>>
MPV 2WD V6-3.0L SOHC
>>
Repair and Diagnosis
>>
Specifications
>>
Mechanical Specifications
>>
Engine
>>
Engine Lubrication
>>
System Specifications
>>
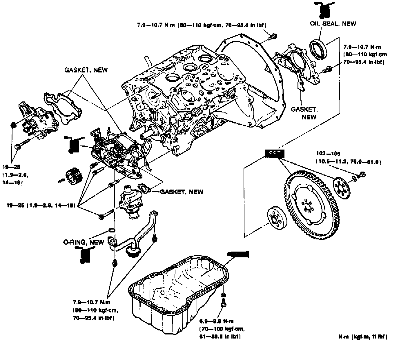
Torque Specifications
Torque Specifications
External Parts: