Curiosii for ever!: Car repair manuals for everyone.

Output Shaft Speed (OSS) Sensor




Output Shaft Speed (OSS) Sensor









Removal

1. Remove the main control cover.
- For vehicles equipped with a 3.7L engine, refer to Main Control Cover - 3.7L Service and Repair.

- For vehicles equipped with a 3.5L Gasoline Turbocharged Direct Injection (GTDI) engine, refer to Main Control Cover - 3.5L GTDI Service and Repair.

2. Disconnect the Transmission Range (TR) sensor electrical connector.

1. Slide the lock over.

2. Press the tab and disconnect the connector.





3. Disconnect the Turbine Shaft Speed (TSS) and Output Shaft Speed (OSS) sensor electrical connectors.





4. NOTE: Note the location of the different length bolts for assembly.

Remove the 11 bolts and the solenoid body.





5. NOTICE: Do not handle the solenoid body in the leadframe area or by the screens of the solenoid body filter or damage to the solenoid body may occur.

NOTICE: Use care not to break the alignment tabs when removing the solenoid body filter. Damage to the transaxle will occur if the solenoid body is not correctly aligned.

Remove the solenoid body filter assembly by pulling it straight up from the alignment tabs. Discard the filter.





6. Remove the 10 bolts, the TR sensor detent spring and the main control valve body.





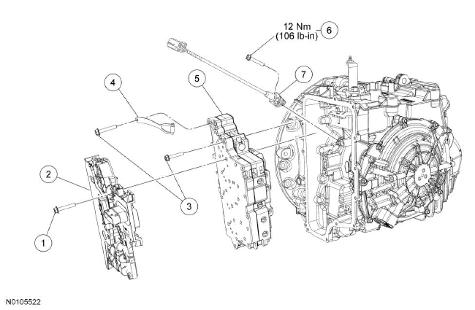
7. Remove the bolt and the OSS sensor.





Installation

1. Install the OSS sensor and the bolt.
- Tighten to 12 Nm (106 lb-in).





2. NOTE: If cleaning the main control assembly or inspecting the valves, refer to Automatic Transaxle/Transmission - 6F50/6F55. If installing a new main control assembly, continue with this procedure.

NOTE: Make sure that the manual pin (part of the TR sensor) is correctly installed in the manual valve.

Position the TSS, OSS and TR sensor wiring harnesses aside and install the main control valve body.





3. Inspect the manual pin to make sure it is correctly installed in the manual valve. If it is not, pull the valve body off the transaxle case. Correctly install the manual pin in the manual valve and position the valve body in place.





4. Install the TR sensor detent spring and the 10 valve body-to-case bolts. Tighten the bolts in the sequence shown.
- Tighten to 12 Nm (106 lb-in).





5. NOTICE: Do not handle the solenoid body in the leadframe area or by the screens of the solenoid body filter or damage to the solenoid body may occur.

NOTICE: Use care not to break the alignment tabs when installing the solenoid body filter. Damage to the transaxle will occur if the solenoid body is not correctly aligned.

NOTICE: Make sure that the filter passage areas are clean of foreign material before installing the filter. Damage to the transaxle will occur if the filter passages are not clean.

Install a new solenoid body filter assembly by pushing it straight down on to the alignment tabs.





6. NOTICE: Make sure not to pinch the Turbine Shaft Speed (TSS), Output Shaft Speed (OSS) or Transmission Range (TR) sensor wiring harnesses when installing the solenoid body. Damage to the wiring harness will occur.

NOTE: Install the different length bolts in the locations noted during disassembly.

Install the solenoid body and the 11 bolts.

1. 42 mm (1.653 in) bolt

2. 63 mm (2.48 in) bolts

3. 80 mm (3.149 in) bolts

4. 95 mm (3.74 in) bolts





7. Tighten the solenoid body bolts in the sequence shown.
- Tighten to 12 Nm (106 lb-in).





8. Route the OSS sensor wiring harness and connect the electrical connector.





9. Connect the TR sensor electrical connector.

1. Connect the electrical connector.

2. Slide the locking tab over.





10. Connect the TSS sensor electrical connector.





11. Install the main control cover.
- For vehicles equipped with a 3.7L engine, refer to Main Control Cover - 3.7L Service and Repair.

- For vehicles equipped with a 3.5L GTDI engine, refer to Main Control Cover - 3.5L GTDI Service and Repair.