Curiosii for ever!: Car repair manuals for everyone.

Shift Interlock: Service and Repair




Brake Shift Interlock Override

NOTE: If it is necessary to use the override procedure to move the selector lever out of the PARK position, it is possible that a fuse has blown. GO to Pinpoint Test A Pinpoint Test A: Brake Shift Interlock System Does Not Release/Lock Correctly.

This vehicle is equipped with a brake shift interlock feature that prevents the selector lever from being moved out of PARK when the ignition is in the ON position unless the brake pedal is pressed.

If the selector lever cannot be moved out of the PARK position when the ignition is in the ON position and the brake pedal is pressed:

1. Apply the parking brake and remove the ignition key.

2. Remove the center console trim.





3. Remove the cup holder lid trim panel.





4. Remove the cup holder retaining screws and position the cup holder out of the center console to access the electrical connector.





5. Disconnect the cup holder electrical connector and remove the cup holder.





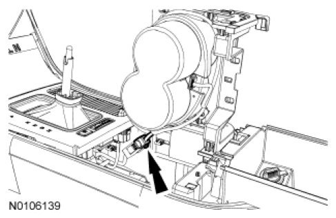
6. NOTE: Selector lever in DRIVE position for clarity.

Position the selector lever in NEUTRAL.

- Using a suitable tool, push the brake shift interlock override mechanism on the selector lever forward.

- Apply the brake.

- Press the button on the selector lever and position the selector lever in NEUTRAL.





7. Connect the cup holder electrical connector and install the cup holder.





8. Install the cup holder retaining screws.





9. Install the cup holder lid trim panel.





10. Install the center console trim.





11. Start the vehicle.