Curiosii for ever!: Car repair manuals for everyone.

Blower Motor: Service and Repair




Blower Motor









Removal and Installation

MKZ vehicles

1. Remove the RH lower instrument panel insulator.

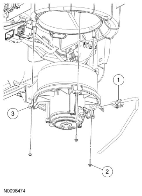
All vehicles

2. Disconnect the blower motor electrical connector.

3. Remove the 3 blower motor screws.

4. Remove the blower motor.

5. To install, reverse the removal procedure.