Curiosii for ever!: Car repair manuals for everyone.

Transmission Speed Sensor: Service and Repair




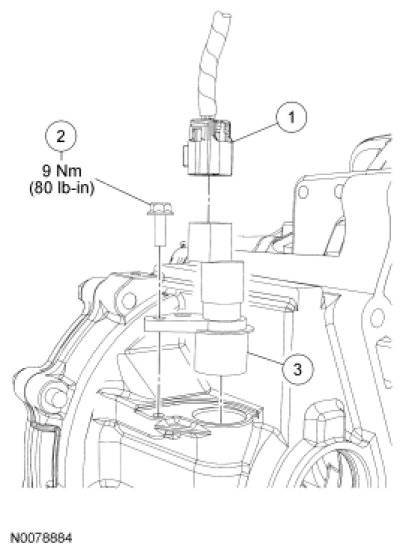
Vehicle Speed Sensor (VSS)













Removal and Installation

1. With the vehicle in NEUTRAL, position it on a hoist. For additional information, refer to Vehicle Jacking and Lifting.

2. Disconnect the Vehicle Speed Sensor (VSS) electrical connector.





3. Remove the VSS bolt.
- To install, tighten to 9 Nm (80 lb-in).

4. Remove the VSS.
- Discard the O-ring.

5. To install, reverse the removal procedure.
- Apply clean manual transaxle fluid to a new O-ring and install it on the VSS.