Curiosii for ever!: Car repair manuals for everyone.

Part 2




Engine















Engine Upper











Engine Upper - LH Cylinder Head











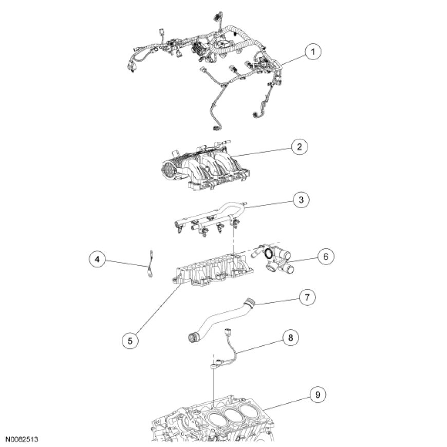
Engine Upper - RH Cylinder Head











Engine Front

NOTE: Early build engine shown, late build similar.













Engine Lower (View 1)











Lower Engine Block (View 2)









NOTICE: During engine repair procedures, cleanliness is extremely important. All parts must be thoroughly cleaned and any foreign material, including any material created while cleaning gasket surfaces, that enters the oil passages, coolant passages or the oil pan, can cause engine failure.

NOTICE: Early build vehicle (built before July 6, 2009) cooling systems are filled with Motorcraft(R) Premium Gold Engine Coolant. Late build vehicle (built on or after July 6, 2009) cooling systems are filled with Motorcraft(R) Specialty Green Engine Coolant. Mixing coolant types degrades the corrosion protection of the coolant. Do not mix coolant types. Failure to follow these instructions may result in engine or cooling system damage.

NOTICE: Early build engines have 11 fastener valve covers, late built engines have 9 fastener valve covers. Do not attempt to install bolts in the 2 empty late build valve cover holes or damage to the valve cover will occur.

NOTE: On early build engines, the timing chain rides on the inner side of the RH timing chain guide. Late build engines are equipped with a different design RH timing chain guide that requires the timing chain to ride on the outer side of the RH timing chain guide. For service, all replacement RH timing chain guides will be the late build design.

NOTE: Assembly of the engine requires various inspections/measurements of the engine components (engine block, crankshaft, connecting rods, pistons and piston rings). These inspections/measurements will aid in determining if the engine components will require replacement. For additional information, refer to Engine.

Engines equipped with early build RH timing chain guides

51. Install the RH primary timing chain guide and the 2 bolts.
- Tighten to 10 Nm (89 lb-in).





Engines equipped with late build/replacement RH timing chain guides

52. Install the RH primary timing chain guide and the 2 bolts.
- Tighten to 10 Nm (89 lb-in).





All vehicles

53. Install the RH secondary timing chain tensioner and the 2 bolts.
- Tighten to 10 Nm (89 lb-in).





54. NOTE: Use a camshaft sprocket bolt to turn the camshafts.

Rotate the RH camshafts to the Top Dead Center (TDC) position and install the Camshaft Holding Tool on the flats of the camshafts.





55. Assemble the RH Variable Camshaft Timing (VCT) assembly, the RH exhaust camshaft sprocket and the RH secondary timing chain.
- Align the colored links with the timing marks.





56. Position the RH secondary timing assembly onto the camshafts.





57. Install 2 new bolts and the original washer. Tighten in 4 stages.
- Stage 1: Tighten to 40 Nm (30 lb-ft).

- Stage 2: Loosen one full turn.

- Stage 3: Tighten to 10 Nm (89 lb-in).

- Stage 4: Tighten 90 degrees.





58. Remove the lockpin from the RH secondary timing chain tensioner.





59. Install the LH secondary timing chain tensioner and the 2 bolts.
- Tighten to 10 Nm (89 lb-in).





60. NOTE: Use a camshaft sprocket bolt to turn the camshafts.

Rotate the LH camshafts to the Top Dead Center (TDC) position and install the Camshaft Holding Tool on the flats of the camshafts.





61. Assemble the LH VCT assembly, the LH exhaust camshaft sprocket and the LH secondary timing chain.
- Align the colored links with the timing marks.





62. Position the LH secondary timing assembly onto the camshafts.





63. Install 2 new bolts and the original washer. Tighten in 4 stages.
- Stage 1: Tighten to 40 Nm (30 lb-ft).

- Stage 2: Loosen one full turn.

- Stage 3: Tighten to 10 Nm (89 lb-in).

- Stage 4: Tighten 90 degrees.





64. Remove the lockpin from the LH secondary timing chain tensioner.





65. Rotate the crankshaft clockwise 60 degrees to the TDC position (crankshaft dowel pin at 11 o'clock).





66. Install the crankshaft timing chain sprocket.





67. Install the primary timing chain with the colored links aligned with the timing marks on the VCT assemblies and the crankshaft sprocket.





68. Install the upper LH primary timing chain guide and the 2 bolts.
- Tighten to 10 Nm (89 lb-in).





69. Install the lower LH primary timing chain guide and the 2 bolts.
- Tighten to 10 Nm (89 lb-in).





70. Install the primary timing chain tensioner arm.





71. Reset the primary timing chain tensioner.
- Rotate the lever counterclockwise.

- Using a soft-jawed vise, compress the plunger.

- Align the hole in the lever with the hole in the tensioner housing.

- Install a suitable lockpin.





72. NOTE: It may be necessary to rotate the crankshaft slightly to remove slack from the timing chain and install the tensioner.

Install the primary tensioner and the 2 bolts.

- Tighten to 10 Nm (89 lb-in).

- Remove the lockpin.





73. As a post-check, verify correct alignment of all timing marks.





74. Inspect the VCT housing seals for damage and replace as necessary.





75. NOTICE: Make sure the dowels on the Variable Camshaft Timing (VCT) housing are fully engaged in the cylinder head prior to tightening the bolts. Failure to follow this process will result in severe engine damage.

Install the LH VCT housing and the 3 bolts.

- Tighten in the sequence shown to 10 Nm (89 lb-in).





76. NOTICE: Make sure the dowels on the Variable Camshaft Timing (VCT) housing are fully engaged in the cylinder head prior to tightening the bolts. Failure to follow this process will result in severe engine damage.

Install the RH VCT housing and the 3 bolts.

- Tighten in the sequence shown to 10 Nm (89 lb-in).





77. Install the Alignment Pins.





78. NOTICE: Failure to use Motorcraft High Performance Engine RTV Silicone may cause the engine oil to foam excessively and result in serious engine damage.

NOTE: The engine front cover and bolts 17, 18, 19 and 20 must be installed within 4 minutes of the initial sealant application. The remainder of the engine front cover bolts and the engine mount bracket bolts must be installed and tightened within 35 minutes of the initial sealant application. If the time limits are exceeded, the sealant must be removed, the sealing area cleaned and sealant reapplied. To clean the sealing area, use silicone gasket remover and metal surface prep. Failure to follow this procedure can cause future oil leakage.

Apply a 3.0 mm (0.11 in) bead of Motorcraft High Performance Engine RTV Silicone to the engine front cover sealing surfaces including the 3 engine mount bracket bosses.

- Apply a 5.5 mm (0.21 in) bead of Motorcraft High Performance Engine RTV Silicone to the oil pan-to-cylinder block joint and the cylinder head-to-cylinder block joint areas of the engine front cover in 5 places as indicated.





79. NOTE: Make sure the 2 locating dowel pins are seated correctly in the cylinder block.

Install the engine front cover and bolts 17, 18, 19 and 20.

- Tighten in sequence to 3 Nm (27 lb-in).





80. Remove the Alignment Pins.





81. NOTE: Do not tighten the bolts at this time.

Install the engine mount bracket and the 3 bolts.





82. NOTICE: Do not expose the Motorcraft High Performance Engine RTV Silicone to engine oil for at least 90 minutes after installing the engine front cover. Failure to follow this instruction may cause oil leakage.

Install the remaining engine front cover bolts. Tighten all of the engine front cover bolts and engine mount bracket bolts in the sequence shown in 2 stages:

- Stage 1: Tighten bolts 1 thru 22 to 10 Nm (89 lb-in) and bolts 23, 24 and 25 to 15 Nm (133 lb-in).

- Stage 2: Tighten bolts 1 thru 22 to 24 Nm (18 lb-ft) and bolts 23, 24 and 25 to 75 Nm (55 lb-ft).





83. NOTICE: The thread sealer on the engine mount studs (including new engine mount studs if applicable) must be cleaned off with a wire brush and new Threadlock and Sealer applied prior to installing the engine mount studs. Failure to follow this procedure may result in damage to the engine mount studs or engine.
Install the engine mount studs in the following sequence.

1. Clean the front cover engine mount stud holes with pressurized air to remove any foreign material.

2. Clean all the thread sealer from the engine mount studs (old and new studs).

3. Apply new Threadlock and Sealer to the engine mount stud threads.

4. Install the 2 engine mount studs.
- Tighten to 20 Nm (177 lb-in).





84. Install the engine mount bracket and the 2 bolts.
- Tighten to 24 Nm (18 lb-ft).





85. NOTE: Apply clean engine oil to the crankshaft front seal bore in the engine front cover.

Using the Front Crankshaft Seal Installer and Crankshaft Vibration Damper Installer, install a new crankshaft front seal.





86. NOTE: Lubricate the outside diameter sealing surfaces with clean engine oil.

Using the Front Cover Oil Seal Installer and Crankshaft Vibration Damper Installer, install the crankshaft pulley.





87. Using the Strap Wrench, install the crankshaft pulley washer and new bolt and tighten in 4 stages.
- Stage 1: Tighten to 120 Nm (89 (lb-ft).

- Stage 2: Loosen one full turn.

- Stage 3: Tighten to 50 Nm (37 lb-ft).

- Stage 4: Tighten an additional 90 degrees.





88. NOTE: Installation of new seals is only required if damaged seals were removed during disassembly of the engine.

NOTE: Spark plug tube seal installation shown, VCT solenoid seal installation similar.
Using the VCT Spark Plug Tube Seal Installer and Handle, install new VCT solenoid and/or spark plug tube seals.





89. NOTICE: Failure to use Motorcraft High Performance Engine RTV Silicone may cause the engine oil to foam excessively and result in serious engine damage.

NOTE: If the valve cover is not installed and the fasteners tightened within 4 minutes, the sealant must be removed and the sealing area cleaned. To clean the sealing area, use silicone gasket remover and metal surface prep. Failure to follow this procedure can cause future oil leakage.

Apply an 8 mm (0.31 in) bead of Motorcraft High Performance Engine RTV Silicone to the engine front cover-to-RH cylinder head joints.





Early build vehicles

90. Using a new gasket, install the RH valve cover, bolt and the 10 stud bolts.
- Tighten in the sequence shown to 10 Nm (89 lb-in).





Late build vehicles

91. Using a new gasket, install the RH valve cover and tighten the 9 stud bolts.
- Tighten in the sequence shown to 10 Nm (89 lb-in).





All vehicles

92. NOTICE: Failure to use Motorcraft High Performance Engine RTV Silicone may cause the engine oil to foam excessively and result in serious engine damage.

NOTE: If the valve cover is not installed and the fasteners tightened within 4 minutes, the sealant must be removed and the sealing area cleaned. To clean the sealing area, use silicone gasket remover and metal surface prep. Failure to follow this procedure can cause future oil leakage.

Apply an 8 mm (0.31 in) bead of Motorcraft High Performance Engine RTV Silicone to the engine front cover-to-LH cylinder head joints.





Early build vehicles

93. Using a new gasket, install the LH valve cover and 11 stud bolts.
- Tighten in the sequence shown to 10 Nm (89 lb-in).





Late build vehicles

94. Using a new gasket, install the LH valve cover and tighten the 9 stud bolts.
- Tighten in the sequence shown to 10 Nm (89 lb-in).





All vehicles

95. Install the wiring harness retaining bracket and the 2 nuts.
- Tighten to 4 Nm (35 lb-in).





96. NOTE: LH shown, RH similar.

Install the 6 coil-on-plug assemblies and the 6 bolts.

- Tighten to 7 Nm (62 lb-in).





Late build vehicles

97. Using a new gasket, install the oil filter adapter and 3 bolts.
- Tighten to 10 Nm (89 lb-in).





Early build vehicles

98. Using a new gasket and O-ring seal, install the oil filter adapter and the 2 bolts.
- Tighten the large bolt to 57 Nm (42 lb-ft).

- Tighten the small bolt to 10 Nm (89 lb-in).





All vehicles

99. NOTE: Apply thread sealant with PTFE to the Engine Oil Pressure (EOP) switch threads.

Install the EOP switch.

- Tighten to 18 Nm (159 lb-in).





100. Install the Crankshaft Position (CKP) sensor and install the bolt.
- Tighten to 10 Nm (89 lb-in).