Curiosii for ever!: Car repair manuals for everyone.

Pinpoint Test AG: DTC U3003:16 (Front Controls Interface Module (FCIM))




Information and Entertainment System

Pinpoint Test AG: DTC U3003:16 (Front Controls Interface Module (FCIM))

Normal Operation
- DTC U3003:16 (Battery Voltage: Circuit Voltage Below Threshold) - set by the Front Controls Interface Module (FCIM) when the supply voltage falls below 10 volts for at least 10 seconds during normal operation, or for greater than 250 milliseconds during the self-test.

This pinpoint test is intended to diagnose the following:

- Wiring, terminals or connectors
- High circuit resistance
- FCIM



PINPOINT TEST AG: DTC U3003:16 (FCIM)

NOTE: Failure to disconnect the battery when instructed will result in false resistance readings. Refer to Battery.

-------------------------------------------------
AG1 RECHECK THE FCIM DTCs


- Ignition ON.
- Clear the FCIM DTCs.
- Wait at least 15 seconds.
- Repeat the FCIM self-test.
- Is DTC U3003:16 still present?

Yes
GO to AG2.

No
The system is operating correctly at this time. The DTC may have been set due to a previous low battery voltage condition.

-------------------------------------------------
AG2 CHECK FOR CHARGING SYSTEM DTCs IN THE PCM


- Retrieve the continuous DTCs from all modules.
- Is DTC P0620, P0622, P0625 or P065B set in the PCM?

Yes
REFER to Charging System.

No
GO to AG3.

-------------------------------------------------
AG3 CHECK THE BATTERY CONDITION AND STATE OF CHARGE


- Check the battery condition and verify that the battery is fully charged. Refer to Battery.
- Is the battery OK and fully charged?

Yes
GO to AG4.

No
REFER to Battery.

-------------------------------------------------
AG4 CHECK THE FCIM VOLTAGE SUPPLY


- Ignition OFF.
- Measure and record the voltage at the battery.
- Disconnect: FCIM C2402 (Without Navigation) or C2403 (With Navigation).
- Ignition ON.
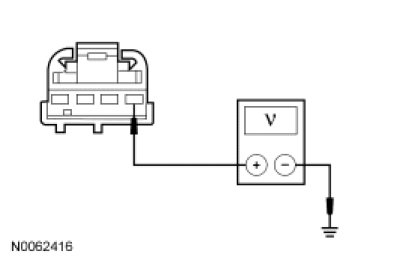
- For vehicles without navigation, measure the voltage between the FCIM C2402-1, circuit SBP16 (VT/RD), harness side and ground.




- For vehicles with navigation, measure the voltage between the FCIM C2403-5, circuit SBP16 (VT/RD), harness side and ground.




- Is the voltage at the FCIM within 0.2 volt of the recorded battery voltage?

Yes
GO to AG5.

No
REPAIR the circuit for high resistance. CLEAR the DTCs. REPEAT the self-test.

-------------------------------------------------
AG5 CHECK THE FCIM GROUND CIRCUIT FOR CONTINUITY


- Ignition OFF.
- Disconnect: Negative Battery Cable.
- For vehicles without navigation, measure the resistance between the FCIM C2402-4, circuit GD114 (BK/BU), harness side and ground.




- For vehicles with navigation, measure the resistance between the FCIM C2403-8, circuit GD114 (BK/BU), harness side and ground.




- Is the resistance less than 5 ohms?

Yes
GO to AG6.

No
REPAIR the circuit for high resistance. CLEAR the DTCs. REPEAT the self-test.

-------------------------------------------------
AG6 CHECK FOR CORRECT FCIM OPERATION


- Ignition OFF.
- Connect: Negative Battery Cable.
- Disconnect the FCIM connector.
- Check for:
- corrosion
- damaged pins
- pushed-out pins
- Connect the FCIM connector and make sure it seats correctly.
- Operate the system and determine if the concern is still present.
- Is the concern still present?

Yes
INSTALL a new FCIM. REFER to Front Controls Interface Module (FCIM) - Without Navigation Front Controls Interface Module (FCIM) - Without Navigation or Front Controls Interface Module (FCIM) - With Navigation Front Controls Interface Module (FCIM) - With Navigation. TEST the system for normal operation.

No
The system is operating correctly at this time. The concern may have been caused by a loose or corroded connector.

-------------------------------------------------