Curiosii for ever!: Car repair manuals for everyone.

Pinpoint Test E: The HVAC Module Does Not Respond to the Scan Tool




Communications Network

Pinpoint Tests

Pinpoint Test E: The HVAC Module Does Not Respond To The Scan Tool

Refer to Wiring Diagram Set 14, Module Communications Network for schematic and connector information. Diagrams By Number

Refer to Wiring Diagram Set 55, Automatic Climate Control System for schematic and connector information. Diagrams By Number

Normal Operation

The HVAC module communicates with the scan tool through the Standard Corporate Protocol (SCP) communication network. Circuits 914 (TN/OG) (SCP +) and 915 (PK/LB) (SCP-) provide the network connection to the HVAC module. Voltage for the HVAC module is provided by circuits 1812 (BN/WH) and 1566 (RD/YE). Circuit 57 (BK) provides ground.

This pinpoint test is intended to diagnose the following:

- Fuse
- Wiring, terminals or connectors
- HVAC module



PINPOINT TEST E: THE HVAC MODULE DOES NOT RESPOND TO THE SCAN TOOL

NOTICE: Use the correct probe adapter(s) when making measurements. Failure to use the correct probe adapter(s) may damage the connector.

NOTE: Failure to disconnect the battery will result in false resistance readings. Refer to Battery.

-------------------------------------------------
E1 CHECK THE HVAC MODULE VOLTAGE SUPPLY CIRCUITS FOR AN OPEN


- Ignition OFF.
- Disconnect the scan tool cable from the Data Link Connector (DLC).
- Disconnect: HVAC Module C228b.
- Ignition ON.
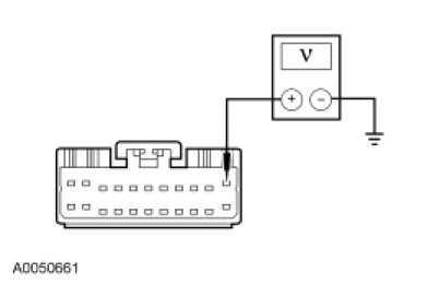
- Measure the voltage between the HVAC module C228b-22, circuit 1812 (BN/WH) and ground.




- Measure the voltage between the HVAC module C228b-11, circuit 1566 (RD/YE) and ground.




- Are the voltages greater than 10 volts?

Yes
GO to E2.

No
VERIFY the Central Junction Box (CJB) fuse 15 (10A) or 25 (10A) is OK. If OK, REPAIR the circuit in question. If not OK, REFER to the Wiring Diagrams to identify the possible causes of the short circuit. CLEAR the DTCs. REPEAT the network test with the scan tool.

-------------------------------------------------
E2 CHECK THE HVAC MODULE GROUND CIRCUIT FOR AN OPEN


- Ignition OFF.
- Disconnect: Negative Battery Cable.
- Disconnect: HVAC Module C228a.
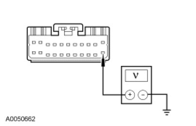
- Measure the resistance between the HVAC module C228a-2, circuit 57 (BK) and ground.




- Is the resistance less than 5 ohms?

Yes
GO to E3.

No
REPAIR the circuit. CONNECT the negative battery cable. CLEAR the DTCs. REPEAT the network test with the scan tool.

-------------------------------------------------
E3 CHECK THE SCP CIRCUITS BETWEEN THE DLC AND THE HVAC MODULE FOR AN OPEN


- Measure the resistance between the HVAC module C228b-12, circuit 914 (TN/OG), harness side and the DLC C251-2, circuit 914 (TN/OG), harness side.




- Measure the resistance between the HVAC module C228b-1, circuit 915 (PK/LB), harness side and the DLC C251-10, circuit 915 (PK/LB), harness side.




- Are the resistances less than 5 ohms?

Yes
CONNECT the negative battery cable. GO to E4.

No
REPAIR the circuit in question. CONNECT the negative battery cable. CLEAR the DTCs. REPEAT the network test with the scan tool.

-------------------------------------------------
E4 CHECK FOR CORRECT HVAC MODULE OPERATION


- Disconnect all the HVAC module connectors.
- Check for:
- corrosion
- damaged pins
- pushed-out pins
- Connect all the HVAC module connectors and make sure they seat correctly.
- Operate the system and verify the concern is still present.
- Is the concern still present?

Yes
INSTALL a new HVAC module. CLEAR the DTCs. REPEAT the network test with the scan tool.

No
The system is operating correctly at this time. The concern may have been caused by a loose or corroded connector. CLEAR the DTCs. REPEAT the network test with the scan tool.

-------------------------------------------------