Curiosii for ever!: Car repair manuals for everyone.

Information Bus: Description and Operation




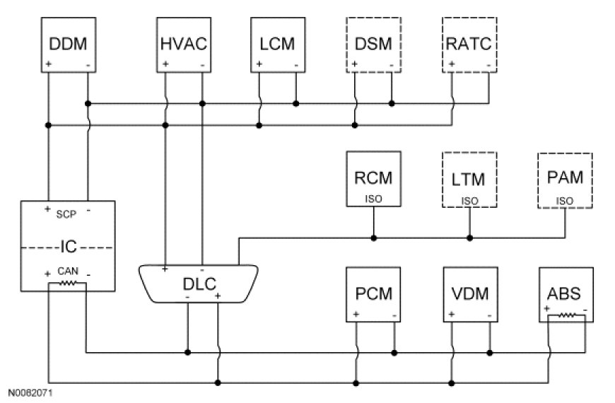
Communications Network

Vehicle communication utilizes a High Speed Controller Area Network (HS-CAN), ISO 9141 network and Standard Corporate Protocol (SCP) network. Information is sent to and from individual control modules that each control specific functions. All 3 networks are connected to the Data Link Connector (DLC). The DLC can be found under the instrument panel between the steering column and the Audio Control Module (ACM).

The 3 module communication networks are:

- ISO 9141
- Standard Corporate Protocol (SCP)
- High Speed Controller Area Network (HS-CAN)

The ISO 9141 network is for diagnostic use only, while the SCP and the HS-CAN allow multiple modules to communicate, or transfer data, with each other on a common network. The HS-CAN is used for module to module communication, as well as diagnostics. The HS-CAN enables each module to share information with any module on the same network. Any module that is directly wired to a sensor may broadcast its data using a network message to any module requiring that information on the network.

Network Topology









ISO 9141 Network Operation

The ISO 9141 communications network is a single wire network, used for diagnostic purposes only.

The ISO 9141 communications network is used for the following modules:

- LTM
- PAM
- RCM

Standard Corporate Protocol (SCP) Communication Network

The SCP network has an unshielded twisted pair cable, data bus (+) and data bus (-) circuits. In addition to scan tool communication, this network allows sharing of information between all modules on the network.

The SCP communication network is used for the following modules:

- DDM
- DSM
- HVAC module
- IC
- LCM
- RATC module

High Speed Controller Area Network (HS-CAN) Operation

The HS-CAN uses an unshielded twisted pair cable, data bus (+) and data bus (-) circuits. In addition to scan tool communication, this network allows sharing of information between all modules on the network.

The HS-CAN is a high speed communication network used for the following modules:

- ABS module
- IC
- PCM
- VDM

Network Termination

The HS-CAN uses a network termination circuit to improve communication reliability. The network termination of the HS-CAN takes place inside the termination modules (ABS module and IC) by termination resistors. Termination modules are located at either end of the bus network. As network messages are broadcast, in the form of voltage signals, the network voltage signals are stabilized by the termination resistors. Each termination module has a 120 ohm resistor across the positive and negative bus connection in the termination module. With two termination modules on each network, and the 120 ohm resistors located in a parallel circuit configuration, the total network impedance, or total resistance is 60 ohms.

Network termination improves bus message reliability by:

- stabilizing bus voltage.
- eliminating electrical interference.

Gateway Module

The IC is the gateway module, translating HS-CAN to SCP and vice versa. This information allows a message to be distributed throughout both networks. The IC is the only module on this vehicle that has this ability.