Curiosii for ever!: Car repair manuals for everyone.

Lower Intake Manifold




Lower Intake Manifold









Removal

NOTICE: During engine repair procedures, cleanliness is extremely important. Any foreign material, including any material created while cleaning gasket surfaces that enters the oil passages, coolant passages or the oil pan, can cause engine failure.

1. With the vehicle in NEUTRAL, position it on a hoist.

2. Remove the fuel rail.

3. Drain the cooling system.

4. Remove the 2 thermostat housing-to-lower intake manifold bolts.

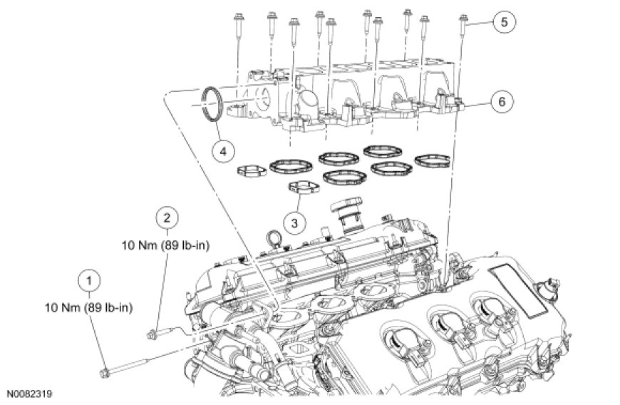
5. Remove the 10 bolts and the lower intake manifold.
- Remove and discard the intake manifold and thermostat housing gaskets.

- Clean and inspect all sealing surfaces.

Installation

1. NOTICE: If the engine is repaired or replaced because of upper engine failure, typically including valve or piston damage, check the intake manifold for metal debris. If metal debris is found, install a new intake manifold. Failure to follow these instructions can result in engine damage.

Using new intake manifold and thermostat housing gaskets, install the lower intake manifold and the 10 bolts.

- Tighten in the sequence shown to 10 Nm (89 lb-in).





2. Install the 2 thermostat housing-to-lower intake manifold bolts.
- Tighten to 10 Nm (89 lb-in).

3. Install the fuel rail.

4. Fill and bleed the cooling system.