Curiosii for ever!: Car repair manuals for everyone.

Pinpoint Test K: The Defrost System Will Not Shut Off Automatically - MKZ




Glass, Frames and Mechanisms

Pinpoint Tests

Pinpoint Test K: The Defrost System Will Not Shut Off Automatically - MKZ

Refer to Wiring Diagram Set 56, Heated Window for schematic and connector information. Diagrams By Number

Normal Operation

The rear window defrost relay (integral to the Smart Junction Box (SJB)), receives power from circuit SBB06 (BN/RD). When the rear window defrost switch (integral to the HVAC module) is pressed, a signal is sent to the SJB through circuit CH122 (WH/OG). Once the SJB receives the signal to turn on the rear window defrost, the SJB grounds the rear window defrost relay coil, which sends power through the antenna module to the rear window defrost grid through circuit CLS38 (VT/WH).

This pinpoint test is intended to diagnose the following:
- Wiring, terminals or connectors
- Antenna module
- SJB



PINPOINT TEST K: THE DEFROST SYSTEM WILL NOT SHUT OFF AUTOMATICALLY - MKZ

-------------------------------------------------
K1 CHECK CIRCUIT CLS38 (VT/WH) FOR SHORT TO VOLTAGE


- Disconnect: SJB C2280E.
- Ignition ON.
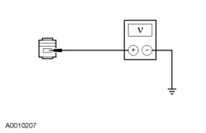
- Measure the voltage across the rear window defrost grid terminals.
- Is the voltage greater than 10 volts?

Yes
GO to K2.

No
INSTALL a new SJB. REFER to Body Control Systems for the removal and installation procedure. TEST the system for normal operation.

-------------------------------------------------
K2 CHECK CIRCUIT CLS38 (VT/WH) FOR SHORT TO VOLTAGE


- Disconnect: Antenna module C4194B.
- Ignition ON.
- Measure the voltage between antenna module C4194B-1, circuit CLS38 (VT/WH), harness side and ground.




- Is the voltage greater than 10 volts?

Yes
INSPECT antenna module jumper harness for damage and repair as necessary. If jumper harness is OK, INSTALL a new antenna module. TEST the system for normal operation.

No
REPAIR the short to voltage in circuit CLS38 (VT/WH). TEST the system for normal operation.

-------------------------------------------------