Curiosii for ever!: Car repair manuals for everyone.

Pinpoint Test J: The Defrost System is Inoperative - MKZ




Glass, Frames and Mechanisms

Pinpoint Tests

Pinpoint Test J: The Defrost System is Inoperative - MKZ

Refer to Wiring Diagram Set 56, Heated Window for schematic and connector information. Diagrams By Number

Normal Operation

The rear window defrost relay (integral to the Smart Junction Box (SJB)), receives power from circuit SBB06 (BN/RD). When the rear window defrost switch (integral to the HVAC module) is pressed, a signal is sent to the SJB through circuit CH122 (WH/OG). Once the SJB receives the signal to turn on the rear window defrost, the SJB grounds the rear window defrost relay coil, which sends power through the antenna module to the rear window defrost grid through circuit CLS38 (VT/WH).

- DTC B1345 Heated Backlite Input Circuit Short To Ground - Switch input shorted to ground

This pinpoint test is intended to diagnose the following:
- Fuse(s)
- Wiring, terminals or connectors
- Inoperative SJB
- Antenna module
- HVAC module
- Rear window defrost grid



PINPOINT TEST J: THE DEFROST SYSTEM IS INOPERATIVE - MKZ

-------------------------------------------------
J1 CHECK THE DTCs


- Refer to the results from the previous SJB self-test.
- Was DTC B1345 retrieved?

Yes
GO to J2.

No
GO to J3.

-------------------------------------------------
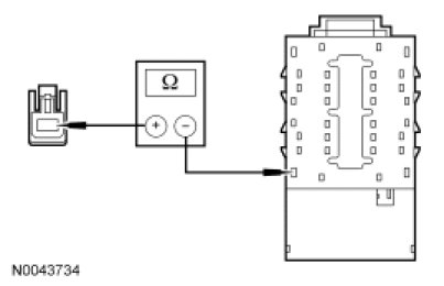
J2 CHECK CIRCUIT CH122 (WH/OG) FOR A SHORT TO GROUND


- Ignition OFF.
- Disconnect: SJB C2280D.
- Disconnect: HVAC Module C2356A.
- Measure the resistance between SJB C2280D-16, circuit CH122 (WH/OG), harness side and ground.




- Is the resistance greater than 10,000 ohms?

Yes
INSTALL a new HVAC module. REFER to Heating and Air Conditioning. REPEAT the self-test. TEST the system for normal operation.

No
REPAIR the circuit. CLEAR the DTCs. REPEAT the self-test. TEST the system for normal operation.

-------------------------------------------------
J3 CHECK THE SJB REAR DEFROST SWITCH REQUEST PID (RDEF_SW)


- Start the engine.
- Enter the following diagnostic mode on the scan tool: DataLogger - SJB.
- Monitor the SJB PID RDEF_SW while pressing the rear defrost switch.
- Does the PID value agree with the rear defrost switch when pressed?

Yes
GO to J5.

No
GO to J4.

-------------------------------------------------
J4 CHECK CIRCUIT CH122 (WH/OG) FOR AN OPEN CIRCUIT


- Ignition OFF.
- Disconnect: SJB C2280D.
- Disconnect: HVAC Module C2356A.
- Measure the resistance between SJB C2280D-16, circuit CH122 (WH/OG), harness side and HVAC module C2356A-10, circuit CH122 (WH/OG), harness side.




- Is the resistance less than 5 ohms?

Yes
INSTALL a new HVAC module. REFER to Heating and Air Conditioning. TEST the system for normal operation.

No
REPAIR the circuit. TEST the system for normal operation.

-------------------------------------------------
J5 CHECK THE SJB OUTPUT


- Turn the rear defroster ON. Measure the voltage across the rear window defrost grid terminals.
- Is the voltage greater than 10 volts?

Yes
REPAIR the rear window defrost grid or INSTALL a new rear window glass. REFER to Window Grid Wire Repair Window Grid Wire Repair, Window Glass - Rear Removal and Replacement. TEST the system for normal operation.

No
GO to J6.

-------------------------------------------------
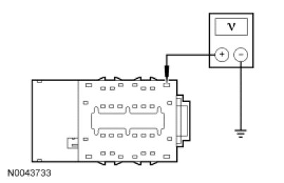
J6 CHECK CIRCUIT CLS38 (VT/WH) VOLTAGE


- Ignition OFF.
- Connect: SJB C2280A.
- Disconnect: Antenna module C4194B.
- Ignition ON.
- Turn the rear defroster ON.
- Measure the voltage between antenna module C4194B-1, circuit CLS38 (VT/WH), harness side and ground.




- Is the voltage greater than 10 volts?

Yes
INSPECT antenna module jumper harness and rear window defrost grid ground circuit for damage and repair as necessary. If jumper harness and defrost grid ground wire are OK, INSTALL a new antenna module.

No
VERIFY SJB fuse 8 (30A) is OK. If OK, GO to J7. If not OK, REFER to the Wiring Diagrams to identify the possible causes of the circuit short. TEST the system for normal operation.

-------------------------------------------------
J7 CHECK FOR POWER TO THE SJB REAR WINDOW DEFROST CIRCUIT


- Ignition OFF.
- Disconnect: SJB C2280A.
- Measure the voltage between SJB C2280A-29, circuit SBB06 (BN/RD), harness side and ground.




- Is the voltage greater than 10 volts?

Yes
GO to J8.

No
VERIFY Battery Junction Box (BJB) fuse 6 (40A) is OK. If OK, REPAIR the circuit. If not OK, REFER to the Wiring Diagrams to identify the possible causes of the circuit short. TEST the system for normal operation.

-------------------------------------------------
J8 CHECK CIRCUIT CLS38 (VT/WH) FOR AN OPEN


- Disconnect: SJB C2280E.
- Ignition OFF.
- Measure the resistance between SJB C2280E-1, circuit CLS38 (VT/WH), harness side and antenna module C4194B-1, circuit CLS38 (VT/WH), harness side.




- Is the resistance less than 5 ohms?

Yes
GO to J9.

No
REPAIR the circuit(s). TEST the system for normal operation.

-------------------------------------------------
J9 CHECK FOR CORRECT SJB OPERATION


- Disconnect all SJB connectors.
- Check for:
- corrosion.
- pushed-out pins.
- Connect all SJB connectors and make sure they seat correctly.
- Operate the system and verify the concern is still present.
- Is the concern still present?

Yes
INSTALL a new SJB. REFER to Body Control Systems for the removal and installation procedure. TEST the system for normal operation.

No
The system is operating correctly at this time. Concern may have been caused by a loose or corroded connector. CLEAR the DTCs. REPEAT the self-test. TEST the system for normal operation.

-------------------------------------------------