Curiosii for ever!: Car repair manuals for everyone.

E15-E28




Air Bag and Safety Belt Pretensioner Supplemental Restraint System (SRS)

Pinpoint Tests - Restraints Control Module (RCM)

Pinpoint Test E: DTC B2292

Refer to Wiring Diagram Set 46, Supplemental Restraint System for schematic and connector information. Diagrams By Number

Normal Operation

The Restraints Control Module (RCM) continuously monitors the safety belt retractor pretensioner circuits for an acceptable resistance range, unacceptable voltage and shorts to ground. The RCM will store DTC B2292 in memory if any of these conditions are detected. If the RCM detects a fault, it will send a message to the Instrument Cluster (IC) module to illuminate the air bag warning indicator.

As the RCM continuously monitors safety belt retractor pretensioner circuits for resistance, it expects a normal resistance between 1.31 and 4.29 ohms.

If a loop resistance is between 0.9 and 1.31 or between 4.29 and 5 ohms, there exists a strong potential for an intermittent fault, a DTC may or may not set. The RCM will also set an on-demand DTC if the loop resistance is less than 0.9 ohm or greater than 5 ohms.





a Fault PIDs that end in OD indicate an on-demand status and are associated with on-demand DTC B2292. Fault PIDs that end in CM indicate continuous memory status and are associated with continuous memory DTC B2292.

This pinpoint test is intended to diagnose the following:
- Wiring, terminals or connectors
- Safety belt retractor pretensioner
- RCM



PINPOINT TEST E: DTC B2292

WARNING: Never probe the electrical connectors on safety belt buckle/retractor pretensioners or adaptive load limiting retractors. Failure to follow this instruction may result in the accidental deployment of the safety belt pretensioners or adaptive load limiting retractors, which increases the risk of serious personal injury or death.

WARNING: Never probe the electrical connectors on air bag, Safety Canopy(R) or side air curtain modules. Failure to follow this instruction may result in the accidental deployment of these modules, which increases the risk of serious personal injury or death.

NOTICE: Use the correct probe adapter(s) from the Flex Probe Kit when making measurements. Failure to use the correct probe adapter(s) may damage the connector.

Most faults are due to connector and/or wiring concerns. Carry out a thorough inspection and verification before proceeding with the pinpoint test.
Inspection and Verification

NOTE: Supplemental Restraint System (SRS) components should only be disconnected or reconnected when instructed to do so within a pinpoint test step. Failure to follow this instruction may result in incorrect diagnosis of the SRS.

NOTE: The SRS must be fully operational and free of faults before releasing the vehicle to the customer.

-------------------------------------------------
E15 CHECK FOR A SHORT BETWEEN THE PASSENGER SAFETY BELT RETRACTOR PRETENSIONER CIRCUITS


- Ignition OFF.
- Depower the SRS. Refer to Supplemental Restraint System (SRS) Depowering and Repowering Supplemental Restraint System (SRS) Depowering and Repowering.
- Disconnect: RCM C310a and C310b.
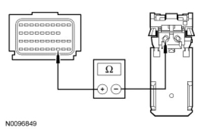
- Measure resistance between passenger safety belt retractor pretensioner C3202-1, circuit CR121 (GY/VT), harness side and C3202-2, circuit RR121 (VT), harness side.




- Is the resistance greater than 10,000 ohms?

Yes
GO to E23.

No
REPAIR circuits CR121 (GY/VT) and RR121 (VT). GO to E28.

-------------------------------------------------
E16 CHECK PASSENGER SAFETY BELT PRETENSIONER FAULT PIDs FOR A STATUS CHANGE (OPEN INDICATED)


NOTE: This pinpoint test step will attempt to change the fault reported by the RCM by inducing a different fault condition. If the fault reported changes, this indicates the RCM is functioning correctly and is not the source of the fault.

- Ignition OFF.
- Depower the SRS. Refer to Supplemental Restraint System (SRS) Depowering and Repowering Supplemental Restraint System (SRS) Depowering and Repowering.
- Disconnect: Passenger Safety Belt Retractor Pretensioner C3202.
- Connect a jumper wire between passenger safety belt pretensioner C3202-1, circuit CR121 (GY/VT), harness side and C3202-2, circuit RR121 (VT), harness side.
- Repower the SRS. Do not prove out the SRS at this time. Refer to Supplemental Restraint System (SRS) Depowering and Repowering Supplemental Restraint System (SRS) Depowering and Repowering.
- Ignition ON.
- Enter the following diagnostic mode on the scan tool: Self Test - RCM.
- Enter the following diagnostic mode on the scan tool: DataLogger - RCM - View and Record The Following Fault PIDs.
- 2292_26_OD (Pretensioner Circuit Open, Front Passenger Side)
- 2292_27_OD (Pretensioner Circuit Resistance Low, Front Passenger Side)
- DIAGNOSTIC TIP: When viewing DTC B2292 on-demand fault PIDs with the passenger pretensioner circuits shorted together, a low resistance fault would normally be retrieved.
- Did the on-demand fault PID change from an open circuit to a low resistance fault?

Yes
GO to E22.

No
GO to E17.

-------------------------------------------------
E17 CHECK CIRCUIT RR121 (VT) FOR AN OPEN


- Ignition OFF.
- Depower the SRS. Refer to Supplemental Restraint System (SRS) Depowering and Repowering Supplemental Restraint System (SRS) Depowering and Repowering.
- Remove the jumper wire from passenger safety belt retractor pretensioner C3202.
- Disconnect: RCM C310a and C310b.
- Measure resistance between RCM C310b-33, circuit RR121 (VT), harness side and passenger safety belt retractor pretensioner C3202-2, circuit RR121 (VT), harness side.




- Is the resistance less than 0.5 ohm?

Yes
GO to E18.

No
REPAIR circuit RR121 (VT). GO to E28.

-------------------------------------------------
E18 CHECK CIRCUIT CR121 (GY/VT) FOR AN OPEN


- Measure resistance between RCM C310b-34, circuit CR121 (GY/VT), harness side and passenger safety belt retractor pretensioner C3202-1, circuit CR121 (GY/VT), harness side.




- Is the resistance less than 0.5 ohm?

Yes
GO to E23.

No
REPAIR circuit CR121 (GY/VT). GO to E28.

-------------------------------------------------
E19 CHECK PASSENGER SAFETY BELT RETRACTOR PRETENSIONER FAULT PIDs FOR A STATUS CHANGE (SHORT TO GROUND INDICATED)


NOTE: This pinpoint test step will attempt to change the fault reported by the RCM by inducing a different fault condition. If the fault reported changes, this indicates the RCM is functioning correctly and is not the source of the fault.

- Ignition OFF.
- Depower the SRS. Refer to Supplemental Restraint System (SRS) Depowering and Repowering Supplemental Restraint System (SRS) Depowering and Repowering.
- Disconnect: Passenger Safety Belt Retractor Pretensioner C3202.
- Repower the SRS. Do not prove out the SRS at this time. Refer to Supplemental Restraint System (SRS) Depowering and Repowering Supplemental Restraint System (SRS) Depowering and Repowering.
- Ignition ON.
- Enter the following diagnostic mode on the scan tool: Self Test - RCM.
- Enter the following diagnostic mode on the scan tool: DataLogger - RCM - View and Record The Following Fault PIDs.
- 2292_24_OD (Pretensioner Circuit Short to Ground, Front Passenger Side)
- 2292_26_OD (Pretensioner Circuit Open, Front Passenger Side)
- DIAGNOSTIC TIP: When viewing DTC B2292 on-demand fault PIDs with the passenger pretensioner disconnected, an open circuit fault would normally be retrieved.
- Did the on-demand fault PID change from a short to ground to an open circuit fault?

Yes
GO to E22.

No
GO to E20.

-------------------------------------------------
E20 CHECK PASSENGER SAFETY BELT RETRACTOR PRETENSIONER CIRCUITS FOR A SHORT TO GROUND


- Ignition OFF.
- Depower the SRS. Refer to Supplemental Restraint System (SRS) Depowering and Repowering Supplemental Restraint System (SRS) Depowering and Repowering.
- Disconnect: RCM C310a and C310b.
- Measure resistance between passenger safety belt retractor pretensioner:
- C3202-2, circuit RR121 (VT), harness side and ground.
- C3202-1, circuit CR121 (GY/VT), harness side and ground.




- Are the resistances greater than 10,000 ohms?

Yes
GO to E23.

No
REPAIR circuit RR121 (VT) or CR121 (GY/VT). GO to E28.

-------------------------------------------------
E21 CHECK PASSENGER SAFETY BELT RETRACTOR PRETENSIONER CIRCUITS FOR A SHORT TO VOLTAGE


- Ignition OFF.
- Depower the SRS. Refer to Supplemental Restraint System (SRS) Depowering and Repowering Supplemental Restraint System (SRS) Depowering and Repowering.
- Disconnect: Passenger Side Air Bag Module C314.
- Disconnect: Passenger Safety Belt Retractor Pretensioner C3202.
- Disconnect: RCM C310a and C310b.
- Repower the SRS. Do not prove out the SRS at this time. Refer to Supplemental Restraint System (SRS) Depowering and Repowering Supplemental Restraint System (SRS) Depowering and Repowering.
- Ignition ON.
- Measure voltage between:
- passenger safety belt retractor pretensioner C3202-2, circuit RR121 (VT), harness side and ground.
- passenger safety belt retractor pretensioner C3202-1, circuit CR121 (GY/VT), harness side and ground.




- Is voltage present on either circuit?

Yes
REPAIR circuit RR121 (VT) or CR121 (GY/VT). GO to E28.

No
GO to E23.

-------------------------------------------------
E22 CONFIRM SAFETY BELT RETRACTOR PRETENSIONER FAULT


NOTE: Make sure all restraint system components, sensor electrical connectors and the RCM electrical connectors are connected before carrying out the on-demand self test. If not, DTCs will be recorded.

- Ignition OFF.
- Depower the SRS. Refer to Supplemental Restraint System (SRS) Depowering and Repowering Supplemental Restraint System (SRS) Depowering and Repowering.
- Connect: Affected Safety Belt Retractor Pretensioner C323 (Driver) C3202 (Passenger).
- Repower the SRS. Do not prove out the SRS at this time. Refer to Supplemental Restraint System (SRS) Depowering and Repowering Supplemental Restraint System (SRS) Depowering and Repowering.
- Ignition ON.
- Enter the following diagnostic mode on the scan tool: Self Test - RCM.
- Enter the following diagnostic mode on the scan tool: DataLogger - RCM - View and Record All 2292 Fault PIDs.
- Refer to PID list in Normal Operation to view 2292 fault PIDs.
- Does the original DTC B2292 fault PID indicate a fault?

Yes
INSTALL a new driver or passenger safety belt retractor pretensioner. REFER to Seat Belt Systems. GO to E28.

No
In the process of diagnosing the fault, the fault condition has become intermittent. Using the fault PIDs recorded, GO to the appropriate pinpoint test step and CHECK for causes of the intermittent fault in the areas previously worked in, particularly the pins and terminals of electrical connectors that were disconnected.

For 2292_31_CM (Pretensioner Circuit Resistance Low, Front Driver Side), 2292_27_CM (Pretensioner Circuit Resistance Low, Front Passenger Side), 2292_30_CM (Pretensioner Circuit Open, Front Driver Side) and 2292_26_CM (Pretensioner Circuit Open, Front Passenger Side), GO to E24.

For 2292_28_CM (Pretensioner Circuit Short to Ground, Front Driver Side) and 2292_24_CM (Pretensioner Circuit Short to Ground, Front Passenger Side), GO to E26.

For 2292_29_CM (Pretensioner Circuit Short to Battery, Front Driver Side) and 2292_25_CM (Pretensioner Circuit Short to Battery, Front Passenger Side), GO to E27.

-------------------------------------------------
E23 CONFIRM RCM FAULT


NOTE: Make sure all restraint system components, sensor electrical connectors and the RCM electrical connectors are connected before carrying out the on-demand self test. If not, DTCs will be recorded.

- Ignition OFF.
- Depower the SRS. Refer to Supplemental Restraint System (SRS) Depowering and Repowering Supplemental Restraint System (SRS) Depowering and Repowering.
- Connect: All Restraint System Components (if previously disconnected).
- Connect: RCM C310a and C310b (if previously disconnected).
- Repower the SRS. Do not prove out the SRS at this time. Refer to Supplemental Restraint System (SRS) Depowering and Repowering Supplemental Restraint System (SRS) Depowering and Repowering.
- Ignition ON.
- Enter the following diagnostic mode on the scan tool: Self Test - RCM.
- Enter the following diagnostic mode on the scan tool: DataLogger - RCM - View and Record All 2292 Fault PIDs.
- Refer to PID list in Normal Operation to view 2292 fault PIDs.
- Does the original DTC B2292 fault PID indicate a fault?

Yes
INSTALL a new RCM. REFER to Restraints Control Module (RCM) Service and Repair. GO to E28.

No
In the process of diagnosing the fault, the fault condition has become intermittent. Using the fault PIDs recorded, GO to the appropriate pinpoint test step and CHECK for causes of the intermittent fault in the areas previously worked in, particularly the pins and terminals of electrical connectors that were disconnected.

For 2292_31_CM (Pretensioner Circuit Resistance Low, Front Driver Side), 2292_27_CM (Pretensioner Circuit Resistance Low, Front Passenger Side), 2292_30_CM (Pretensioner Circuit Open, Front Driver Side) and 2292_26_CM (Pretensioner Circuit Open, Front Passenger Side), GO to E24.

For 2292_28_CM (Pretensioner Circuit Short to Ground, Front Driver Side) and 2292_24_CM (Pretensioner Circuit Short to Ground, Front Passenger Side), GO to E26.

For 2292_29_CM (Pretensioner Circuit Short to Battery, Front Driver Side) and 2292_25_CM (Pretensioner Circuit Short to Battery, Front Passenger Side), GO to E27.

-------------------------------------------------
E24 CHECK SAFETY BELT RETRACTOR PRETENSIONER RESISTANCE PIDs FOR AN INTERMITTENT LOW RESISTANCE OR OPEN


- If the fault PID was reported for the driver safety belt retractor pretensioner, monitor the DR_PTENS (Pretensioner Circuit Resistance, Driver Side) resistance PID.
- If the fault PID was reported for the passenger safety belt retractor pretensioner, monitor the PS_PTENS (Passenger Retractor Circuit Resistance) pretensioner resistance PID.
- NOTE: A resistance PID that reads between 0.9 and 1.31 ohms or between 4.29 and 5 ohms may or may not set an on-demand DTC yet indicates a strong potential of an intermittent fault condition. Make sure to thoroughly check wire harness(es), connectors and terminals as they are the likely source of the fault condition.
- Attempt to recreate the fault by wiggling the connectors (including any inline connectors) and flexing the wire harness.
- Does any safety belt retractor pretensioner resistance PID indicate less than 1.31 ohms or greater than 4.29 ohms?

Yes
DEPOWER the SRS and REPAIR as necessary.
Refer to Wiring Diagram Set 5, Connector Repair Procedures for schematic and connector information. Diagrams By Number
GO to E28.

No
GO to E25.

-------------------------------------------------
E25 CHECK THE HARNESS AND CONNECTORS


- Ignition OFF.
- Depower the SRS. Refer to Supplemental Restraint System (SRS) Depowering and Repowering Supplemental Restraint System (SRS) Depowering and Repowering.
- Disconnect the affected safety belt retractor pretensioner C323 (driver) or C3202 (passenger):
- inspect connector(s) (including any inline connectors) for corrosion, loose or spread terminals and loose or frayed wire connections at terminals.
- inspect wire harness for any damage, pinched, cut or pierced wires.
- Were any concerns found?

Yes
REPAIR as necessary.
Refer to Wiring Diagram Set 5, Connector Repair Procedures for schematic and connector information. Diagrams By Number
GO to E28.

No
The fault is not present and cannot be recreated at this time.

CHECK for causes of the intermittent fault. ATTEMPT to recreate the hard fault by flexing the wire harness and cycling the ignition frequently. ACTIVATE other systems in the same wire harness. Do not install any new SRS components at this time. SRS components should only be installed when directed to do so in the pinpoint test. REPAIR any intermittent wiring, terminal or connector concerns found. GO to E28.

-------------------------------------------------
E26 CHECK SAFETY BELT RETRACTOR PRETENSIONER FAULT PIDs FOR AN INTERMITTENT SHORT TO GROUND


- Ignition ON.
- Enter the following diagnostic mode on the scan tool: DataLogger - RCM - PID.
- If the fault PID was reported for the driver safety belt retractor pretensioner, monitor the 2292_28_OD (Pretensioner Circuit Short to Ground, Front Driver Side) on-demand fault PID on the scan tool.
- If the fault PID was reported for the passenger safety belt retractor pretensioner, monitor the 2292_24_OD (Pretensioner Circuit Short to Ground, Front Passenger Side) on-demand fault PID on the scan tool.
- DIAGNOSTIC TIP: When monitoring fault PIDs with the scan tool, it may take up to 2 seconds for the scan tool display to update.
- Attempt to recreate the fault by wiggling connectors (including any inline connectors) and flexing the wire harness.
- Does any safety belt retractor pretensioner on-demand fault PID indicate a fault is present?

Yes
DEPOWER the SRS and REPAIR as necessary.
Refer to Wiring Diagram Set 5, Connector Repair Procedures for schematic and connector information. Diagrams By Number
GO to E28.

No
The fault is not present and cannot be recreated at this time.

CHECK for causes of the intermittent fault. ATTEMPT to recreate the hard fault by flexing the wire harness and cycling the ignition frequently. ACTIVATE other systems in the same wire harness. Do not install any new SRS components at this time. SRS components should only be installed when directed to do so in the pinpoint test. REPAIR any intermittent wiring, terminal or connector concerns found. GO to E28.

-------------------------------------------------
E27 CHECK SAFETY BELT PRETENSIONER FAULT PIDs FOR AN INTERMITTENT SHORT TO VOLTAGE


- Ignition OFF.
- Depower the SRS. Refer to Supplemental Restraint System (SRS) Depowering and Repowering Supplemental Restraint System (SRS) Depowering and Repowering.
- Disconnect the side air bag module electrical connector C328 (driver) or C3252 (passenger) on the side with the affected pretensioner.
- Repower the SRS. Do not prove out the SRS at this time. Refer to Supplemental Restraint System (SRS) Depowering and Repowering Supplemental Restraint System (SRS) Depowering and Repowering.
- Ignition ON.
- If the fault PID was reported for the driver safety belt retractor pretensioner, monitor the 2292_29_OD (Pretensioner Circuit Short to Battery, Front Driver Side) on-demand fault PID.
- If the fault PID was reported for the passenger safety belt retractor pretensioner, monitor the 2292_25_OD (Pretensioner Circuit Short to Battery, Front Passenger Side) on-demand fault PID.
- DIAGNOSTIC TIP: When monitoring fault PIDs with the scan tool, it may take up to 2 seconds for the scan tool display to update.
- Attempt to recreate the fault by wiggling the connectors (including any inline connectors) and flexing the wire harness.
- Does the safety belt retractor pretensioner short to battery on-demand fault PID indicate a fault is present?

Yes
DEPOWER the SRS and REPAIR as necessary.
Refer to Wiring Diagram Set 5, Connector Repair Procedures for schematic and connector information. Diagrams By Number
GO to E28.

No
The fault is not present and cannot be recreated at this time.

CHECK for causes of the intermittent fault. ATTEMPT to recreate the hard fault by flexing the wire harness and cycling the ignition frequently. ACTIVATE other systems in the same wire harness. Do not install any new SRS components at this time. SRS components should only be installed when directed to do so in the pinpoint test. REPAIR any intermittent wiring, terminal or connector concerns found. GO to E28.

-------------------------------------------------
E28 CHECK FOR ADDITIONAL SRS DTCs


- Ignition OFF.
- WARNING: Turn the ignition OFF and wait one minute to deplete the backup power supply. Failure to follow this instruction may result in serious personal injury or death in the event of an accidental deployment.
- Reconnect all SRS components (if previously disconnected).
- If previously directed to depower the SRS, repower the SRS. Do notprove out the SRS at this time. Refer to Supplemental Restraint System (SRS) Depowering and Repowering Supplemental Restraint System (SRS) Depowering and Repowering.
- Ignition ON.
- Enter the following diagnostic mode on the scan tool: Self Test - Restraints.
- NOTE: When selecting Restraints from the Self Test menu, DTCs will be retrieved from the RCM and OCSM.
- Are any RCM and/or OCSM DTCs retrieved indicating a fault?

Yes
Do not clear any DTCs until all DTCs have been resolved. GO to the DTC Charts for pinpoint test direction. Diagnostic Trouble Code Tests and Associated Procedures

No
CLEAR all RCM and OCSM DTCs. PROVE OUT the SRS. Repair is complete. RETURN the vehicle to the customer.

-------------------------------------------------