Curiosii for ever!: Car repair manuals for everyone.

E1-E14




Air Bag and Safety Belt Pretensioner Supplemental Restraint System (SRS)

Pinpoint Tests - Restraints Control Module (RCM)

Pinpoint Test E: DTC B2292

Refer to Wiring Diagram Set 46, Supplemental Restraint System for schematic and connector information. Diagrams By Number

Normal Operation

The Restraints Control Module (RCM) continuously monitors the safety belt retractor pretensioner circuits for an acceptable resistance range, unacceptable voltage and shorts to ground. The RCM will store DTC B2292 in memory if any of these conditions are detected. If the RCM detects a fault, it will send a message to the Instrument Cluster (IC) module to illuminate the air bag warning indicator.

As the RCM continuously monitors safety belt retractor pretensioner circuits for resistance, it expects a normal resistance between 1.31 and 4.29 ohms.

If a loop resistance is between 0.9 and 1.31 or between 4.29 and 5 ohms, there exists a strong potential for an intermittent fault, a DTC may or may not set. The RCM will also set an on-demand DTC if the loop resistance is less than 0.9 ohm or greater than 5 ohms.





a Fault PIDs that end in OD indicate an on-demand status and are associated with on-demand DTC B2292. Fault PIDs that end in CM indicate continuous memory status and are associated with continuous memory DTC B2292.

This pinpoint test is intended to diagnose the following:
- Wiring, terminals or connectors
- Safety belt retractor pretensioner
- RCM



PINPOINT TEST E: DTC B2292

WARNING: Never probe the electrical connectors on safety belt buckle/retractor pretensioners or adaptive load limiting retractors. Failure to follow this instruction may result in the accidental deployment of the safety belt pretensioners or adaptive load limiting retractors, which increases the risk of serious personal injury or death.

WARNING: Never probe the electrical connectors on air bag, Safety Canopy(R) or side air curtain modules. Failure to follow this instruction may result in the accidental deployment of these modules, which increases the risk of serious personal injury or death.

NOTICE: Use the correct probe adapter(s) from the Flex Probe Kit when making measurements. Failure to use the correct probe adapter(s) may damage the connector.

Most faults are due to connector and/or wiring concerns. Carry out a thorough inspection and verification before proceeding with the pinpoint test.
Inspection and Verification

NOTE: Supplemental Restraint System (SRS) components should only be disconnected or reconnected when instructed to do so within a pinpoint test step. Failure to follow this instruction may result in incorrect diagnosis of the SRS.

NOTE: The SRS must be fully operational and free of faults before releasing the vehicle to the customer.

-------------------------------------------------
E1 RETRIEVE RCM DTCs


- Ignition ON.
- Enter the following diagnostic mode on the scan tool: Self Test - RCM.
- Enter the following diagnostic mode on the scan tool: DataLogger - RCM - View and Record All 2292 Fault PIDs.
- Refer to PID list in Normal Operation to view 2292 fault PIDs.
- Do any RCM DTC B2292 fault PIDs indicate a fault?

Yes
The fault condition is still present. This fault cannot be cleared until it is corrected and the DTC is no longer retrieved during the on-demand self test.

Using the fault PIDs recorded, GO to the appropriate pinpoint test step.

For 2292_31_OD (Pretensioner Circuit Resistance Low, Front Driver Side), GO to E2.

For 2292_30_OD (Pretensioner Circuit Open, Front Driver Side), GO to E2.

For 2292_28_OD (Pretensioner Circuit Short to Ground, Front Driver Side), GO to E9.

For 2292_29_OD (Pretensioner Circuit Short to Battery, Front Driver Side), GO to E11.
For 2292_27_OD (Pretensioner Circuit Resistance Low, Front Passenger Side), GO to E12.

For 2292_26_OD (Pretensioner Circuit Open, Front Passenger Side), GO to E12.

For 2292_24_OD (Pretensioner Circuit Short to Ground, Front Passenger Side), GO to E19.

For 2292_25_OD (Pretensioner Circuit Short to Battery, Front Passenger Side), GO to E21.

No
This is an intermittent fault when present as a Continuous Memory Diagnostic Trouble Code (CMDTC). The fault condition is not present at this time.

Using the fault PIDs recorded, GO to the appropriate pinpoint test step.

For 2292_31_CM (Pretensioner Circuit Resistance Low, Front Driver Side), 2292_27_CM (Pretensioner Circuit Resistance Low, Front Passenger Side), 2292_30_CM (Pretensioner Circuit Open, Front Driver Side) and 2292_26_CM (Pretensioner Circuit Open, Front Passenger Side), GO to E24.

For 2292_28_CM (Pretensioner Circuit Short to Ground, Front Driver Side) and 2292_24_CM (Pretensioner Circuit Short to Ground, Front Passenger Side), GO to E26.

For 2292_29_CM (Pretensioner Circuit Short to Battery, Front Driver Side) and 2292_25_CM (Pretensioner Circuit Short to Battery, Front Passenger Side), GO to E27.

-------------------------------------------------
E2 CHECK DRIVER SAFETY BELT PRETENSIONER RESISTANCE (DR_PTENS) PID


- Enter the following diagnostic mode on the scan tool: DataLogger - RCM .
- Enter the following diagnostic mode on the scan tool: DR_PTENS (Pretensioner Circuit Resistance, Driver Side) Resistance PID.
- Does resistance PID value read between 1.31 and 4.29 ohms?

Yes
GO to E23.

No
GO to E3.

-------------------------------------------------
E3 CHECK DRIVER SAFETY BELT RETRACTOR PRETENSIONER RESISTANCE (DR_PTENS) PID WHILE CARRYING OUT A HARNESS TEST


- Continue monitoring the DR_PTENS PID while carrying out a harness test of the driver safety belt retractor pretensioner circuits and accessible connectors (including any inline connectors), by wiggling connectors and flexing the wire harness.
- Does the resistance PID value read between 1.31 and 4.29 ohms while carrying out a harness test?

Yes
DEPOWER the SRS and REPAIR the connector, terminals or wire harness as needed.
Refer to Wiring Diagram Set 5, Connector Repair Procedures for schematic and connector information. Diagrams By Number
GO to E28.

No
If the DR_PTENS PID is less than 1.31 ohms, GO to E4.

If the DR_PTENS PID is greater than 4.29 ohms, GO to E6.

-------------------------------------------------
E4 CHECK DRIVER SAFETY BELT RETRACTOR PRETENSIONER FAULT PIDs FOR STATUS CHANGE (LOW RESISTANCE INDICATED)


NOTE: This pinpoint test step will attempt to change the fault reported by the RCM by inducing a different fault condition. If the fault reported changes, this indicates the RCM is functioning correctly and is not the source of the fault.

- Ignition OFF.
- Depower the SRS. Refer to Supplemental Restraint System (SRS) Depowering and Repowering Supplemental Restraint System (SRS) Depowering and Repowering.
- Disconnect: Driver Safety Belt Retractor Pretensioner C323.
- Repower the SRS. Do not prove out the SRS at this time. Refer to Supplemental Restraint System (SRS) Depowering and Repowering Supplemental Restraint System (SRS) Depowering and Repowering.
- Ignition ON.
- Enter the following diagnostic mode on the scan tool: Self Test - RCM.
- Enter the following diagnostic mode on the scan tool: DataLogger - RCM - View and Record The Following Fault PIDs.
- 2292_30_OD (Pretensioner Circuit Open, Front Driver Side)
- 2292_31_OD (Pretensioner Circuit Resistance Low, Front Driver Side)
- DIAGNOSTIC TIP: When viewing DTC B2292 on-demand fault PIDs with the driver pretensioner disconnected, an open circuit fault would normally be retrieved.
- Did the on-demand fault PID change from a low resistance to an open circuit fault?

Yes
GO to E22.

No
GO to E5.

-------------------------------------------------
E5 CHECK FOR A SHORT BETWEEN DRIVER SAFETY BELT RETRACTOR PRETENSIONER CIRCUITS


- Ignition OFF.
- Depower the SRS. Refer to Supplemental Restraint System (SRS) Depowering and Repowering Supplemental Restraint System (SRS) Depowering and Repowering.
- Disconnect: RCM C310a and C310b.
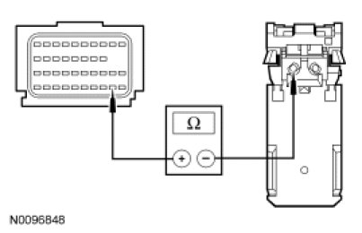
- Measure resistance between driver safety belt retractor pretensioner C323-1, circuit CR120 (BU/OG), harness side and C323-2, circuit RR120 (BN/GN), harness side.




- Is the resistance greater than 10,000 ohms?

Yes
GO to E23.

No
REPAIR circuits CR120 (BU/OG) and RR120 (BN/GN). GO to E28.

-------------------------------------------------
E6 CHECK DRIVER SAFETY BELT RETRACTOR PRETENSIONER FAULT PIDs FOR A STATUS CHANGE (OPEN INDICATED)


NOTE: This pinpoint test step will attempt to change the fault reported by the RCM by inducing a different fault condition. If the fault reported changes, this indicates the RCM is functioning correctly and is not the source of the fault.

- Ignition OFF.
- Depower the SRS. Refer to Supplemental Restraint System (SRS) Depowering and Repowering Supplemental Restraint System (SRS) Depowering and Repowering.
- Disconnect: Driver Safety Belt Retractor Pretensioner C323.
- Connect a jumper wire between driver safety belt pretensioner C3201-1, circuit CR120 (BU/OG), harness side and C3201-2, circuit RR120 (BN/GN), harness side.
- Repower the SRS. Do not prove out the SRS at this time. Refer to Supplemental Restraint System (SRS) Depowering and Repowering Supplemental Restraint System (SRS) Depowering and Repowering.
- Ignition ON.
- Enter the following diagnostic mode on the scan tool: Self Test - RCM.
- Enter the following diagnostic mode on the scan tool: DataLogger - RCM - View and Record The Following Fault PIDs.
- 2292_30_OD (Pretensioner Circuit Open, Front Driver Side)
- 2292_31_OD (Pretensioner Circuit Resistance Low, Front Driver Side)
- DIAGNOSTIC TIP: When viewing DTC B2292 on-demand fault PIDs with the driver pretensioner circuits shorted together, a low resistance fault would normally be retrieved.
- Did the on-demand fault PID change from an open circuit to a low resistance fault?

Yes
GO to E22.

No
GO to E7.

-------------------------------------------------
E7 CHECK CIRCUIT CR120 (BU/OG) FOR AN OPEN


- Ignition OFF.
- Depower the SRS. Refer to Supplemental Restraint System (SRS) Depowering and Repowering Supplemental Restraint System (SRS) Depowering and Repowering.
- Remove the jumper wire from the driver safety belt retractor pretensioner C323.
- Disconnect: RCM C310a and C310b.
- Measure the resistance between RCM C310b-31, circuit CR120 (BU/OG), harness side and driver safety belt retractor pretensioner C323-1, circuit CR120 (BU/OG), harness side.




- Is the resistance less than 0.5 ohm?

Yes
GO to E8.

No
REPAIR circuit CR120 (BU/OG). GO to E28.

-------------------------------------------------
E8 CHECK CIRCUIT RR120 (BN/GN) FOR AN OPEN


- Measure the resistance between RCM C310b-32, circuit RR120 (BN/GN), harness side and driver safety belt retractor pretensioner C323-2, circuit RR120 (BN/GN), harness side.




- Is the resistance less than 0.5 ohm?

Yes
GO to E23.

No
REPAIR circuit RR120 (BN/GN). GO to E28.

-------------------------------------------------
E9 CHECK DRIVER SAFETY BELT RETRACTOR PRETENSIONER FAULT PIDs FOR A STATUS CHANGE (SHORT TO GROUND INDICATED)


NOTE: This pinpoint test step will attempt to change the fault reported by the RCM by inducing a different fault condition. If the fault reported changes, this indicates the RCM is functioning correctly and is not the source of the fault.

- Ignition OFF.
- Depower the SRS. Refer to Supplemental Restraint System (SRS) Depowering and Repowering Supplemental Restraint System (SRS) Depowering and Repowering.
- Disconnect: Driver Safety Belt Retractor Pretensioner C323.
- Repower the SRS. Do not prove out the SRS at this time. Refer to Supplemental Restraint System (SRS) Depowering and Repowering Supplemental Restraint System (SRS) Depowering and Repowering.
- Ignition ON.
- Enter the following diagnostic mode on the scan tool: Self Test - RCM.
- Enter the following diagnostic mode on the scan tool: DataLogger - RCM - View and Record The Following Fault PIDs.
- 2292_28_OD (Pretensioner Circuit Short to Ground, Front Driver Side)
- 2292_30_OD (Pretensioner Circuit Open, Front Driver Side)
- DIAGNOSTIC TIP: When viewing DTC B2292 on-demand fault PIDs with the driver pretensioner disconnected, an open circuit fault would normally be retrieved.
- Did the on-demand fault PID change from a short to ground to an open circuit fault?

Yes
GO to E22.

No
GO to E10.

-------------------------------------------------
E10 CHECK DRIVER SAFETY BELT RETRACTOR PRETENSIONER CIRCUITS FOR A SHORT TO GROUND


- Ignition OFF.
- Depower the SRS. Refer to Supplemental Restraint System (SRS) Depowering and Repowering Supplemental Restraint System (SRS) Depowering and Repowering.
- Disconnect: RCM C310a and C310b.
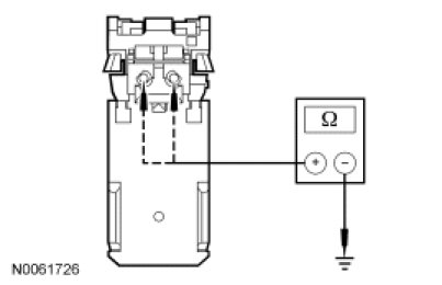
- Measure resistance between driver safety belt retractor pretensioner:
- C323-1, circuit CR120 (BU/OG), harness side and ground.
- C323-2, circuit RR120 (BN/GN), harness side and ground.




- Are the resistances greater than 10,000 ohms?

Yes
GO to E23.

No
REPAIR circuit CR120 (BU/OG) or RR120 (BN/GN). GO to E28.

-------------------------------------------------
E11 CHECK DRIVER SAFETY BELT RETRACTOR PRETENSIONER CIRCUITS FOR A SHORT TO VOLTAGE


- Ignition OFF.
- Depower the SRS. Refer to Supplemental Restraint System (SRS) Depowering and Repowering Supplemental Restraint System (SRS) Depowering and Repowering.
- Disconnect: Driver Side Air Bag Module C328.
- Disconnect: Driver Safety Belt Retractor Pretensioner C323.
- Disconnect: RCM C310a and C310b.
- Repower the SRS. Do not prove out the SRS at this time. Refer to Supplemental Restraint System (SRS) Depowering and Repowering Supplemental Restraint System (SRS) Depowering and Repowering.
- Ignition ON.
- Measure voltage between:
- driver safety belt retractor pretensioner C323-1, circuit CR120 (BU/OG), harness side and ground.
- driver safety belt retractor pretensioner C323-2, circuit RR120 (BN/GN), harness side and ground.




- Is voltage present on either circuit?

Yes
REPAIR circuit CR120 (BU/OG) or RR120 (BN/GN). GO to E28.

No
GO to E23.

-------------------------------------------------
E12 CHECK PASSENGER SAFETY BELT PRETENSIONER RESISTANCE (PS_PTENS) PID


- Enter the following diagnostic mode on the scan tool: DataLogger - RCM - PID.
- Enter the following diagnostic mode on the scan tool: PS_PTENS (Passenger Retractor Circuit Resistance) Resistance PID.
- Does resistance PID value read between 1.31 and 4.29 ohms?

Yes
GO to E23.

No
GO to E13.

-------------------------------------------------
E13 CHECK PASSENGER SAFETY BELT RETRACTOR PRETENSIONER RESISTANCE (PS_PTENS) PID WHILE CARRYING OUT A HARNESS TEST


- Continue monitoring the PS_PTENS resistance PID while carrying out a harness test of the passenger safety belt retractor pretensioner circuits and accessible connectors (including any inline connectors), by wiggling connectors and flexing the wire harness.
- Does the resistance PID value read between 1.31 and 4.29 ohms while carrying out the harness test?

Yes
DEPOWER the SRS and REPAIR the connector, terminals or wire harness as needed.
Refer to Wiring Diagram Set 5, Connector Repair Procedures for schematic and connector information. Diagrams By Number
GO to E28.

No
If the PS_PTENS PID is less than 1.31 ohms, GO to E14.

If the PS_PTENS PID is greater than 4.29 ohms, GO to E16.

-------------------------------------------------
E14 CHECK PASSENGER SAFETY BELT RETRACTOR PRETENSIONER FAULT PIDs FOR A STATUS CHANGE (LOW RESISTANCE INDICATED)


NOTE: This pinpoint test step will attempt to change the fault reported by the RCM by inducing a different fault condition. If the fault reported changes, this indicates the RCM is functioning correctly and is not the source of the fault.

- Ignition OFF.
- Depower the SRS. Refer to Supplemental Restraint System (SRS) Depowering and Repowering Supplemental Restraint System (SRS) Depowering and Repowering.
- Disconnect: Passenger Safety Belt Retractor Pretensioner C3202.
- Repower the SRS. Do not prove out the SRS at this time. Refer to Supplemental Restraint System (SRS) Depowering and Repowering Supplemental Restraint System (SRS) Depowering and Repowering.
- Ignition ON.
- Enter the following diagnostic mode on the scan tool: Self Test - RCM.
- Enter the following diagnostic mode on the scan tool: DataLogger - RCM - View and Record The Following Fault PIDs.
- 2292_26_OD (Pretensioner Circuit Open, Front Passenger Side)
- 2292_27_OD (Pretensioner Circuit Resistance Low, Front Passenger Side)
- DIAGNOSTIC TIP: When viewing DTC B2292 on-demand fault PIDs with the passenger pretensioner disconnected, an open circuit fault would normally be retrieved.
- Did the on-demand fault PID change from a low resistance to an open circuit fault?

Yes
GO to E22.

No
GO to E15.

-------------------------------------------------