Curiosii for ever!: Car repair manuals for everyone.

Exhaust Gas Recirculation (EGR) Systems


Exhaust Gas Recirculation (EGR) Systems

Overview

The EGR system controls the oxides of nitrogen (NOx) emissions. Small amounts of exhaust gases are recirculated back into the combustion chamber to mix with the air/fuel charge. The combustion chamber temperature is reduced, lowering NOx emissions.

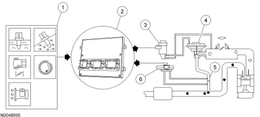
Differential Pressure Feedback Exhaust Gas Recirculation (EGR) System

The differential pressure feedback EGR system consists of a differential pressure feedback EGR sensor, EGR vacuum regulator solenoid, EGR valve, orifice tube assembly, powertrain control module (PCM), and connecting wires and vacuum hoses. For additional information on the differential pressure feedback EGR system, refer to Engine Control Components Engine Control Components. Operation of the system is as follows:

1. The differential pressure feedback EGR system receives signals from the engine coolant temperature (ECT) sensor or cylinder head temperature (CHT) sensor, intake air temperature (IAT) sensor, throttle position (TP) sensor, mass air flow (MAF) sensor, and crankshaft position (CKP) sensor to provide information on engine operating conditions to the PCM. The engine must be warm, stable, and running at a moderate load and RPM before the EGR system is activated. The PCM deactivates EGR during idle, extended wide open throttle (WOT), or whenever a concern is detected in an EGR component or EGR required input.
2. The PCM calculates the desired amount of EGR flow for a given engine condition. It then determines the desired pressure drop across the metering orifice required to achieve that flow and outputs the corresponding signal to the EGR vacuum regulator solenoid.
3. The EGR vacuum regulator solenoid receives a variable duty cycle signal (0 to 90%). The higher the duty cycle the more vacuum the solenoid diverts to the EGR valve.
4. The increase in vacuum acting on the EGR valve diaphragm overcomes the valve spring and begins to lift the EGR valve pintle off its seat, causing exhaust gas to flow into the intake manifold.
5. Exhaust gas flowing through the EGR valve must first pass through the EGR metering orifice. With one side of the orifice exposed to exhaust backpressure and the other downstream of the metering orifice, a pressure drop is created across the orifice whenever there is EGR flow. When the EGR valve closes, there is no longer flow across the metering orifice and pressure on both sides of the orifice is the same. The PCM constantly targets a desired pressure drop across the metering orifice to achieve the desired EGR flow.
6. The differential pressure feedback EGR sensor measures the actual pressure drop across the metering orifice and relays a proportional voltage signal (0 to 5 volts) to the PCM. The PCM uses this feedback signal to correct for any errors in achieving the desired EGR flow.

Differential Pressure Feedback EGR System Operation:




Differential Pressure Feedback EGR System Operation

Electric Exhaust Gas Recirculation (EEGR) System

Highlights of the EEGR System

- The EEGR valve is activated by an electric stepper motor.

- Engine coolant is routed through the assembly on some vehicle applications. Some vehicle applications are air cooled.

Overview

The EEGR system uses exhaust gas recirculation to control the NOx emissions just like vacuum operated systems. The only difference is the way in which the exhaust gas is controlled.

The EEGR system consists of an electric motor/EGR valve integrated assembly, a PCM, and connecting wiring. Additionally a manifold absolute pressure (MAP) sensor is also required. For additional information on the EGR system components, refer to Engine Control Components Engine Control Components. Operation of the system is as follows:

1. The EEGR system receives signals from the ECT or CHT sensor, TP sensor, MAF sensor, CKP sensor, and the MAP sensor to provide information on engine operating conditions to the PCM. The engine must be warm, stable, and running at a moderate load and RPM before the EEGR system is activated. The PCM deactivates the EEGR during idle, extended wide open throttle (WOT), or whenever a concern is detected in an EEGR component or EGR required input.
2. The PCM calculates the desired amount of EGR for a given set of engine operating conditions.
3. The PCM in turn outputs signals telling the EEGR motor to move (advance or retract) a calibrated number of discrete steps. The electric stepper motor directly actuates the EEGR valve, independent of engine vacuum. The EEGR valve is commanded from 0 to 52 discrete steps to get the EGR valve from a fully closed to fully open position. The position of the EGR valve determines the EGR flow.
4. A MAP sensor is used to measure variations in manifold pressure as exhaust gas recirculation is introduced into the intake manifold. Variations in EGR being used correlate to the MAP signal (increasing EGR increases manifold pressure values).

EEGR System:




EEGR System

Exhaust Gas Recirculation (EGR) System Module (ESM)

Overview

The ESM is an updated differential pressure feedback EGR system. It functions in the same manner as the conventional differential pressure feedback EGR system, however the various system components have been integrated into a single component called the ESM. For additional information on the ESM system components, refer to Engine Control Components Engine Control Components. The flange of the valve portion of the ESM bolts directly to the intake manifold or cold tube with a metal gasket that forms the metering orifice. This arrangement increases system reliability, response time, and system precision. By relocating the EGR orifice from the exhaust to the intake side of the EGR valve, the downstream pressure signal measures MAP. This MAP signal is used for EGR correction and inferred barometric pressure (BARO) at ignition on. The system provides the PCM with a differential pressure feedback EGR signal, identical to a traditional differential pressure feedback EGR system.

First, the differential pressure feedback EGR sensor input circuit is checked for out of range values (DTCs P0405 or P0406). The EGR vacuum regulator output circuit is checked for opens and shorts (DTC P0403).

The EGR system normally has large amounts of water vapor that are the result of the engine combustion process. During cold ambient temperatures, under some circumstances, water vapor can freeze in the differential pressure feedback EGR sensor, hoses, as well as other components in the EGR system. In order to prevent malfunction indicator lamp (MIL) illumination for temporary freezing, the following logic is used.

If an EGR system concern is detected below 0°C (32°F), only the EGR system is disabled for the current driving cycle. A diagnostic trouble code (DTC) is not stored and the Inspection/Maintenance (I/M) readiness status for the EGR monitor does not change. The EGR monitor, however, continues to operate. If the EGR monitor determines the concern is no longer present, the EGR system is enabled and normal system operation is restored.

If an EGR system concern is detected above 0°C (32°F), the EGR system and the EGR monitor is disabled for the current driving cycle. A DTC is stored and the MIL is illuminated if the concern has been detected on two consecutive driving cycles.

After the vehicle has warmed up and normal EGR rates are being commanded by the PCM, the low flow check is carried out. Since the EGR system is a closed loop system, the EGR system delivers the requested EGR flow as long as it has the capability to do so. If the EGR vacuum regulator duty cycle is at maximum (90% duty cycle), the differential pressure indicated by the differential pressure feedback EGR sensor is evaluated to determine the amount of EGR system restriction. If the differential pressure is below a calibrated threshold, a low flow concern is indicated (DTCs P0401/P0406).

Finally, the differential pressure indicated by the differential pressure feedback EGR sensor is also checked at idle with zero requested EGR flow to carry out the high flow check. If the differential pressure exceeds a calibrated limit, it indicates a stuck open EGR valve or debris temporarily lodged under the EGR valve seat (DTC P0402).

If the inferred ambient temperature is less than 0°C (32°F), or greater than 60°C (140°F), or the altitude is greater than 8,000 feet (BARO less than 22.5 in-Hg), the EGR monitor cannot be run reliably. A timer starts to accumulate the time in these conditions. If the vehicle leaves these extreme conditions, the timer starts to decrement and, if conditions permit, attempts to complete the EGR flow monitor. If the timer reaches 800 seconds, the EGR monitor is disabled for the remainder of the current driving cycle and the EGR monitor I/M readiness bit is set to a ready condition after one such driving cycle. Vehicles require two such driving cycles for the EGR monitor to be set to a ready condition.