Curiosii for ever!: Car repair manuals for everyone.

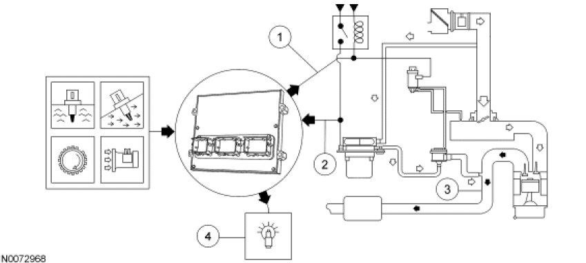
Secondary Air Injection (AIR) System Monitor


Secondary Air Injection (AIR) System Monitor

The secondary air injection (AIR) system monitor is an on-board strategy designed to monitor the correct function of the secondary AIR system. The AIR monitor for the secondary air injection pump system consists of two monitor circuits: an AIR circuit to diagnose concerns with the primary circuit side of the AIR relay, and an AIR monitor circuit to diagnose concerns with the secondary circuit side of the AIR relay. A functional check is also carried out that tests the ability of the AIR system to inject air into the exhaust. The functional flow test relies on the mass air flow (MAF) sensor to determine the presence of air flow. The monitor check for specific changes in MAF input with the secondary AIR pump on compared to secondary AIR pump off for failure detection. The integrity of the secondary AIR pump, inlet house, outlet house and related secondary AIR mechanical components are all checked during the functional flow test. The monitor is enabled during AIR system operation and only after certain base engine conditions are first satisfied. Input is required from the engine coolant temperature (ECT) or cylinder head temperature (CHT), mass air flow / intake air temperature (MAF/IAT), crankshaft position (CKP) sensors and the HO2S monitor test must also have passed without a fault detection to enable the AIR monitor. The AIR monitor is also activated during on-demand self-test.

1. On the primary side of the AIR relay, open and short circuit concerns are detected during normal operation by the PCM output driver. This circuit energizes the relay and the vacuum-operated check and solenoid control valves.
The DTC associated with this test is P0412.
2. On the secondary side of the AIR relay, the AIR monitor circuit is held low by the resistance path through the secondary AIR pump when the secondary AIR pump is off. If the AIR monitor circuit is high there is either an open circuit to the PCM from the pump or there is power supplied to the secondary AIR pump. If the AIR monitor is low when the secondary AIR pump is commanded on, there is either an open circuit from the AIR relay or the AIR relay has failed to supply power to the secondary AIR pump.
The DTCs associated with this test are P2257 and P2258.
3. The functional flow test is done when the secondary AIR pump is normally commanded on. The flow test relies on the MAF sensor for air meter flow changes during secondary AIR pump transitions and the heated oxygen sensor for exhaust rich/lean information. The flow test consist of three diagnostic tests:
- Secondary AIR pump flow test - Compares the change in the air meter flow during secondary AIR pump transitions (ON/OFF) to a calibrated (expected) air flow table within the PCM. Associated DTC P0491 (Bank 1) and P0492 (Bank 2).

- Inlet hose test - When the inlet hose is off, the secondary AIR pump still flows the same amount of air into the exhaust, but it is drawing air from the atmosphere instead of through the MAF sensor. This lack of expected air flow through the MAF fails the secondary AIR pump flow test. The engine fuel control system is still fueling for the air meter, therefore the excess air that is going into the exhaust causes the exhaust air fuel ratio to be lean. To set an inlet hose concern DTC P0410, the pump flow test must fail and the exhaust air fuel ratio must indicate too lean.

- Outlet hose test - When the outlet hose is off, the secondary AIR pump flows more air than anticipated, since the exhaust back pressure is no longer impacting the secondary AIR pump air flow. The MAF sensor indicates excess air is drawn through the system. During this failure mode, engine air fuel ratio is reduced to protect the engine from running too rich. But since the outlet hose is disconnected, secondary air is not delivered to the exhaust system, causing the exhaust air fuel ratio to be rich at idle. To set the outlet hose concern DTC P2448 (Bank 1) and P2449 (Bank 2), the secondary AIR pump on flow test must indicate excess air flow and exhaust air fuel ratio too rich.

4. The malfunction indicator lamp (MIL) is activated after one of the above tests fail on two consecutive drive cycles.




Secondary AIR System Monitor