Curiosii for ever!: Car repair manuals for everyone.

Pinpoint Test K: The Memory Seat Does Not Operate Correctly - Does Not Operate Using the Memory SET Switch




Seats

Pinpoint Tests

Pinpoint Test K: The Memory Seat Does Not Operate Correctly - Does Not Operate Using the Memory SET Switch

Refer to Wiring Diagram Set 123, Memory Seats for schematic and connector information. Diagrams By Number

Normal Operation

The memory SET switch is supplied ground on circuit GD126 (BK/WH). When the SET button is pressed, the memory SET switch supplies ground to Driver Door Module (DDM) input circuit CPS14 (GY/VT). The DDM communicates a memory SET command to the Driver Seat Module (DSM) on the Medium Speed Controller Area Network (MS-CAN).

Each motor in the memory seat track and recliner mechanism contains a Hall-effect position sensor. The DSM supplies a shared signal feed circuit to each sensor. Each position sensor sends a signal pulse back to the DSM to monitor the position of the power seat and seat backrest. The DSM stores the sensor position data when a SET command is received and uses this information to return the seat to the stored position when a recall command is received.

When the recall 1 or recall 2 buttons are pressed, the memory SET switch supplies ground to DDM input circuit CPS15 (VT/WH) or CPS16 (YE). The DDM sends a recall command to the DSM. The DSM then supplies voltage and ground to the power seat track motors and power recline motor to move the seat to the stored position. For information on programming memory positions or recalling a stored memory position, refer to Memory Position Programming Programming and Relearning.

The following pinpoint test diagnoses a memory seat that does not operate correctly using the memory SET switch. If the memory seat does not move in all directions using the seat control switch, Go To Pinpoint Test J. Pinpoint Test J: The Memory Seat is Inoperative/Does Not Operate Correctly - Does Not Operate Horizontally/Vertically/Recline

B1342-B2084:





This pinpoint test is intended to diagnose the following:
- Wiring, terminals or connectors
- Memory SET switch
- Missing status information - Medium Speed Controller Area Network (MS-CAN) communication bus messages:
- ignition switch status
- gear selector position

- Remote entry transmitter
- Memory power seat track
- Seat recliner motor
- DDM
- DSM



PINPOINT TEST K: THE MEMORY SEAT DOES NOT OPERATE CORRECTLY - DOES NOT OPERATE USING THE MEMORY SET SWITCH

NOTE: The air bag warning indicator illuminates when the correct Restraints Control Module (RCM) fuse is removed and the ignition switch is ON.

NOTE: The Supplemental Restraint System (SRS) must be fully operational and free of faults before releasing the vehicle to the customer.

NOTE: Verify good battery condition before diagnosing the memory seat system. Poor battery condition may interfere with memory seat operation, even if vehicle starting is possible.

-------------------------------------------------
K1 CHECK DSM GEAR SELECTED (TRANSGEAR) PID


- Ignition ON.
- Enter the following diagnostic mode on the scan tool: DataLogger - DSM - PIDs.
- NOTE: D6_PRK applies to both park and overdrive.
- Operate the transmission gear selector in all positions while monitoring the following DSM PID TRANSGEAR states:
- D6_PRK
- REV
- NTRL
- D6_PRK
- DRIVE1
- Do the PID states agree with the selected positions?

Yes
GO to K2.

No
To diagnose a transmission gear selector (PRNDL) status concern, REFER to Transmission Control Systems. Testing and Inspection

-------------------------------------------------
K2 CHECK DSM IGNITION SWITCH STATUS (IGN_SW) PID


- Enter the following diagnostic mode on the scan tool: DataLogger - DSM - PIDs.
- Cycle the ignition in all positions while monitoring the DSM IGN_SW PID states.
- Do the PID states agree with the selected positions?

Yes
GO to K3.

No
To diagnose an ignition status concern, REFER to Steering Column. Testing and Inspection

-------------------------------------------------
K3 RETRIEVE THE DTCs


NOTE: The memory SET indicator should illuminate and turn off during the Driver Door Module (DDM) Self Test.

- Operate the memory seat and memory exterior mirrors in all directions through the full range of travel.
- Place the memory seat and memory exterior mirrors in central travel positions.
- Enter the following diagnostic mode on the scan tool: Self Test - DSM.
- Enter the following diagnostic mode on the scan tool: Self Test - DDM.
- Are any DSM or DDM DTCs retrieved or does the memory SET indicator fail to illuminate during the DDM Self-Test?

Yes
If the memory SET indicator fails to illuminate during the DDM Self-Test, GO to K5.

If one or all of the following DDM DTCs are retrieved; B1530, B1534, B1538 and B2084, GO to K5.

If DTCs B1952, B1956, B1960 and B1964 are all retrieved, GO to K10.

If DTCs B1953, B1957, B1961 and B1965 are all retrieved, GO to K10.

If DTC B1663, GO to K11.

If DTC B1664, GO to K14.

If DTC B1665, GO to K17.

If DTC B1666, GO to K20.

If DTC B1952, GO to K14.

If DTC B1953, GO to K15.

If DTC B1956, GO to K11.

If DTC B1957, GO to K12.

If DTC B1960, GO to K20.

If DTC B1961, GO to K21.

If DTC B1964, GO to K17.

If DTC B1965, GO to K18.

If DTC B1342, INSTALL a new DSM. REFER to Body Control Systems. CARRY OUT Programmable Module Installation (PMI). REFER to Information Bus. REPEAT the self-test. CLEAR the DTCs.

No
GO to K4.

-------------------------------------------------
K4 CHECK DDM MEMORY SET SWITCH STATUS (MEMORY_SW) PID STATES


- Enter the following diagnostic mode on the scan tool: DataLogger - DDM - PIDs.
- While activating the memory switch SET, recall 1 and recall 2 buttons, monitor the DDM MEMORY_SW PID states:
- Inactive
- Set
- Memory 1
- Memory 2
- Do the PID states agree with the switch button positions?

Yes
GO to K10.

No
GO to K5.

-------------------------------------------------
K5 CHECK THE MEMORY SET SWITCH


- Ignition OFF.
- Disconnect: Memory SET Switch C503.
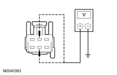
- Measure resistance between memory SET switch pins, component side, while pressing the indicated buttons using the following chart and illustration:









- NOTE: Refer to multi-meter user's manual for testing diodes.
- Use the diode testing meter function to check the switch indicator and measure voltage between memory SET switch pins, component side using the following chart and preceding illustration:





- Is the memory SET switch OK?

Yes
GO to K6.

No
INSTALL a new memory SET switch. REFER to Memory Set Switch Memory Set Switch. REPEAT the self-test. CLEAR the DTCs.

-------------------------------------------------
K6 CHECK CIRCUIT GD126 (BK/WH) FOR AN OPEN


- Measure resistance between memory SET switch C503-7, circuit GD126 (BK/WH), harness side and ground.




- Is resistance less than 5 ohms?

Yes
GO to K7.

No
REPAIR the circuit. REPEAT the self-test. CLEAR the DTCs.

-------------------------------------------------
K7 CHECK CIRCUITS CPS14 (GY/VT), CPS15 (VT/WH), CPS16 (YE) AND CPS55 (YE/GY) FOR A SHORT TO VOLTAGE


- Disconnect: DSM C568a.
- Disconnect: DSM C568b.
- Ignition ON.
- Measure voltage between memory SET switch C503, harness side and ground using the following chart:





- Is voltage present on any circuits?

Yes
REPAIR the circuit(s). REPEAT the self-test. CLEAR the DTCs.

No
GO to K8.

-------------------------------------------------
K8 CHECK CIRCUITS CPS14 (GY/VT), CPS15 (VT/WH), CPS16 (YE) AND CPS55 (YE/GY) FOR A SHORT TO GROUND


- Ignition OFF.
- Measure resistance between memory SET switch C503, harness side and ground using the following chart:





- Are resistances greater than 10,000 ohms?

Yes
GO to K9.

No
REPAIR the circuit(s). REPEAT the self-test. CLEAR the DTCs.

-------------------------------------------------
K9 CHECK CIRCUITS CPS14 (GY/VT), CPS15 (VT/WH), CPS16 (YE) AND CPS55 (YE/GY) FOR AN OPEN


- Measure resistance between memory SET switch C503 pins and DDM C368b pins; and between memory SET switch C503 and DDM C368a using the following chart:





- Are resistances less than 5 ohms?

Yes
INSTALL a new DDM. REFER to Body Control Systems. REPEAT the self-test. CLEAR the DTCs.

No
REPAIR the circuit(s). REPEAT the self-test. CLEAR the DTCs.

-------------------------------------------------
K10 CHECK DSM SENSOR PIDs


- Enter the following diagnostic mode on the scan tool: DataLogger - DSM - PIDs.
- NOTE: If the DSM detects a fault while carrying out this step, the associated motor may operate in one-second intervals.
- Using the switch, operate the memory seat in all directions through the full range of travel while monitoring the following DSM PIDs:
- Driver Power Seat Front Up/Down Sense (SFNT_MT)
- Driver Power Seat Forward/Backward Sense (SFWD_MT)
- Driver Power Seat Rear Up/Down Sense (SREARMT)
- Driver Power Seat Recline Sense (SRCL_MT)
- Does each PID indicate the sensor is operational throughout each motor's full range of travel?

Yes
INSTALL a new DSM. REFER to Body Control Systems. CARRY OUT Programmable Module Installation (PMI). REFER to Information Bus. REPEAT the self-test. CLEAR the DTCs.

No
If the PID indicates driver seat front vertical position sensor is not present, GO to K11.

If the PID indicates driver seat rear vertical position sensor is not present, GO to K14.

If the PID indicates driver seat horizontal position sensor is not present, GO to K17.

If the PID indicates driver seat recline position sensor is not present, GO to K20.

-------------------------------------------------
K11 CHECK CIRCUITS VPS10 (BU/GN) AND RPS13 (GN/OG) FOR A SHORT TO VOLTAGE


- Ignition OFF.
- Depower the SRS. Refer to Supplemental Restraint System (SRS) Depowering and Repowering in the General Procedures portion of Air Bag Systems.
- Disconnect: Driver Seat Side Air Bag C327.
- Disconnect: DSM C3299b.
- Disconnect: Memory Seat Position Sensor C358.
- WARNING: Make sure no one is in the vehicle and there is nothing blocking or placed in front of any air bag module when the battery is connected. Failure to follow these instructions may result in serious personal injury in the event of an accidental deployment.
- Connect the battery ground cable. Refer to Battery.
- Ignition ON.
- Measure voltage between:
- memory seat position sensor C358-2, circuit VPS10 (BU/GN), harness side and ground.
- memory seat position sensor 358-5, circuit RPS13 (GN/OG), harness side and ground.




- Is voltage present on either circuit?

Yes
REPAIR the circuit(s). REPEAT the self-test. CLEAR the DTCs.

DISCONNECT the battery ground cable. CONNECT driver seat side air bag module C327. REPOWER the SRS. REFER to Air Bag Systems.

No
GO to K12.

-------------------------------------------------
K12 CHECK CIRCUITS VPS10 (BU/GN) AND RPS13 (GN/OG) FOR A SHORT TO GROUND


- Ignition OFF.
- Measure resistance between:
- memory seat position sensor C358-2, circuit VPS10 (BU/GN), harness side and ground.
- memory seat position sensor 358-5, circuit RPS13 (GN/OG), harness side and ground.




- Are resistances greater than 10,000 ohms?

Yes
GO to K13.

No
REPAIR the circuit(s). REPEAT the self-test. CLEAR the DTCs.

DISCONNECT the battery ground cable. CONNECT driver seat side air bag module C327. REPOWER the SRS. REFER to Air Bag Systems.

-------------------------------------------------
K13 CHECK CIRCUITS VPS10 (BU/GN) AND RPS13 (GN/OG) FOR AN OPEN


- Measure resistance between:
- memory seat position sensor C358-2, circuit VPS10 (BU/GN), harness side and DSM C3299b-7, circuit VPS10 (BU/GN), harness side.
- memory seat position sensor 358-5, circuit RPS13 (GN/OG), harness side and DSM C3299b-20, circuit RPS13 (GN/OG), harness side.




- Are resistances less than 5 ohms?

Yes
INSTALL a new driver seat track assembly. REFER to Seat Track Seat Track. REPEAT the self-test. CLEAR the DTCs.

DISCONNECT the battery ground cable. CONNECT driver seat side air bag module C327. REPOWER the SRS. REFER to Air Bag Systems.

No
REPAIR the circuit(s). REPEAT the self-test. CLEAR the DTCs.

DISCONNECT the battery ground cable. CONNECT driver seat side air bag module C327. REPOWER the SRS. REFER to Air Bag Systems.

-------------------------------------------------
K14 CHECK CIRCUITS VPS11 (GN/BN) AND RPS13 (GN/OG) FOR A SHORT TO VOLTAGE


- Ignition OFF.
- Depower the SRS. Refer to Supplemental Restraint System (SRS) Depowering and Repowering in the General Procedures portion of Air Bag Systems.
- Disconnect: Driver Seat Side Air Bag C327.
- Disconnect: DSM C3299b.
- Disconnect: Memory Seat Position Sensor C358.
- WARNING: Make sure no one is in the vehicle and there is nothing blocking or placed in front of any air bag module when the battery is connected. Failure to follow these instructions may result in serious personal injury in the event of an accidental deployment.
- Connect the battery ground cable. Refer to Battery.
- Measure voltage between:
- memory seat position sensor C358-1, circuit VPS11 (GN/BN), harness side and ground.
- driver seat position sensor C358-4, circuit RPS13 (GN/OG), harness side and ground.




- Is voltage present on either circuit?

Yes
REPAIR the circuit(s). REPEAT the self-test. CLEAR the DTCs.

DISCONNECT the battery ground cable. CONNECT driver seat side air bag module C327. REPOWER the SRS. REFER to Air Bag Systems.

No
GO to K15.

-------------------------------------------------
K15 CHECK CIRCUITS VPS11 (GN/BN) AND RPS13 (GN/OG) FOR A SHORT TO GROUND


- Ignition OFF.
- Measure resistance between:
- memory seat position sensor C358-1, circuit VPS11 (GN/BN), harness side and ground.
- memory seat position sensor C358-4, circuit RPS13 (GN/OG), harness side and ground.




- Are resistances greater than 10,000 ohms?

Yes
GO to K16.

No
REPAIR the circuit(s). REPEAT the self-test. CLEAR the DTCs.

DISCONNECT the battery ground cable. CONNECT driver seat side air bag module C327. REPOWER the SRS. REFER to Air Bag Systems.

-------------------------------------------------
K16 CHECK CIRCUITS VPS11 (GN/BN) AND RPS13 (GN/OG) FOR AN OPEN


- Measure resistance between:
- memory position sensor C358-1, circuit VPS11 (GN/BN), harness side and DSM C3299b-18, circuit VPS11 (GN/BN), harness side.
- memory seat position sensor C358-4, circuit RPS13 (GN/OG), harness side and DSM C3299b-20, circuit RPS13 (GN/OG), harness side.




- Are resistances less than 5 ohms?

Yes
INSTALL a new driver seat track assembly. REFER to Seat Track Seat Track. REPEAT the self-test. CLEAR the DTCs.

DISCONNECT the battery ground cable. CONNECT driver seat side air bag module C327. REPOWER the SRS. REFER to Air Bag Systems.

No
REPAIR the circuit(s) in question. REPEAT the self-test. CLEAR the DTCs.

DISCONNECT the battery ground cable. CONNECT driver seat side air bag module C327. REPOWER the SRS. REFER to Air Bag Systems.

-------------------------------------------------
K17 CHECK CIRCUITS VPS09 (BN/BU) AND RPS13 (GN/OG) FOR A SHORT TO VOLTAGE


- Ignition OFF.
- Depower the SRS. Refer to Supplemental Restraint System (SRS) Depowering and Repowering in the General Procedures portion of Air Bag Systems.
- Disconnect: Driver Seat Side Air Bag C327.
- Disconnect: DSM C3299b.
- Disconnect: Memory Seat Position Sensor C358.
- WARNING: Make sure no one is in the vehicle and there is nothing blocking or placed in front of any air bag module when the battery is connected. Failure to follow these instructions may result in serious personal injury in the event of an accidental deployment.
- Connect the battery ground cable. Refer to Battery.
- Ignition ON.
- Measure voltage between:
- memory seat position sensor C358-3, circuit VPS09 (BN/BU), harness side and ground.
- memory seat position sensor C358-6, circuit RPS13 (GN/OG), harness side and ground.




- Is voltage present on either circuit?

Yes
REPAIR the circuit(s). REPEAT the self-test. CLEAR the DTCs.

DISCONNECT the battery ground cable. CONNECT driver seat side air bag module C327. REPOWER the SRS. REFER to Air Bag Systems.

No
GO to K18.

-------------------------------------------------
K18 CHECK CIRCUITS VPS09 (BN/BU) AND RPS13 (GN/OG) FOR A SHORT TO GROUND


- Ignition OFF.
- Measure resistance between:
- memory seat position sensor C358-3, circuit VPS09 (BN/BU), harness side and ground.
- memory seat position sensor C358-6, circuit RPS13 (GN/OG), harness side and ground.




- Are resistances greater than 10,000 ohms?

Yes
GO to K19.

No
REPAIR the circuit(s). REPEAT the self-test. CLEAR the DTCs.

DISCONNECT the battery ground cable. CONNECT driver seat side air bag module C327. REPOWER the SRS. REFER to Air Bag Systems.

-------------------------------------------------
K19 CHECK CIRCUITS VPS09 (BN/BU) AND RPS13 (GN/OG) FOR AN OPEN


- Measure resistance between:
- memory seat position sensor C358-3, circuit VPS09 (BN/BU), harness side and DSM C3299b-19, circuit VPS09 (BN/BU), harness side.
- memory seat position sensor C358-6, circuit RPS13 (GN/OG), harness side and DSM C3299b-20, circuit RPS13 (GN/OG), harness side.




- Are resistances less than 5 ohms?

Yes
INSTALL a new driver seat track assembly. REFER to Seat Track Seat Track. REPEAT the self-test. CLEAR the DTCs.

DISCONNECT the battery ground cable. CONNECT driver seat side air bag module C327. REPOWER the SRS. REFER to Air Bag Systems.

No
REPAIR the circuit(s). REPEAT the self-test. CLEAR the DTCs.

DISCONNECT the battery ground cable. CONNECT driver seat side air bag module C327. REPOWER the SRS. REFER to Air Bag Systems.

-------------------------------------------------
K20 CHECK CIRCUITS RPS13 (GN/OG) AND VPS12 (GY/OG) FOR A SHORT TO VOLTAGE


- Ignition OFF.
- Depower the SRS. Refer to Supplemental Restraint System (SRS) Depowering and Repowering in the General Procedures portion of Air Bag Systems.
- Disconnect: Driver Seat Side Air Bag C327.
- Disconnect: DSM C3299b.
- Disconnect: Driver Seat Recliner Motor C3187.
- WARNING: Make sure no one is in the vehicle and there is nothing blocking or placed in front of any air bag module when the battery is connected. Failure to follow these instructions may result in serious personal injury in the event of an accidental deployment.
- Connect the battery ground cable. Refer to Battery.
- Measure voltage between:
- driver seat recliner motor C3187-2, circuit RPS13 (GN/OG), harness side and ground.
- driver seat recliner motor C3187-4, circuit VPS12 (GY/OG), harness side and ground.




- Is voltage present on either circuit?

Yes
REPAIR the circuit(s). REPEAT the self-test. CLEAR the DTCs.

DISCONNECT the battery ground cable. CONNECT driver seat side air bag module C327. REPOWER the SRS. REFER to Air Bag Systems.

No
GO to K21.

-------------------------------------------------
K21 CHECK CIRCUITS RPS13 (GN/OG) AND LPS12 (VT/RD) FOR A SHORT TO GROUND


- Ignition OFF.
- Measure resistance between:
- driver seat recliner motor C3187-2, circuit RPS13 (GN/OG), harness side and ground.
- driver seat recliner motor C3187-4, circuit VPS12 (GY/OG), harness side and ground.




- Are resistances greater than 10,000 ohms?

Yes
GO to K22.

No
REPAIR the circuit(s). REPEAT the self-test. CLEAR the DTCs.

DISCONNECT the battery ground cable. CONNECT driver seat side air bag module C327. REPOWER the SRS. REFER to Air Bag Systems.

-------------------------------------------------
K22 CHECK CIRCUITS RPS13 (GN/OG) AND VPS12 (GY/OG) FOR AN OPEN


- Measure resistance between:
- driver seat recliner motor C3187-2, circuit RPS13 (GN/OG), harness side and DSM C3299b-20, circuit RPS13 (GN/OG), harness side.
- driver seat recliner motor C3187-4, circuit VPS12 (GY/OG), harness side and DSM C3299b-6, circuit VPS12 (GY/OG), harness side.




- Are resistances less than 5 ohms?

Yes
INSTALL a new driver seat recliner motor. REFER to Seat Recliner Motor Seat Recliner Motor. REPEAT the self-test. CLEAR the DTCs.

DISCONNECT the battery ground cable. CONNECT driver seat side air bag module C327. REPOWER the SRS. REFER to Air Bag Systems.

No
REPAIR the circuit(s). REPEAT the self-test. CLEAR the DTCs.

DISCONNECT the battery ground cable. CONNECT driver seat side air bag module C327. REPOWER the SRS. REFER to Air Bag Systems.

-------------------------------------------------