Curiosii for ever!: Car repair manuals for everyone.

Pinpoint Test AC: DTC U3003:16 (Audio Control Module (ACM))




Information and Entertainment System

Pinpoint Tests

Pinpoint Test AC: DTC U3003:16 (Audio Control Module (ACM))

Normal Operation
- DTC U3003:16 (Battery Voltage: Circuit Voltage Below Threshold) - set by the Audio Control Module (ACM) when the supply voltage on circuit SBP39 (WH/RD) falls below 10 volts for at least 10 seconds during normal operation, or for greater than 250 milliseconds during the self-test.

This pinpoint test is intended to diagnose the following:

- Wiring, terminals or connectors
- High circuit resistance
- ACM



PINPOINT TEST AC: DTC U3003:16 (ACM)

NOTE: Failure to disconnect the battery when instructed will result in false resistance readings. Refer to Battery.

-------------------------------------------------
AC1 RECHECK THE ACM DTCs


- Ignition ON.
- Clear the ACM DTCs.
- Wait at least 15 seconds.
- Repeat the ACM self-test.
- Is DTC U3003:16 still present?

Yes
GO to AC2.

No
The system is operating correctly at this time. The DTC may have been set due to a previous low battery voltage condition.

-------------------------------------------------
AC2 CHECK FOR CHARGING SYSTEM DTCs IN THE PCM


- Retrieve the continuous DTCs from all modules.
- Is DTC P0620, P0622, P0625, or P065B set in the PCM?

Yes
REFER to Charging System.

No
GO to AC3.

-------------------------------------------------
AC3 CHECK THE BATTERY CONDITION AND STATE OF CHARGE


- Check the battery condition and verify that the battery is fully charged. Refer to Battery.
- Is the battery OK and fully charged?

Yes
GO to AC4.

No
REFER to Battery.

-------------------------------------------------
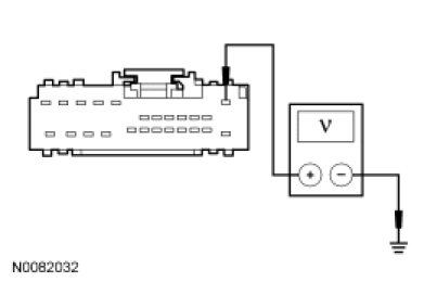
AC4 CHECK THE ACM VOLTAGE SUPPLY


- Ignition OFF.
- Measure and record the voltage at the battery.
- Disconnect: ACM C240a (Without Navigation) or C2253a (With Navigation).
- Ignition ON.
- Measure the voltage between the ACM C240a-1 or C2253a-1, circuit SBP39 (WH/RD), harness side and ground.




- Is the voltage at the ACM within 0.2 volt of the recorded battery voltage?

Yes
GO to AC5.

No
REPAIR the circuit for high resistance. CLEAR the DTCs. REPEAT the self-test.

-------------------------------------------------
AC5 CHECK THE ACM GROUND CIRCUIT


- Ignition OFF.
- Disconnect: Negative Battery Cable.
- Measure the resistance between the ACM C240a-13 or C2253a-13, circuit GD114 (BK/BU), harness side and ground.




- Is the resistance less than 5 ohms?

Yes
GO to AC6.

No
REPAIR the circuit for high resistance. CLEAR the DTCs. REPEAT the self-test.

-------------------------------------------------
AC6 CHECK FOR CORRECT ACM OPERATION


- Ignition OFF.
- Connect: Negative Battery Cable.
- Disconnect all the ACM connectors.
- Check for:
- corrosion
- damaged pins
- pushed-out pins
- Connect all the ACM connectors and make sure they seat correctly.
- Operate the system and determine if the concern is still present.
- Is the concern still present?

Yes
INSTALL a new ACM. REFER to Audio Control Module (ACM) Audio Control Module (ACM). TEST the system for normal operation.

No
The system is operating correctly at this time. The concern may have been caused by a loose or corroded connector.

-------------------------------------------------