Curiosii for ever!: Car repair manuals for everyone.

Wiper Switch: Service and Repair





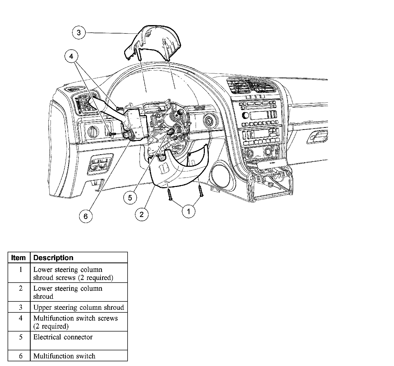
Steering Column Multifunction Switch

Removal and Installation
1. Remove the steering wheel.
2. Tilt the steering column all the way down and extend it all the way out.
3. Position the front wheels to the straight-ahead position.
4. Remove the 2 lower steering column shroud screws.
5. Remove the lower steering column shroud.
6. Remove the upper steering column shroud.
7. Remove the 2 multifunction switch screws.
8. Disconnect the electrical connector.





9. Release the 2 tabs and slide the multifunction switch out of the clockspring.
10. To install, reverse the removal procedure.