Curiosii for ever!: Car repair manuals for everyone.

Heater Core Case: Service and Repair

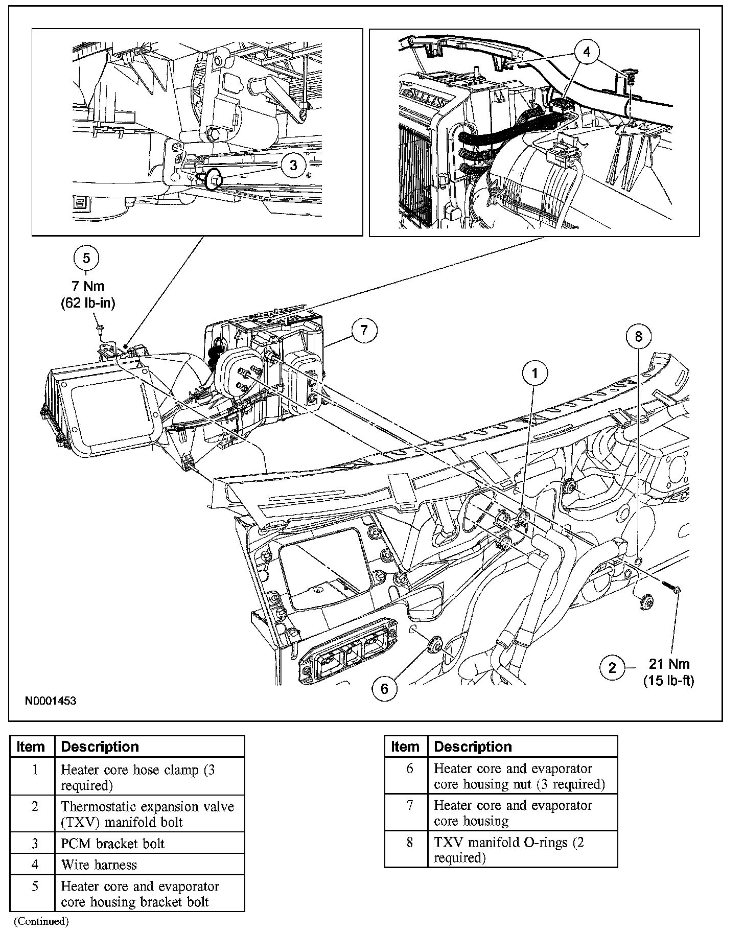
HEATER CORE AND EVAPORATOR CORE HOUSING







Removal and Installation

CAUTION: Refrigerant compressor oil (mineral oil) should be used to lubricate R-134a refrigerant system O-ring seals only and should not be added to the R-134a refrigerant system as an A/C compressor lubricant. PAG refrigerant compressor oil only should be used as an A/C compressor lubricant.

1. Recover the refrigerant.
2. Partially drain the cooling system.
3. Remove the instrument panel. Refer to: Body and Frame, Interior Moulding/Trim, Dashboard/Instrument Panel, Service and Repair, Instrument Panel, Instrument Panel

4. Release the 3 heater core hose clamps and disconnect the heater hoses from the heater core.
5. Remove the TXV manifold bolt.
- To install, tighten to 21 Nm (15 lb-ft).

6. Remove the PCM bracket bolt.
7. Detach the wire harness from the heater core and evaporator core housing.
8. Remove the heater core and evaporator core housing bracket bolt.
- To install, tighten to 7 Nm (62 lb-in).

9. Remove the 3 heater core and evaporator core housing nuts.
10. Remove the heater core and evaporator core housing.
11. Remove the TXV manifold O-rings.
12. To install, reverse the removal procedure.
- Install new O-ring seals lubricated in clean mineral oil.
- Lubricate the refrigerant system with the correct amount of clean PAG oil.

13. Fill the engine cooling system.
14. Evacuate, leak test and charge the refrigerant system.