Curiosii for ever!
: Car repair manuals for everyone.
Home
>>
Lincoln
>>
2005
>>
LS V8-3.9L VIN A
>>
Repair and Diagnosis
>>
Brakes and Traction Control
>>
Antilock Brakes / Traction Control Systems
>>
Electronic Brake Control Module
>>
Locations
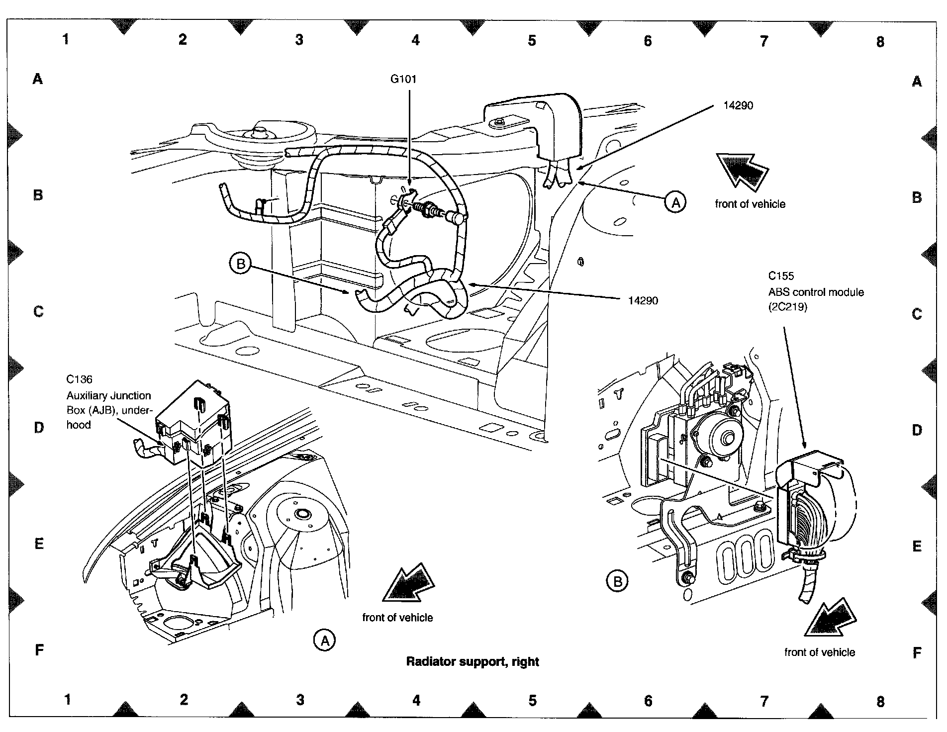
Electronic Brake Control Module: Locations
View 151-7 (Radiator Support, Right):