Curiosii for ever!
: Car repair manuals for everyone.
Home
>>
Lincoln
>>
2003
>>
Town Car V8-4.6L SOHC VIN W
>>
Repair and Diagnosis
>>
Powertrain Management
>>
Computers and Control Systems
>>
Air Flow Meter/Sensor
>>
Locations
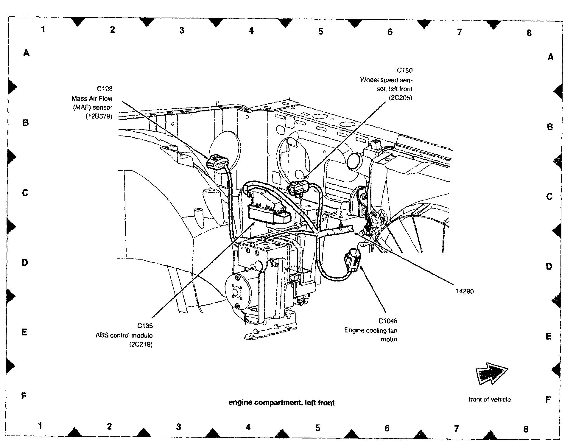
Air Flow Meter/Sensor: Locations
View 151-2: