Curiosii for ever!: Car repair manuals for everyone.

Electronic Brake Control Module: Service and Repair

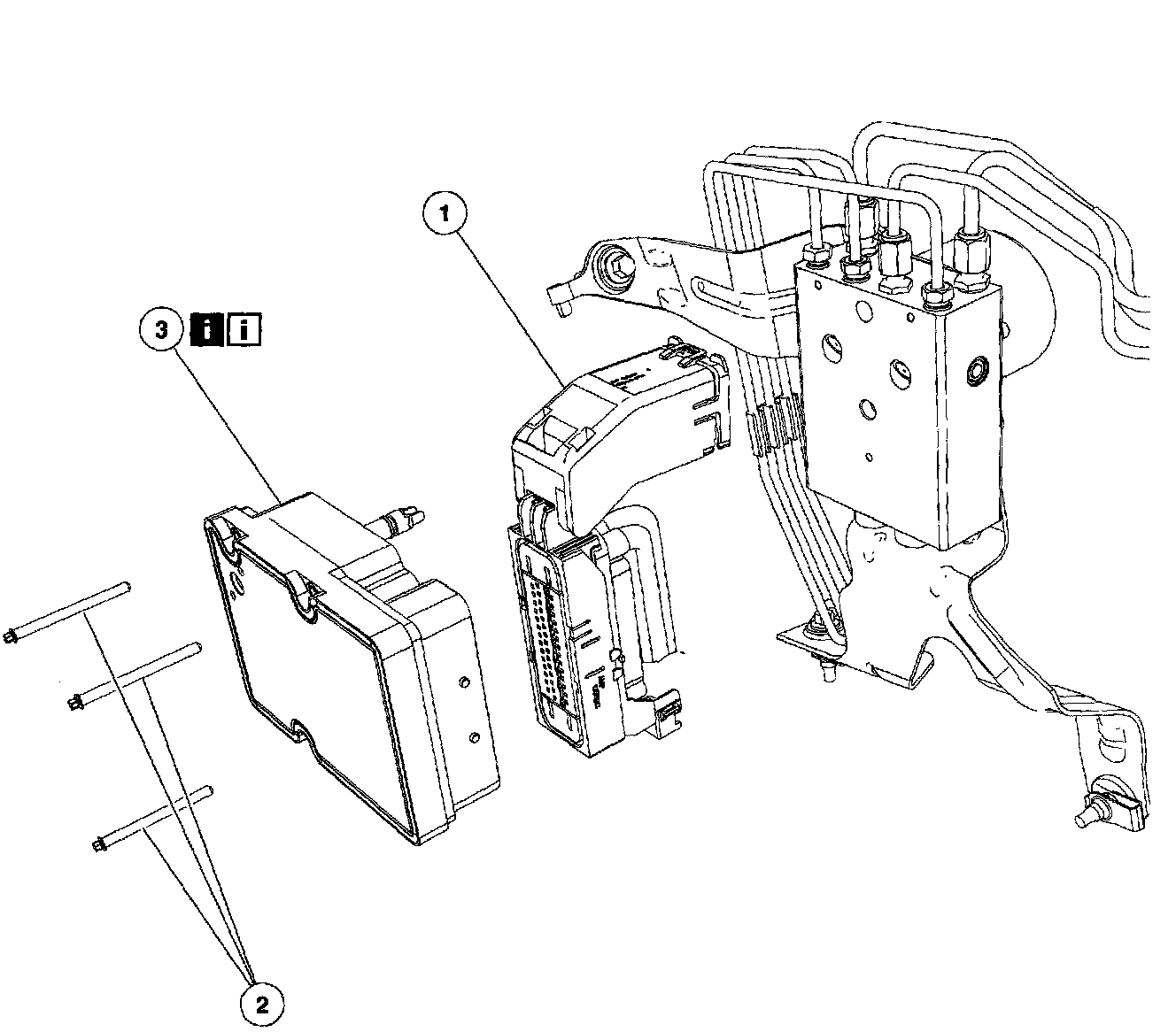
Anti-Lock Brake System (ABS) Module
1. Disconnect the battery ground cable.

Part 1 Of 3:




Part 2 Of 3:




Part 3 Of 3:





2. Remove the components in the order indicated in the table.
3. To install, reverse the removal procedure.

Item 3: Anti-Lock Brake System (ABS) Module Removal Note





1. Position the battery junction box (BJB) aside.
1. Release the clips.
2. Position the BJB aside.

Item 3: Anti-Lock Brake System (ABS) Module Installation Note
1. Use the diagnostic tool to reconfigure the ABS module.