Curiosii for ever!
: Car repair manuals for everyone.
Home
>>
Lincoln
>>
2003
>>
LS V8-3.9L VIN A
>>
Repair and Diagnosis
>>
Brakes and Traction Control
>>
Antilock Brakes / Traction Control Systems
>>
Steering Angle Sensor
>>
Service and Repair
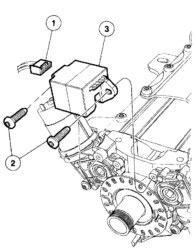
Steering Angle Sensor: Service and Repair
Steering Wheel Rotation Sensor
Part 1 Of 2:
Part 2 Of 2:
1.
Remove the components in the order indicated in the table.