Curiosii for ever!
: Car repair manuals for everyone.
Home
>>
Lincoln
>>
2002
>>
LS V6-3.0L DOHC VIN S
>>
Repair and Diagnosis
>>
Diagrams
>>
Exploded Views
>>
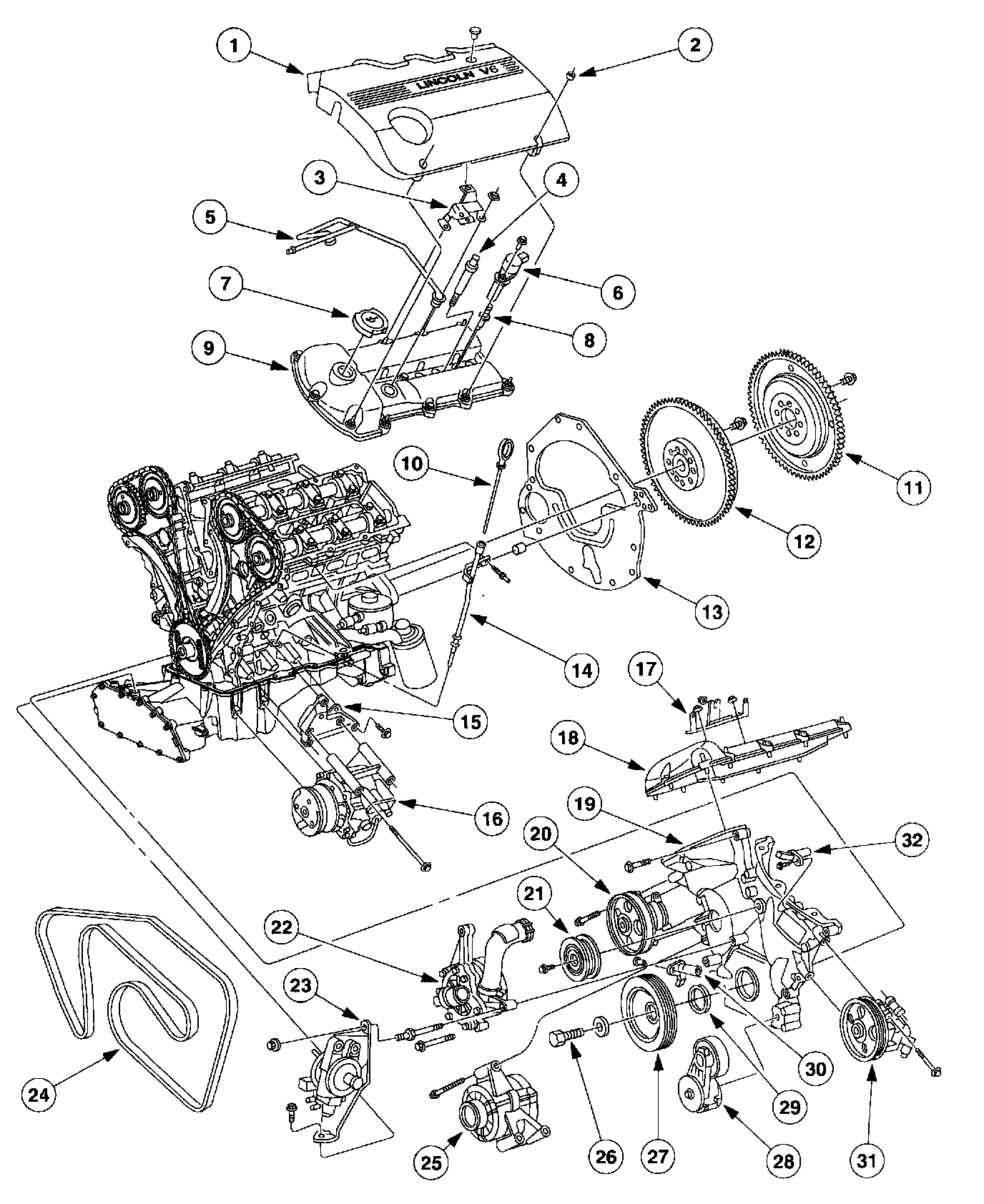
Engine
Engine
Engine Disassembled View
Part 1 of 6
Part 2 of 6
Part 3 of 6
Part 4 of 6
Part 5 of 6
Part 6 of 6