Curiosii for ever!
: Car repair manuals for everyone.
Home
>>
Lincoln
>>
2001
>>
LS V6-3.0L DOHC VIN S
>>
Repair and Diagnosis
>>
Diagrams
>>
Exploded Views
>>
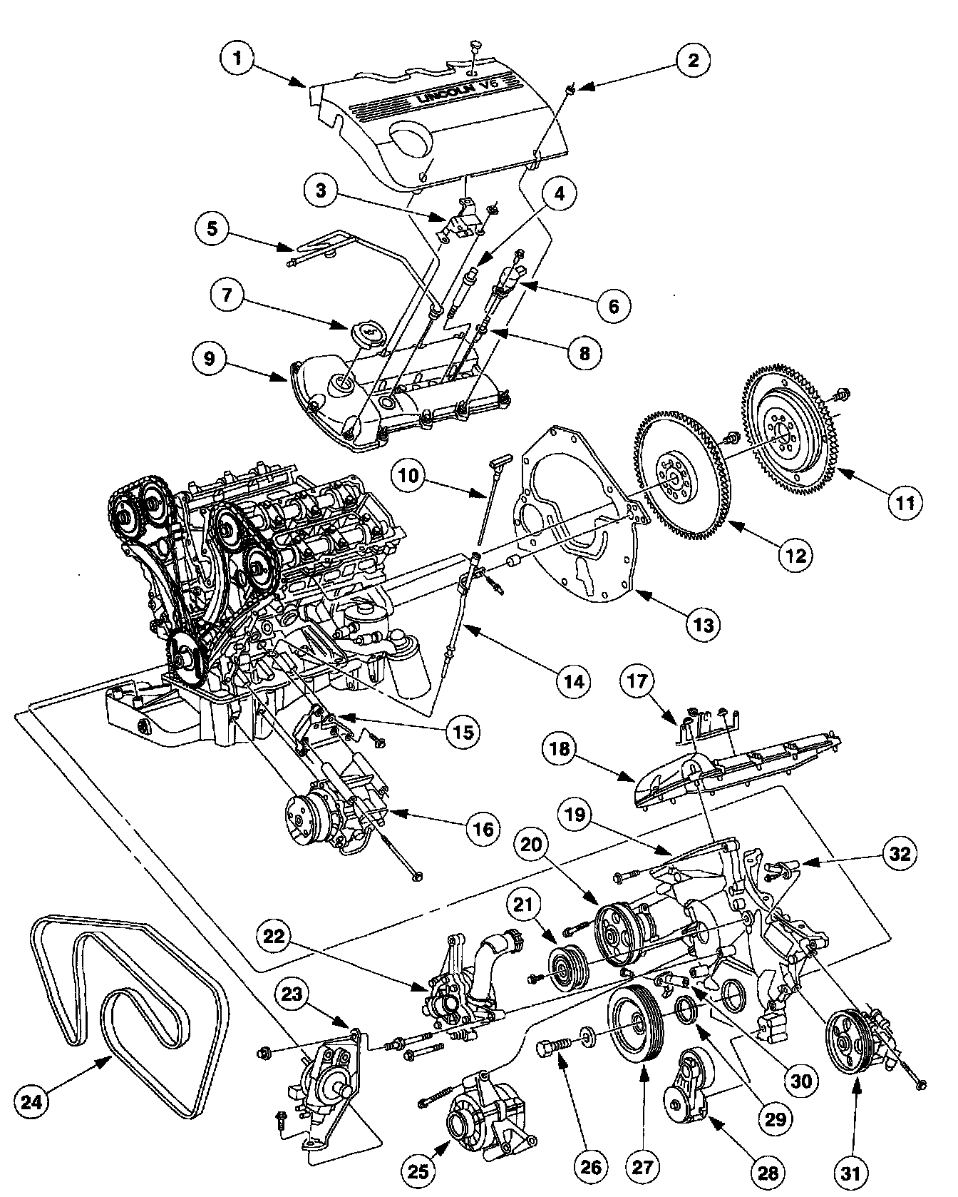
Engine
Engine
Part 1 of 9
Part 2 of 9
Part 3 of 9
Part 4 of 9
Part 5 of 9
Part 6 of 9
Part 7 of 9
Part 8 of 9
Part 9 of 9